×
Genuine KZ Kawasaki Parts delivered quickly!
home
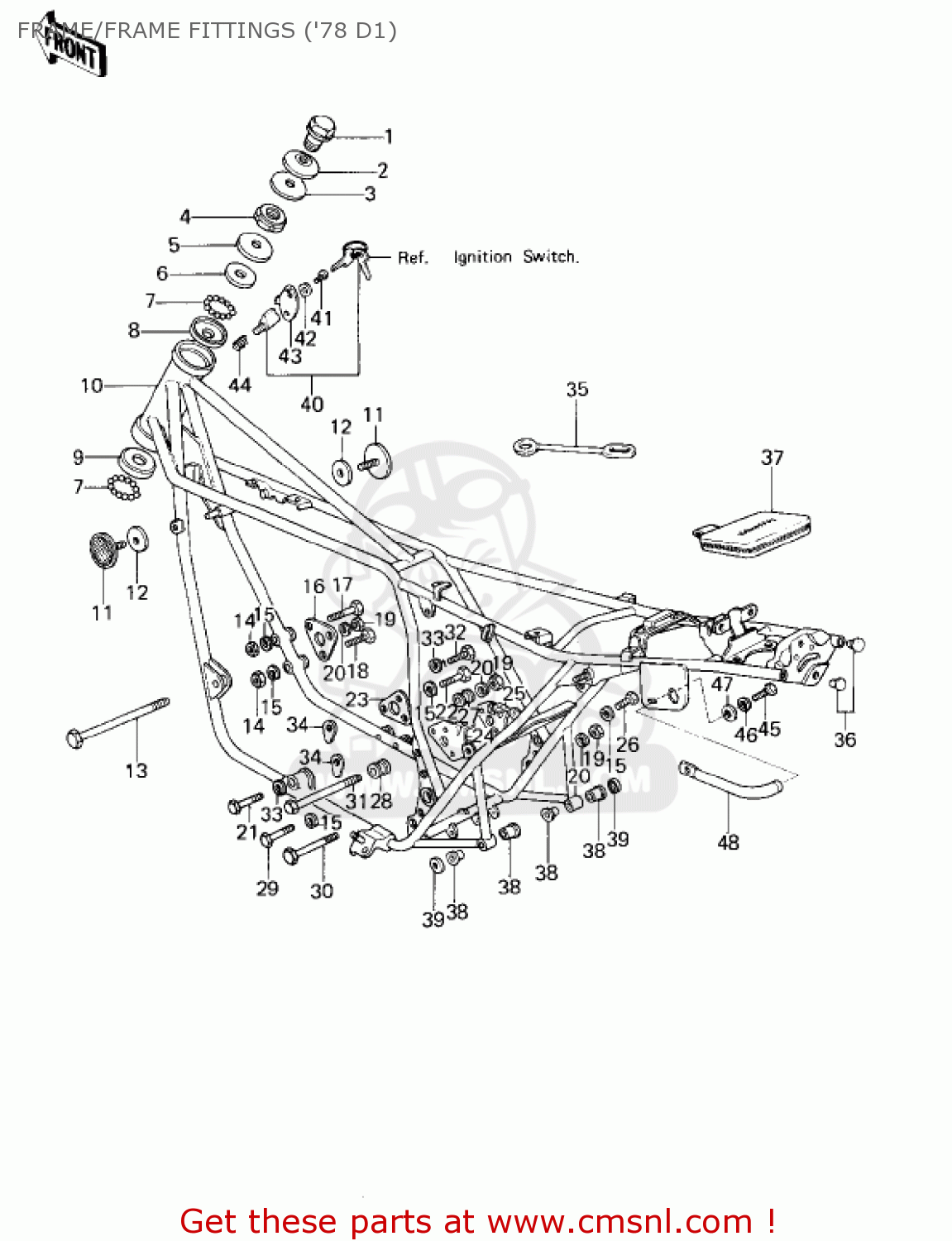
FRAME/FRAME FITTINGS ('78 D1)
KZ1000D3 Z1R 1980 CANADA
Frame/frame fittings ('78 d1) diagram KZ1000D3 Z1R 1980 CANADA
FRAME/FRAME FITTINGS ('78 D1) KZ1000D3 Z1R 1980 CANADA
×
prices are in EUR
ref
part #
description
quantity
1
92007031
ref: 1
BOLT-STEERG STEM HEAD
€ 17.50
2
92022230
ref: 2
WASHER-STEERG STM HD
€ 7.50
3
46100003
ref: 3
WASHER,WAVE
€ 6.50
4
92090007
ref: 4
NUT-STEERING STEM LCK
€ 8.00
5
46098016
ref: 5
CAP,STEERING STEM
€ 4.00
6
92047011
ref: 6
CONE-STRNG STM BRNG
€ 14.50
7
600A0800
ref: 7
BALL-STEEL,1/4
€ 0.50
8
92048006
ref: 8
RACE-STRNG BEARIN-STE
€ 11.50
9
92048008
ref: 9
RACE-STRNG STM BRNG
€ 16.00
10
320021030
ref: 10
FRAME
€ 1,438.50
11
28012016
ref: 11
REFLECTOR REFLEX
€ 16.00
12
92094011
ref: 12
DAMPER,REFLECTOR
€ 3.00
13
92091022
ref: 13
L = 310 M/M
BOLT-ENGINE MOUNTING
€ 18.50
14
311B0800
ref: 14
NUT,8MM
€ 0.50
15
461F0800
ref: 15
WASHER-SPRING,8MM
€ 0.50
16
32030025
ref: 16
BRACKET-ENGINE,FR
€ 11.50
17
920011582
ref: 17
BOLT,FLANGED,8X65
€ 3.50
18
110G0859
ref: 18
BOLT,HEX HEAD,8X59
€ 3.50
19
92019021
ref: 19
NUT,LOCK,10M/M
€ 2.00
20
461F1000
ref: 20
WASHER-SPRING,10MM
€ 0.50
21
920011262
ref: 21
BOLT,HEX HEAD,12X55
€ 6.00
22
115G0818
ref: 22
BOLT SMALL-UPSET
€ 2.50
23
32030026
ref: 23
BRACKET-ENGINE,LWR
€ 11.50
24
320291023
ref: 24
BRACKET,REAR ENG.MOUT
€ 9.50
25
320291024
ref: 25
BRACKET,REAR ENG.MOUT
€ 10.50
26
110G0840
ref: 26
BOLT-HEX HEAD,8X40
€ 4.00
27
92027160
ref: 27
L = 31 M/M
COLLAR,L=30.5
€ 7.00
28
92027159
ref: 28
L = 52 M/M
COLLAR-ENG MOUNTING
€ 21.00
29
920011577
ref: 29
BOLT,FLANGED,8X35
€ 2.50
30
92003099
ref: 30
L = 165 M/M
BOLT-ENGINE MOUNTING
€ 16.50
31
92091023
ref: 31
L = 250 M/M
BOLT-ENGINE MOUNTING
€ 15.50
32
920011265
ref: 32
BOLT,HEX HEAD,12X70
€ 4.50
33
461F1200
ref: 33
WASHER-SPRING,12MM
€ 0.50
34
92016045
ref: 34
NUT,12MM
€ 13.50
35
92037134
ref: 35
CLAMP,OVER FLOW PIPE
€ 7.50
36
920661018
ref: 36
PLUG,END,17.5MM
€ 3.00
37
560081008
ref: 37
BAG,MANUAL
€ 18.00
38
92092010
ref: 38
BUSHING-MUFFLER FITT
€ 11.00
39
92022328
ref: 39
WASHER,PLAIN
€ 2.50
40
270165009
ref: 40
LOCK-ASSY,STEERING
€ 97.00
41
92008007
ref: 41
SCREW-TAPPING
€ 2.50
42
92097003
ref: 42
WASHER
€ 2.50
43
110121134
ref: 43
CAP,STEERING LOCK
€ 4.50
44
27032001
ref: 44
SPRING-STEERING LOCK
€ 3.50
45
115G0816
ref: 45
BOLT-HEX,HEAD 8X16
€ 0.50
46
461F0800
ref: 46
WASHER-SPRING,8MM
€ 0.50
47
410B0800
ref: 47
WASHER-PLAIN-SMALL,8M
€ 0.50
48
321091004
ref: 48
GRIP-FRAME
€ 36.50
up
all assemblies
IGNITION/REGULATOR/RECTIFIER ('7
GENERATOR/STARTER MOTOR ('78 D1)
FRAME/FRAME FITTINGS ('80 D3)
BATTERY CASE/ELECTRO BRACKET ('8
SWING ARM/SHOCK ABSORBERS ('80 D
FOOTRESTS ('80 D3)
STANDS ('80 D3)
BRAKE PEDAL/TORQUE LINK ('80 D3)
HANDLEBAR ('80 D3)
FRAME/FRAME FITTINGS ('78 D1)
BATTERY CASE/ELECTRO BRACKET ('7
SWING ARM/SHOCK ABSORBERS ('78 D
FOOTRESTS/STANDS ('78 D1)
HANDLEBAR ('78 D1)
FRONT FORK ('78 D1)
CABLES ('78 D1)
METERS ('78 D1)
HEADLIGHT ('78 D1)
TAILLIGHT ('78 D1)
TURN SIGNALS ('78 D1)
FRONT WHEEL/TIRE/HUB ('80 D3)
REAR WHEEL/TIRE/HUB/CHAIN ('80 D
FENDERS ('80 D3)
FUEL TANK ('80 D3)
SIDE COVERS/CHAIN COVER ('80 D3)
FAIRING ('80 D3)
SEAT/SEAT COVER ('80 D3)
CARBURETOR PARTS (CANADA) ('80 D
AIR CLEANER ('80 D3)
MUFFLERS ('80 D3)
IGNITION/GENERATOR/REGULATOR ('8
REAR WHEEL/TIRE/HUB/CHAIN ('78 D
FENDERS/SEAT COVER ('78 D1)
FUEL TANK ('78 D1)
SIDE COVERS/CHAIN COVER ('78 D1)
FAIRING/IGNITION SWITCH ('78 D1)
SEAT ('78 D1)
FRONT FORK ('80 D3)
FRONT MASTER CYLINDER ('80 D3)
FRONT BRAKE ('80 D3)
REAR MASTER CYLINDER ('80 D3)
REAR BRAKE ('80 D3)
IGNITION SWITCH/LOCKS/REFLECTORS
CHASSIS ELECTRICAL EQUIPMENT ('8
OWNER TOOLS ('80 D3)
SPECIAL SERVICE TOOLS "A" ('80 D
SPECIAL SERVICE TOOLS "B" ('80 D
CHASSIS ELECTRICAL EQUIPMENT ('7
OWNER TOOLS ('78 D1)
SPECIAL SERVICE TOOLS "A" ('78 D
SPECIAL SERVICE TOOLS "B" ('78 D
TRANSMISSION/CHANGE DRUM ('78 D1
GEAR CHANGE MECHANISM ('78 D1)
KICKSTARTER MECHANISM ('78 D1)
ENGINE COVERS ('78 D1)
FRONT MASTER CYLINDER ('78 D1)
FRONT BRAKE ('78 D1)
REAR MASTER CYLINDER/BRAKE PEDAL
REAR BRAKE ('78 D1)
FRONT WHEEL/TIRE/HUB ('78 D1)
CYLINDER HEAD COVER ('80 D3)
CYLINDER HEAD ('80 D3)
CAMSHAFTS/VALVES ('80 D3)
CAM CHAIN/TENSIONER ('80 D3)
CYLINDERS/PISTONS/CRANKSHAFT ('8
CRANKCASE/BREATHER COVER ('80 D3
CRANKCASE BOLT & STUD PATTERN ('
CLUTCH ('80 D3)
TRANSMISSION ('80 D3)
GEAR CHANGE MECHANISM ('80 D3)
KICKSTARTER MECHANISM ('80 D3)
ENGINE COVERS ('80 D3)
CABLES ('80 D3)
METERS ('80 D3)
HEADLIGHT ('80 D3)
TAILLIGHT ('80 D3)
TURN SIGNALS ('80 D3)
OIL PAN/OIL PUMP/OIL FILTER ('80
CARBURETOR ASSY (USA) ('80 D3)
CARBURETOR PARTS (USA) ('80 D3)
CARBURETOR ASSY (CANADA) ('80 D3
CYLINDER HEAD/COVER ('78 D1)
CAMSHAFTS/VALVES ('78 D1)
CAM CHAIN/TENSIONER ('78 D1)
CYLINDER/PISTONS/CRANKSHAFT ('78
CRANKCASE/BREATHER COVER ('78 D1
CRANKCASE BOLT & STUD PATTERN ('
CLUTCH ('78 D1)
STARTER MOTOR/STARTER CLUTCH ('8
OIL PAN/OIL PUMP/OIL FILTER ('78
CARBURETOR ASSY ('78 D1)
CARBURETOR PARTS ('78 D1)
AIR CLEANER ('78 D1)
MUFFLER ('78 D1)
up