×
Genuine KZ Kawasaki Parts delivered quickly!
home
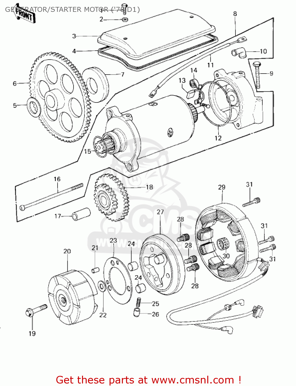
GENERATOR/STARTER MOTOR ('78 D1)
KZ1000D1 Z1R 1978 CANADA
Generator/starter motor ('78 d1) diagram KZ1000D1 Z1R 1978 CANADA
GENERATOR/STARTER MOTOR ('78 D1) KZ1000D1 Z1R 1978 CANADA
×
prices are in EUR
ref
part #
description
quantity
1
110R0610
ref: 1
BOLT,6X10
€ 5.00
2
410D0600
ref: 2
WASHER-PLAIN-SMALL,6M
€ 0.50
3
21165001
ref: 3
COVER,STARTER MOTOR
€ 30.00
4
21166001
ref: 4
GASKET,STARTER COVER (NAS)
€ 23.50
5
92026091
ref: 5
SPACER,PLAIN,22MM
€ 26.50
6
21167003
ref: 6
71T
GEAR,STARTING CLUTCH
€ 436.00
7
92075192
ref: 7
DAMPER RUBBER
€ 17.00
7
92075193
ref: 7
DAMPER
€ 28.50
7
92075194
ref: 7
DAMPER
€ 28.50
8
211631019
ref: 8
STARTER-ELECTRIC
€ 666.00
9
920011456
ref: 9
BOLT,6X55
€ 3.00
10
21017017
ref: 10
GROMMET-CORD
€ 6.50
11
26010055
ref: 11
WIRE, STARTER MOTOR
€ 22.00
12
21027003
ref: 12
RING-O,STARTER MOTOR
€ 6.00
13
21039003
ref: 13
BRUSH,CARBON
€ 23.50
14
21040003
ref: 14
SPRING-BRUSH
€ 4.50
15
21027004
ref: 15
ORING-STARTING MOTR
€ 6.50
16
21015005
ref: 16
SCREW-PAN HEAD,6X110
€ 5.50
17
13002007
ref: 17
PIN
€ 13.00
18
21167002
ref: 18
GEAR-STARTING MOTOR
€ 89.00
19
920011201
ref: 19
BOLT,ROTOR,10X40
€ 7.00
20
210071005
ref: 20
ROTOR
€ 849.00
21
551A0622
ref: 21
PIN,DOWEL,6X22
€ 2.50
22
92026092
ref: 22
SPACER,22X35.5X1.0
€ 8.50
23
92026112
ref: 23
SPACER,45X79.5X0.5 (NAS)
€ 7.50
24
92122001
ref: 24
ROLLER,15X14.4
€ 7.50
25
92081110
ref: 25
SPRING
€ 3.00
26
92043087
ref: 26
PIN
€ 8.00
27
131931006
ref: 27
CLUTCH-ASSY-ONEWAY
€ 150.50
28
120P0816
ref: 28
BOLT-SOCKET
€ 2.50
29
21076023
ref: 29
STATOR
€ 921.50
30
92046033
ref: 30
BEARING-NEEDLE,K22272
€ 25.50
31
120S0635
ref: 31
BOLT-SOCKET
€ 1.00
up
all assemblies
IGNITION/REGULATOR/RECTIFIER ('7
GENERATOR/STARTER MOTOR ('78 D1)
FRAME/FRAME FITTINGS ('80 D3)
BATTERY CASE/ELECTRO BRACKET ('8
SWING ARM/SHOCK ABSORBERS ('80 D
FOOTRESTS ('80 D3)
STANDS ('80 D3)
BRAKE PEDAL/TORQUE LINK ('80 D3)
HANDLEBAR ('80 D3)
FRAME/FRAME FITTINGS ('78 D1)
BATTERY CASE/ELECTRO BRACKET ('7
SWING ARM/SHOCK ABSORBERS ('78 D
FOOTRESTS/STANDS ('78 D1)
HANDLEBAR ('78 D1)
FRONT FORK ('78 D1)
CABLES ('78 D1)
METERS ('78 D1)
HEADLIGHT ('78 D1)
TAILLIGHT ('78 D1)
TURN SIGNALS ('78 D1)
FRONT WHEEL/TIRE/HUB ('80 D3)
REAR WHEEL/TIRE/HUB/CHAIN ('80 D
FENDERS ('80 D3)
FUEL TANK ('80 D3)
SIDE COVERS/CHAIN COVER ('80 D3)
FAIRING ('80 D3)
SEAT/SEAT COVER ('80 D3)
CARBURETOR PARTS (CANADA) ('80 D
AIR CLEANER ('80 D3)
MUFFLERS ('80 D3)
IGNITION/GENERATOR/REGULATOR ('8
REAR WHEEL/TIRE/HUB/CHAIN ('78 D
FENDERS/SEAT COVER ('78 D1)
FUEL TANK ('78 D1)
SIDE COVERS/CHAIN COVER ('78 D1)
FAIRING/IGNITION SWITCH ('78 D1)
SEAT ('78 D1)
FRONT FORK ('80 D3)
FRONT MASTER CYLINDER ('80 D3)
FRONT BRAKE ('80 D3)
REAR MASTER CYLINDER ('80 D3)
REAR BRAKE ('80 D3)
IGNITION SWITCH/LOCKS/REFLECTORS
CHASSIS ELECTRICAL EQUIPMENT ('8
OWNER TOOLS ('80 D3)
SPECIAL SERVICE TOOLS "A" ('80 D
SPECIAL SERVICE TOOLS "B" ('80 D
CHASSIS ELECTRICAL EQUIPMENT ('7
OWNER TOOLS ('78 D1)
SPECIAL SERVICE TOOLS "A" ('78 D
SPECIAL SERVICE TOOLS "B" ('78 D
TRANSMISSION/CHANGE DRUM ('78 D1
GEAR CHANGE MECHANISM ('78 D1)
KICKSTARTER MECHANISM ('78 D1)
ENGINE COVERS ('78 D1)
FRONT MASTER CYLINDER ('78 D1)
FRONT BRAKE ('78 D1)
REAR MASTER CYLINDER/BRAKE PEDAL
REAR BRAKE ('78 D1)
FRONT WHEEL/TIRE/HUB ('78 D1)
CYLINDER HEAD COVER ('80 D3)
CYLINDER HEAD ('80 D3)
CAMSHAFTS/VALVES ('80 D3)
CAM CHAIN/TENSIONER ('80 D3)
CYLINDERS/PISTONS/CRANKSHAFT ('8
CRANKCASE/BREATHER COVER ('80 D3
CRANKCASE BOLT & STUD PATTERN ('
CLUTCH ('80 D3)
TRANSMISSION ('80 D3)
GEAR CHANGE MECHANISM ('80 D3)
KICKSTARTER MECHANISM ('80 D3)
ENGINE COVERS ('80 D3)
CABLES ('80 D3)
METERS ('80 D3)
HEADLIGHT ('80 D3)
TAILLIGHT ('80 D3)
TURN SIGNALS ('80 D3)
OIL PAN/OIL PUMP/OIL FILTER ('80
CARBURETOR ASSY (USA) ('80 D3)
CARBURETOR PARTS (USA) ('80 D3)
CARBURETOR ASSY (CANADA) ('80 D3
CYLINDER HEAD/COVER ('78 D1)
CAMSHAFTS/VALVES ('78 D1)
CAM CHAIN/TENSIONER ('78 D1)
CYLINDER/PISTONS/CRANKSHAFT ('78
CRANKCASE/BREATHER COVER ('78 D1
CRANKCASE BOLT & STUD PATTERN ('
CLUTCH ('78 D1)
STARTER MOTOR/STARTER CLUTCH ('8
OIL PAN/OIL PUMP/OIL FILTER ('78
CARBURETOR ASSY ('78 D1)
CARBURETOR PARTS ('78 D1)
AIR CLEANER ('78 D1)
MUFFLER ('78 D1)
up