×
Genuine KZ Kawasaki Parts delivered quickly!
home
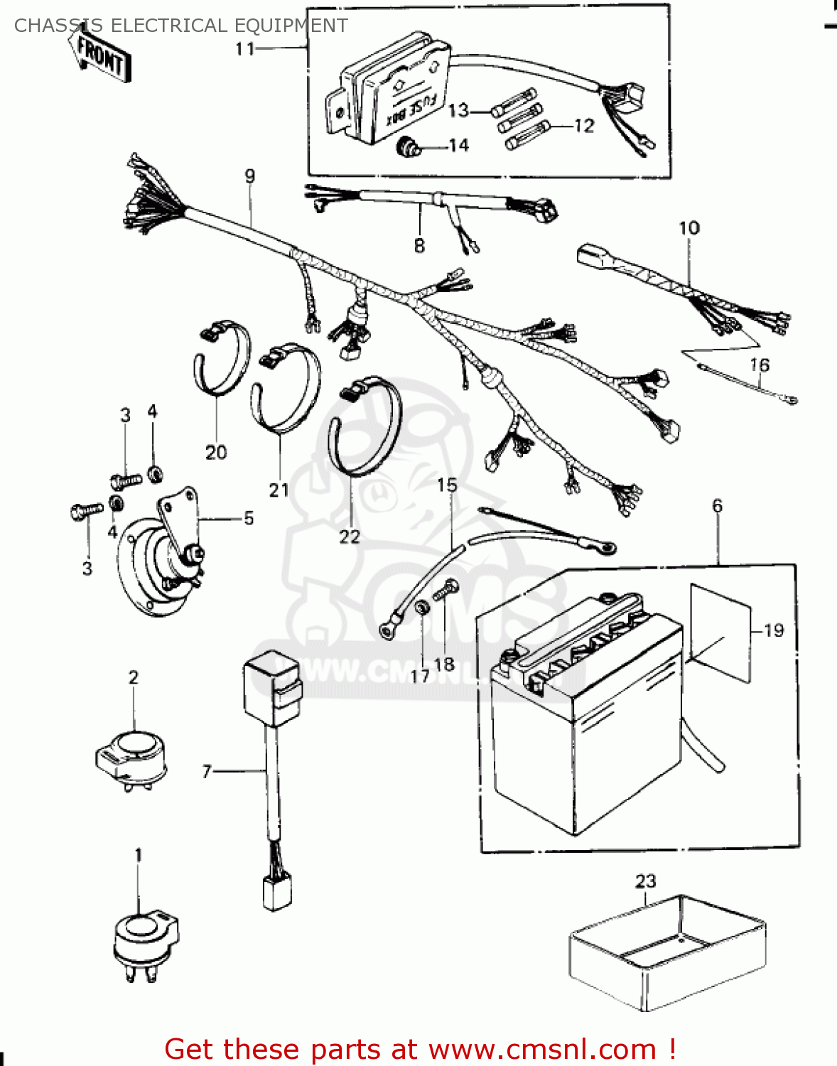
CHASSIS ELECTRICAL EQUIPMENT
KZ650F1 1980 USA CANADA
Chassis electrical equipment diagram KZ650F1 1980 USA CANADA
CHASSIS ELECTRICAL EQUIPMENT KZ650F1 1980 USA CANADA
×
prices are in EUR
ref
part #
description
quantity
1
27002011
ref: 1
RELAY-ASSY,TURN SIGNA
€ 69.50
2
27002016
ref: 2
RELAY-ASSY,HAZARD
€ 26.50
3
115G0816
ref: 3
BOLT-HEX,HEAD 8X16
€ 0.50
4
461F0800
ref: 4
WASHER-SPRING,8MM
€ 0.50
5
27003076
ref: 5
HORN
€ 84.00
6
260121010
ref: 6
BATTERY,12V 11AH
€ 75.00
7
28019001
ref: 7
SWITCH,OUTAGE INDICTR
€ 46.00
8
260011022
ref: 8
HARNESS,CENTER
€ 20.50
9
260011131
ref: 9
HARNESS,MAIN
€ 100.50
10
26002063
ref: 10
WIRING HARNESS, REAR
€ 20.00
11
260041002
ref: 11
FUSE-ASSY
€ 55.00
12
26006003
ref: 12
FUSE 10A
€ 3.00
13
26006005
ref: 13
FUSE 20A
€ 3.50
14
92075279
ref: 14
DAMPER,FUSE
€ 4.50
15
26010049
ref: 15
WIRE-LEAD,BATTERY GRO
€ 15.50
16
26011063
ref: 16
WIRE-LEAD,L=185
€ 5.00
17
461F0600
ref: 17
WASHER-SPRING,6MM
€ 0.50
18
92001137
ref: 18
BOLT,HEX HEAD,6M/M
€ 4.00
19
560401036
ref: 19
WARNING, BATTERY
€ 2.00
20
92072030
ref: 20
BAND,SHORT
€ 3.00
21
92072031
ref: 21
BAND,MIDDLE
€ 3.00
22
92072056
ref: 22
BAND,RUBBER
€ 3.00
23
32099015
ref: 23
CASE,BATTERY
€ 9.00
up
all assemblies
CRANKCASE
CRANKCASE BOLT & STUD PATTERN
CLUTCH
TRANSMISSION
CYLINDER HEAD COVER
CYLINDER HEAD
VALVES
CAMSHAFTS/CHAIN/TENSIONER
CYLINDER/PISTONS
CRANKSHAFT
SECONDARY SHAFT
CABLES
METERS
HEADLIGHT
TAILLIGHT
TURN SIGNALS
GEAR CHANGE DRUM & FORKS
GEAR CHANGE MECHANISM
KICKSTARTER MECHANISM
ENGINE COVERS
BREATHER COVER/OIL PAN
OIL PUMP/OIL FILTER
CARBURETOR ASSY
MUFFLERS
IGNITION
GENERATOR/REGULATOR
STARTER MOTOR/STARTER CLUTCH
FRAME
FRAME FITTINGS
BATTERY CASE/TOOL CASE
SWING ARM/SHOCK ABSORBERS
FOOTRESTS
STANDS
BRAKE PEDAL/TORQUE LINK
CARBURETOR PARTS
ACCELERATOR PUMP (USA)
AIR CLEANER
HANDLEBAR
FRONT FORK
FRONT MASTER CYLINDER
FRONT BRAKE
TIRES
FRONT WHEEL/HUB
REAR WHEEL/HUB/BRAKE/CHAIN
FENDERS
FUEL TANK
SIDE COVERS/CHAIN COVER
SEAT/SEAT COVER
IGNITION SWITCH/LOCKS/REFLECTORS
CHASSIS ELECTRICAL EQUIPMENT
LABELS
OWNER TOOLS
SPECIAL SERVICE TOOLS "A"
SPECIAL SERVICE TOOLS "B"
up