×
Genuine EN Kawasaki Parts delivered quickly!
home
EN400A2 VULCAN 1986 CANADA / LIQUID COOLED
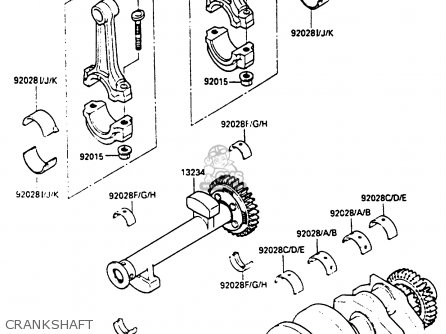
CRANKSHAFT
20 products
CLUTCH
18 products
TRANSMISSION
29 products
CHANGE DRUM/SHIFT FORK
12 products
GEAR CHANGE MECHANISM
28 products
CYLINDER HEAD
16 products
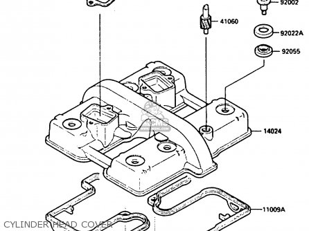
CYLINDER HEAD COVER
14 products
CYLINDER/PISTON
12 products
AIR FILTER
12 products
MUFFLER
26 products
VALVE
15 products
CAMSHAFT/TENSIONER
15 products
OIL PUMP
14 products
GENERATOR
8 products
IGNITION COIL
14 products
STARTER MOTOR
29 products
WATER PUMP
12 products
CRANKCASE
42 products
CRANKCASE BOLT PATTERN
6 products
ENGINE COVER
27 products
BREATHER BODY/OIL PAN
11 products
CARBURETOR
33 products
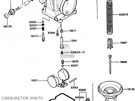
CARBURETOR PARTS
30 products
RADIATOR
43 products
TIRE
6 products
FRONT HUB
19 products
REAR HUB
29 products
BRAKE PEDAL
11 products
FRONT MASTER CYLINDER
20 products
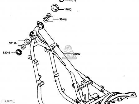
FRAME
9 products
FRAME FITTING
12 products
BATTERY CASE
21 products
SWING ARM/SHOCK ABSORBER
17 products
STEP
22 products
FENDER
22 products
STAND
10 products
SIDE COVER
10 products
HEAD LAMP
25 products
TAIL LAMP
21 products
TURN SIGNAL
10 products
ELECTRICAL EQUIPMENT
24 products
FRONT CALIPER
14 products
HANDLEBAR
24 products
FRONT FORK
33 products
FUEL TANK
24 products
SEAT
3 products
METER
29 products
CABLE
14 products
IGNITION SWITCH
22 products
TOOL
15 products
LABEL
8 products
PUBLICATIONS
0 products
MODEL IDENTIFICATION
0 products
up
popular products
920571188
CHAIN,CAMSHAFT,79RH20
Kawasaki
420361146
SLEEVE,RR HUB,L=33
Kawasaki
920551249
RING-O
Kawasaki
390621107
HOSE-COOLING
Kawasaki