×
Genuine Z Kawasaki Parts delivered quickly!
home
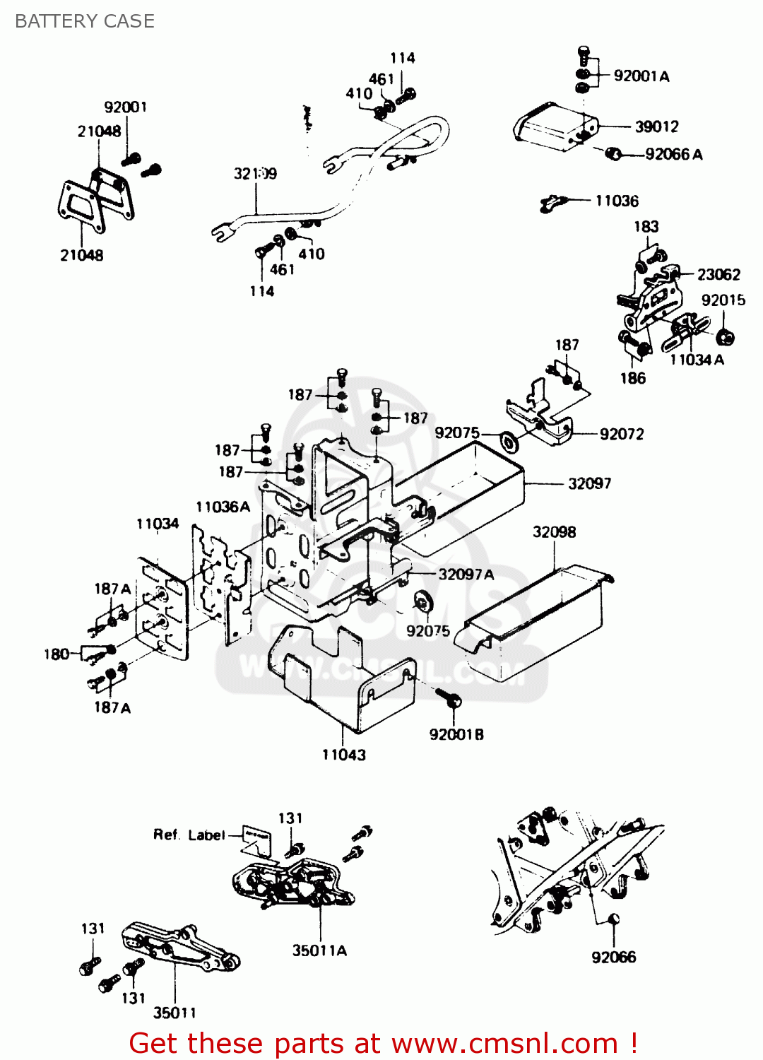
BATTERY CASE
Z1100R1 1984 EUROPE UK NR
Battery case diagram Z1100R1 1984 EUROPE UK NR
BATTERY CASE Z1100R1 1984 EUROPE UK NR
×
prices are in EUR
ref
part #
description
quantity
11034
110341918
ref: 11034
BRACKET,COUPLER
€ 14.50
11034A
110341923
ref: 11034A
BRACKET,LICENSE PLATE
€ 13.50
11036
110361070
ref: 11036
BRACKET-A,STORAGE
€ 7.00
11036A
110361783
ref: 11036A
BRACKET-A,COUPLER
€ 25.00
11043
110431313
ref: 11043
BRACKET,IGNITER
€ 8.50
21048
210481001
ref: 21048
PLATE-COIL
€ 14.00
23062
230621032
ref: 23062
BRACKET-COMP,TAIL LAM
€ 117.50
32097
320971034
ref: 32097
CASE-BATTERY,BOTTOM
€ 22.00
32097A
320971101
ref: 32097A
CASE-BATTERY
€ 60.00
32098
320981014
ref: 32098
CASE-TOOL
€ 24.00
32109
321091029
ref: 32109
GRIP-FRAME,BLACK
€ 129.50
35011
350111207
ref: 35011
STAY,MUFFLER,LH
€ 262.50
35011A
350111208
ref: 35011A
STAY,MUFFLER,RH
€ 285.00
39012
390121014
ref: 39012
CASE-STORAGE
€ 25.00
92001
92001137
ref: 92001
BOLT,HEX HEAD,6M/M
€ 4.00
92001A
920011763
ref: 92001A
BOLT,W/SP,6X16
€ 3.00
92001B
920011771
ref: 92001B
BOLT,6X12
€ 2.50
92015
920151193
ref: 92015
NUT,FLANGED,6MM
€ 0.50
92066
920661034
ref: 92066
PLUG,FRAME END
€ 3.50
92066A
92074038
ref: 92066A
PLUG,11X3.2
€ 4.50
92072
920721068
ref: 92072
BAND,BATTERY CASE
€ 17.00
92075
92075078
ref: 92075
DAMPER,RUBBER
€ 2.50
114
114C0870
ref: 114
BOLT-SMALL,8X70,BLACK
€ 3.00
131
131J0835
ref: 131
BOLT-FLANGED,8X35,BLA
€ 2.50
180
180B0610
ref: 180
BOLT-UPSET-WS
€ 0.50
183
183B0816
ref: 183
BOLT-UPSET-WS-SMALL
€ 0.50
186
186C0614
ref: 186
BOLT-UPSET-WP
€ 2.50
187
187B0614
ref: 187
BOLT-UPSET-WSP
€ 0.50
187A
187B0622
ref: 187A
BOLT-UPSET-WSP
€ 2.50
410
410F0800
ref: 410
WASHER-PLANE-SMALL,8M
€ 3.00
461
461K0800
ref: 461
WASHER-SPRING,8MM,BLA
€ 1.50
up
all assemblies
MODEL IDENTIFICATION
HANDLEBAR
FRONT FORK
COWLING
FUEL TANK
SEAT
SIDE COVER, CHAIN CASE
TIRE
FRONT HUB
REAR HUB
FENDER
METER
HEAD LAMP
TAIL LAMP
TURN SIGNAL
ELECTRICAL EQUIPMENT
IGNITION SWITCH, LOCK
BRAKE PEDAL
FRONT MASTER CYLINDER
FRONT CALIPER
REAR MASTER CYLINDER
REAR CALIPER
CABLE
TOOL
LABEL
CYLINDER HEAD COVER
CYLINDER HEAD
CAMSHAFT, TENSIONER
VALVE
CYLINDER, PISTON
CRANKSHAFT
CRANKCASE
CRANKCASE BOLT PATTERN
OIL PUMP
OIL COOLER
ENGINE COVER
BREATHER BODY, OIL PAN
AIR FILTER
CARBURETOR
CARIOURETOR PARTS
GENERATOR
IGNITION COIL
STARTER MOTOR
CLUTCH
TRANSMISSION
CHANGE DRUM, SHIFT FORK
GEAR CHANGE MECHANISM
MUFFLER
FRAME
FRAME FITTING
BATTERY CASE
SWING ARM
SUSPENSION
SHOCK ABSORBER
STEP
STAND
up