×
Genuine KZ Kawasaki Parts delivered quickly!
home
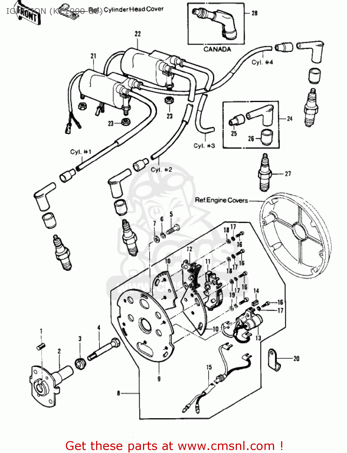
IGNITION (KZ1000-B3)
KZ1000B4 LTD 1980 USA CANADA
Ignition (kz1000-b3) diagram KZ1000B4 LTD 1980 USA CANADA
IGNITION (KZ1000-B3) KZ1000B4 LTD 1980 USA CANADA
×
prices are in EUR
ref
part #
description
quantity
1
555A0408
ref: 1
PIN-SPRING,4X8
€ 2.50
2
211481003
ref: 2
GOVERNOR-BREAKER
€ 141.50
3
92022244
ref: 3
WASHER,BREAKER GOVERN
€ 9.50
4
92001113
ref: 4
BOLT,SPARK ADVANCER
€ 19.50
5
220B0512
ref: 5
SCREW-PAN-CROS
€ 0.50
6
461F0500
ref: 6
WASHER-SPRING,5MM
€ 0.50
7
411B0500
ref: 7
WASHER-PLAIN,5MM
€ 0.50
8
21135011
ref: 8
BREAKER,CONTACT
€ 182.50
9
21021004
ref: 9
PLATE,CONTACT BREAKER
€ 39.50
10
21156010
ref: 10
PLATE,CONTACT BREAKER
€ 12.00
11
21008027
ref: 11
L MARK
BREAKER,CONTACT
€ 43.00
12
21008028
ref: 12
R MARK
BREAKER,CONTACT
€ 43.00
13
21013035
ref: 13
CONDENSER
€ 41.50
14
21019005
ref: 14
BRUSH,OIL
€ 3.00
15
21029037
ref: 15
WIRING HARNESS,MAIN
€ 34.50
16
220B0408
ref: 16
SCREW-PAN-CROS
€ 0.50
17
461F0400
ref: 17
WASHER-SPRING,4MM
€ 0.50
18
410B0400
ref: 18
WASHER-PLAIN-SMALL,4M
€ 0.50
19
410B0400
ref: 19
WASHER-PLAIN-SMALL,4M
€ 0.50
19
410B0400
ref: 19
WASHER-PLAIN-SMALL,4M
€ 0.50
20
21126008
ref: 20
CLAMP,WIRING HARNESS
€ 3.00
21
211211015
ref: 21
CYL NOS 1 & 4
IGNITION COIL,#1
€ 129.00
22
211211016
ref: 22
CYL NOS 2 & 3
IGNITION COIL,#2
€ 148.50
23
92017014
ref: 23
NUT,LOCK,6MM
€ 4.00
24
211601014
ref: 24
USA
CAP-ASSY-PLUG
€ 27.00
25
21132005
ref: 25
USA
GROMMET,SPARK PLUG CP
€ 2.50
26
21131004
ref: 26
USA
GROMMET,PLUG CAP
€ 7.00
27
B8ESA
ref: 27
NGK SPARK-PLUG B8ES
€ 3.00
27
B8ESA
ref: 27
NGK SPARK-PLUG B8ES
€ 3.00
27
W24ESUA
ref: 27
SPARK PLUG,W24ES-U
€ 1.50
28
21160005
ref: 28
CANADA
CAP-ASSY-PLUG
€ 29.00
up
all assemblies
CYLINDER HEAD COVER ('79-'80 B3/
CYLINDER HEAD ('79-'80 B3/B4)
CAMSHAFTS/VALVES ('79-'80 B3/B4)
CAM CHAIN/TENSIONER ('79-'80 B3/
CYLINDER/PISTONS/CRANKSHAFT ('79
CRANKCASE/BREATHER COVER ('79-'8
CRANKCASE BOLT & STUD PATTERN ('
CARBURETOR PARTS (KZ1000-B4)
AIR CLEANER ('79-'80 B3/B4)
MUFFLERS ('79-'80 B3/B4)
FRONT FORK ('79-'80 B3/B4)
FRONT MASTER CYLINDER ('79-'80 B
FRONT BRAKE ('79-'80 B3/B4)
REAR MASTER CYLINDER/BRAKE PEDAL
REAR MASTER CYLINDER/BRAKE PEDAL
ENGINE COVERS ('79-'80 B3/B4)
OIL PUMP/OIL FILTER/OIL PAN ('79
CARBURETOR ASSY (KZ1000-B3)
CARBURETOR PARTS (KZ1000-B3)
CARBURETOR ASSY (KZ1000-B4)
CYLINDER HEAD/COVER ('77-'78 B1/
CAMSHAFTS/VALVES ('77-'78 B1/B2)
CAM CHAIN/TENSIONER ('77-'78 B1/
CYLINDER/PISTONS/CRANKSHAFT ('77
CRANKCASE/BREATHER COVER ('77-'7
CRANKCASE BOLT & STUD PATTERN ('
CLUTCH ('77-'78 B1/B2)
IGNITION (KZ1000-B3)
IGNITION (KZ1000-B4)
GENERATOR/REGULATOR ('79-'80 B3/
STARTER MOTOR/STARTER CLUTCH ('7
OIL PAN/OIL PUMP/OIL FILTER ('77
CARBURETOR ASSY (KZ1000-B1)
CARBURETOR PARTS (KZ1000-B1)
CARBURETOR ASSY (KZ1000-B2)
CARBURETOR PARTS (KZ1000-B2)
AIR CLEANER ('77-'78 B1/B2)
MUFFLERS ('77-'78 B1/B2)
TRANSMISSION/CHANGE DRUM ('77-'7
GEAR CHANGE MECHANISM ('77-'78 B
KICKSTARTER MECHANISM ('77-'78 B
ENGINE COVERS ('77-'78 B1/B2)
FRONT MASTER CYLINDER (KZ1000-B2
FRONT BRAKE ('77-'78 B1/B2)
REAR MASTER CYLINDER/BRAKE PEDAL
REAR BRAKE ('77-'78 B1/B2)
FRONT WHEEL/TIRE/HUB ('77-'78 B1
FRAME/FRAME FITTINGS ('79-'80 B3
BATTERY CASE/TOOL CASE (KZ1000-B
BATTERY CASE/TOOL CASE (KZ1000-B
SWING ARM/SHOCK ABSORBERS ('79-'
FOOTRESTS/STAND ('79-'80 B3/B4)
HANDLEBAR ('79-'80 B3/B4)
FRAME/FRAME FITTINGS ('77-'78 B1
BATTERY CASE/TOOL CASE ('77-'78
SWING ARM/SHOCK ABSORBERS ('77-'
FOOTRESTS/STAND ('77-'78 B1/B2)
HANDLEBAR ('77-'78 B1/B2)
FRONT FORK ('77-'78 B1/B2)
FRONT MASTER CYLINDER (KZ1000-B1
CLUTCH ('79-'80 B3/B4)
TRANSMISSION ('79-'80 B3/B4)
GEAR CHANGE MECHANISM (KZ1000-B3
GEAR CHANGE MECHANISM (KZ1000-B4
KICKSTARTER MECHANISM ('79-'80 B
REAR BRAKE ('79-'80 B3/B4)
FRONT WHEEL/HUB/TIRE ('79-'80 B3
REAR WHEEL/HUB/TIRE/CHAIN ('79-'
FENDERS/SEAT COVER ('79-'80 B3/B
FUEL TANK ('79-'80 B3/B4)
SIDE COVERS ('79-'80 B3/B4)
SEAT/CHAIN COVER ('79-'80 B3/B4)
CABLES ('79-'80 B3/B4)
METERS/IGNITION SWITCH ('79-'80
HEADLIGHT (KZ1000-B3)
HEADLIGHT (KZ1000-B4)
TAILLIGHT ('79-'80 B3/B4)
REAR WHEEL/TIRE/HUB/CHAIN ('77-'
FENDERS/SEAT COVER ('77-'78 B1/B
FUEL TANK (KZ1000-B1)
FUEL TANK (KZ1000-B2)
SIDE COVERS (KZ1000-B1)
SIDE COVERS (KZ1000-B2)
SEAT/CHAIN COVER ('77-'78 B1/B2)
TURN SIGNALS ('79-'80 B3/B4)
CHASSIS ELECTRICAL EQUIPMENT ('7
OWNER TOOLS (KZ1000-B3)
OWNER TOOLS (KZ1000-B4)
CHASSIS ELECTRICAL EQUIPMENT ('7
OWNER TOOLS ('77-'78 B1/B2)
IGNITION ('77-'78 B1/B2)
GENERATOR/REGULATOR ('77-'78 B1/
STARTER MOTOR/STARTER CLUTCH ('7
CABLES ('77-'78 B1/B2)
METERS/IGNITION SWITCH ('77-'78
HEADLIGHT ('77-'78 B1/B2)
TAILLIGHT ('77-'78 B1/B2)
TURN SIGNALS ('77-'78 B1/B2)
up