Genuine unknown Kawasaki Parts delivered quickly!

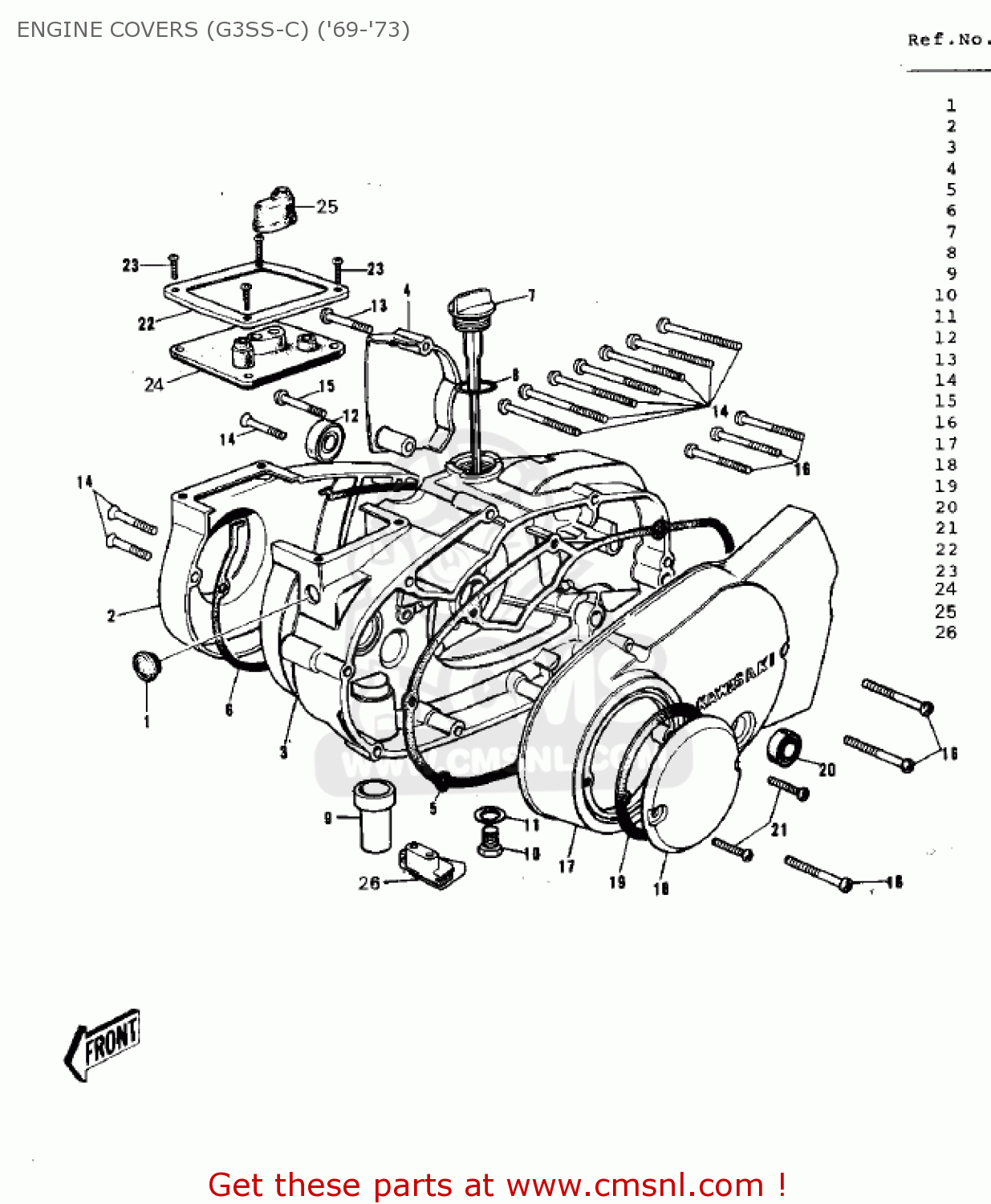
ENGINE COVERS (G3SS-C) ('69-'73)

G3TR BUSHMASTER 1969 USA CANADA

Engine covers (g3ss-c) ('69-'73) diagram G3TR BUSHMASTER 1969 USA CANADA

ENGINE COVERS (G3SS-C) ('69-'73) G3TR BUSHMASTER 1969 USA CANADA
ENGINE COVERS (G3SS-C) ('69-'73) G3TR BUSHMASTER 1969 USA CANADA
ENGINE COVERS (G3SS-C) ('69-'73) G3TR BUSHMASTER 1969 USA CANADA
prices are in EUR
ref
part #
description
quantity
1
14039001
ref: 1
CAP,RUBBER
14039001
€ 3.00

2
1403003775
ref: 2

LEAFING SILVER
COVER-CARB,L.SILVER
€ 14.00

3
1403207275
ref: 3

LEAFING SILVER
COVER-R.H ENG,SILVER
€ 87.50

4
1403000675
ref: 4

LEAFING SILVER
COVER-OIL PUMP,SILVER
€ 8.50

5
110601198
ref: 5
GASKET,CLUTCH COVER (NAS)
110601198
€ 17.00

6
14048001
ref: 6
GASKET-CARB COVER (MCA)
14048001
€ 16.00

7
16115018
ref: 7
PLUG,OIL FILLER
16115018
€ 7.00

8
92055026
ref: 8
'O' RING-OIL FIL PLUG
92055026
€ 1.50

9
16116002
ref: 9
DRAIN-FUEL
16116002
€ 9.00

10
92067001
ref: 10
PLUG-OIL DRAIN
92067001
€ 3.00

11
92065058
ref: 11
GASKET, 10,5X16X1 (NAS)
92065058
€ 2.50

12
653B142507
ref: 12
OIL SEAL,TB14257
653B142507
€ 14.50

13
220B0625
ref: 13
SCREW-PAN HEAD,6X25
220B0625
€ 1.50

14
220B0630
ref: 14
SCREW-PAN HEAD,6X30
220B0630
€ 2.50

15
220B0635
ref: 15
SCREW-PAN HEAD,6X35
220B0635
€ 1.00

16
220B0645
ref: 16
SCREW-PAN HEAD,6X45
220B0645
€ 2.50

17
1403104075
ref: 17

LEAFING SILVER
COVER-L.H ENG,SILVER
1403104075
€ 28.50

18
1402700779
ref: 18

CR-PLATED
COVER-BRK POINT,CR
1402700779
€ 16.00

19
14050002
ref: 19
GASKET-BREAKER COVER (MCA)
14050002
€ 9.50

20
920491249
ref: 20
SEAL-OIL
920491249
€ 6.50

21
220B0612
ref: 21
SCREW-PAN HEAD,6X12
220B0612
€ 1.00

22
14065004
ref: 22
HOLDER-CARBURETOR CAP
14065004
€ 7.00

23
220B0510
ref: 23
SCREW-PAN-CROS,5X10
220B0510
€ 0.50

24
14038032
ref: 24

NOT REQUIRED FOR CAR
CAP-CARBURETOR
14038032
€ 5.50

25
14038006
ref: 25

NOT REQUIRED FOR CAR
BOOT,CARBURETOR CAP
14038006
€ 5.50

26
16136001
ref: 26
GROMMET-OVERFLOW PIPE
16136001
€ 2.00

all assemblies