Genuine unknown Kawasaki Parts delivered quickly!

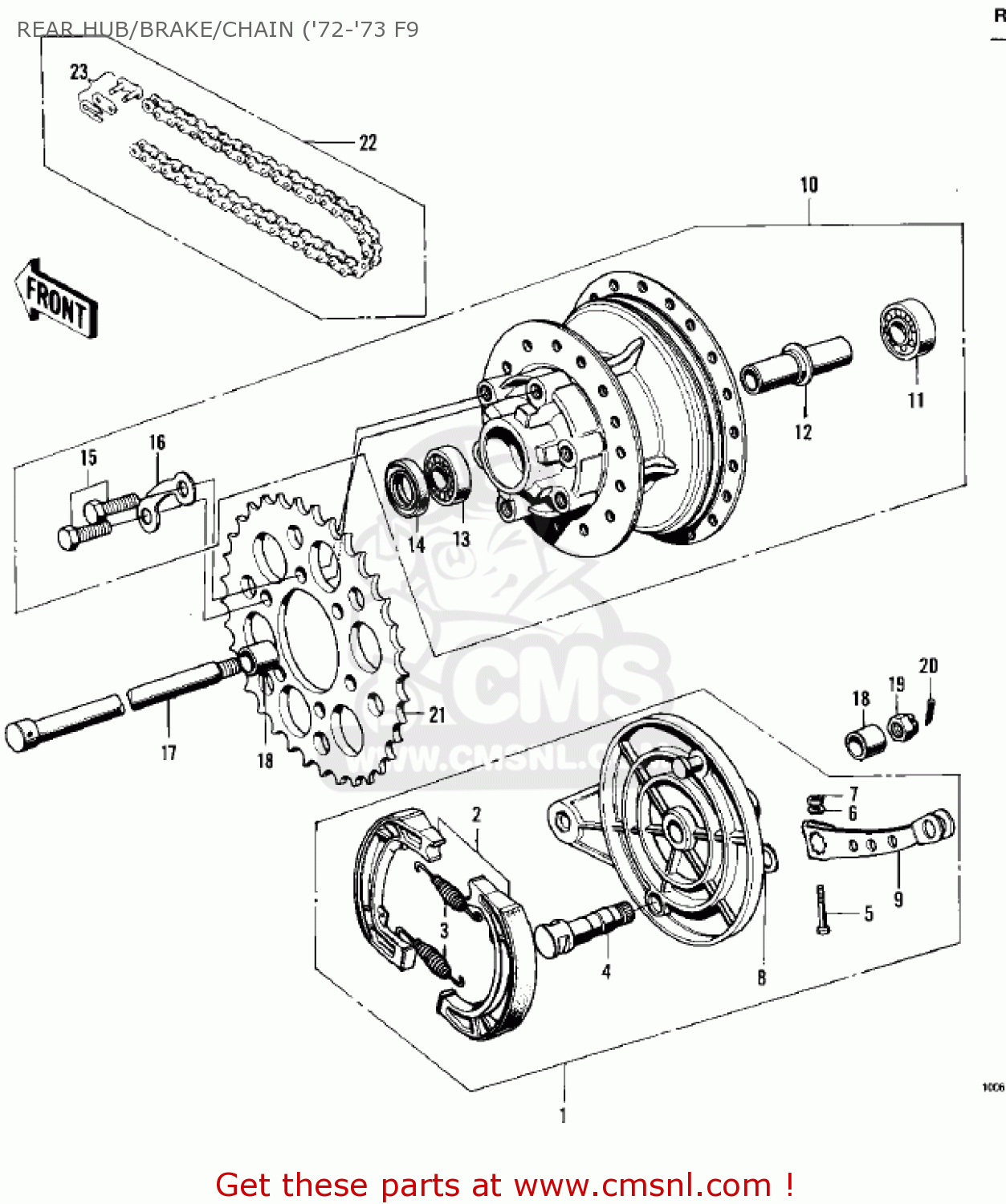
REAR HUB/BRAKE/CHAIN ('72-'73 F9

F9C 1975 USA CANADA

Rear hub/brake/chain ('72-'73 f9 diagram F9C 1975 USA CANADA

REAR HUB/BRAKE/CHAIN ('72-'73 F9 F9C 1975 USA CANADA
REAR HUB/BRAKE/CHAIN ('72-'73 F9 F9C 1975 USA CANADA
REAR HUB/BRAKE/CHAIN ('72-'73 F9 F9C 1975 USA CANADA
prices are in EUR
ref
part #
description
quantity
1
4200601621
ref: 1

F9
REAR BRAKE PANEL ASSEMBLY,FLAT BLACK
€ 358.00

1
4200601621
ref: 1

F9-A
REAR BRAKE PANEL ASSEMBLY,FLAT BLACK
€ 358.00

2
42019011
ref: 2
SHOE,BRAKE (MCA)
42019011
€ 18.50

2
42019011
ref: 2
SHOE,BRAKE (MCA)
42019011
€ 18.50

3
42020004
ref: 3
SPRING-BRAKE SHOE
42020004
€ 5.50

4
42026021
ref: 4
CAM-BRAKE
42026021
€ 19.00

4
42026021
ref: 4
CAM-BRAKE
42026021
€ 19.00

5
112G0640
ref: 5
BOLT-UPSET,6X40
€ 2.50

6
411B0600
ref: 6
WASHER-PLAIN,6MM
411B0600
€ 0.50

7
311B0600
ref: 7
NUT,6MM
311B0600
€ 0.50

8
41051001
ref: 8
DUST SHIELD-BRAKE CAM
41051001
€ 2.50

9
42029037
ref: 9
LEVER,REAR BRAKE CAM
42029037
€ 27.50

9
42029037
ref: 9
LEVER,REAR BRAKE CAM
42029037
€ 27.50

10
42005028
ref: 10
DRUM ASSY-REAR BRAKE
€ 153.00

10
4200503980
ref: 10
REAR BRAKE DRUM ASSEMBLY,BUFF
€ 705.00

11
601B6303Z
ref: 11
BEARING-BALL,#6303ZC3
601B6303Z
€ 17.50

12
42010015
ref: 12

L=116 MM
SPACER-RR HUB BEARING
42010015
€ 9.50

13
601B6303
ref: 13
BEARING-BALL,#6303C3
601B6303
€ 24.00

14
654A254708
ref: 14
OIL SEAL-FRONT AXLE
654A254708
€ 17.00

15
92001087
ref: 15
BOLT-HEX HEAD,10X25
92001087
€ 3.00

16
92088007
ref: 16
WASHER,LOCK
92088007
€ 8.00

17
42031030
ref: 17
AXLE-REAR
€ 33.00

17
42031036
ref: 17
AXLE,REAR
42031036
€ 61.00

18
42032031
ref: 18
COLLAR-REAR AXLE
42032031
€ 7.00

19
42045014
ref: 19
NUT CASTLE, 16M/M
42045014
€ 6.50

20
550D4035
ref: 20
PIN-COTTER,4.0X35
550D4035
€ 1.00

21
42041080
ref: 21

STD F9
REAR SPROCKET 41T
€ 49.00

21
42041111
ref: 21

STD F9-A
REAR SPROCKET 41T
42041111
€ 52.50

21
42041089
ref: 21

OPTION
REAR SPROCKET 43T
€ 41.50

21
42041112
ref: 21

OPTION
REAR SPROCKET 43T
€ 52.00

21
42041088
ref: 21

OPTION
REAR SPROCKET
€ 43.00

21
42041113
ref: 21

OPTION
REAR SPROCKET 45T
€ 75.00

21
42041090
ref: 21

OPTION
REAR SPROCKET 47T
€ 62.50

21
42041114
ref: 21

OPTION
REAR SPROCKET,47T
42041114
€ 254.50

22
695Z5294
ref: 22

F9
UNAVAILABLE IN PRICE BOOK
€ 26.50

22
92057029
ref: 22

SPECIAL GREASE
CHAIN ASSY,DRIVE,94L
€ 26.50

22
695X5292
ref: 22

F9-A SPECIAL GREASE
CHAIN ASSY-DRIVE 92L
€ 31.00

23
92058006
ref: 23
JOINT-DRIVE CHAIN
92058006
€ 4.00

all assemblies