×
Genuine unknown Kawasaki Parts delivered quickly!
home
F5 BIG HORN 1970 USA
ENGINE COVERS
42 products
OIL PUMP
15 products
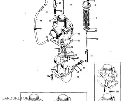
CARBURETOR
54 products
AIR CLEANER/MUFFLER
33 products
WHEELS/TIRES
28 products
FRONT HUB/BRAKE
28 products
REAR HUB/BRAKE/CHAIN
42 products
FENDERS
30 products
FUEL TANK
23 products
CYLINDER HEAD/CYLINDER
18 products
CRANKSHAFT/PISTON/ROTARY VALVE
33 products
CRANKCASE
41 products
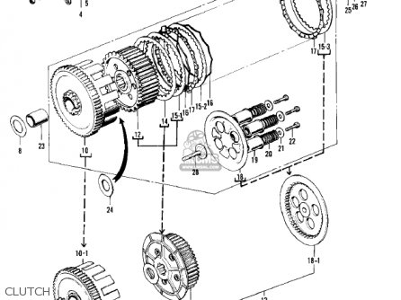
CLUTCH
40 products
TRANSMISSION/CHANGE DRUM
51 products
GEAR CHANGE MECHANISM
17 products
KICKSTARTER MECHANISM
33 products
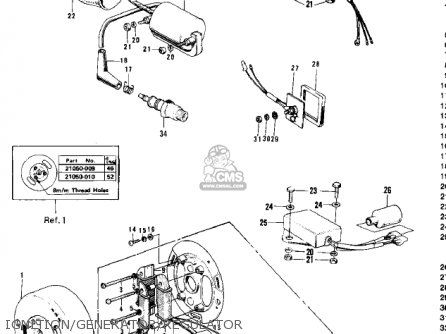
IGNITION/GENERATOR/REGULATOR
40 products
FRAME/FRAME FITTINGS
36 products
SWING ARM/SHOCK ABSORBERS
37 products
FOOTRESTS/STAND/BRAKE PEDAL
26 products
HANDLEBAR
58 products
FRONT FORK
63 products
OIL TANK
24 products
SEAT/CHAIN COVER
20 products
CABLES
12 products
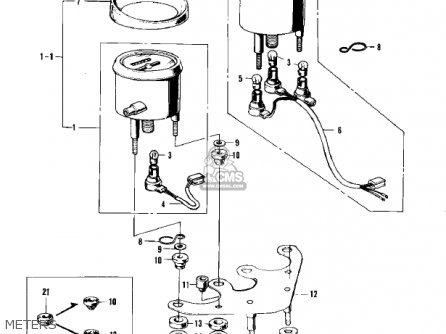
METERS
22 products
HEADLIGHT
19 products
TAILLIGHT
36 products
CHASSIS ELECTRICAL EQUIPMENT
34 products
OWNER TOOLS/SPECIAL SERVICE TOOL
17 products
OPTIONAL PARTS
44 products
up
popular products
92042020
PIN-GEAR CHANGE DRUM
Kawasaki
601B6305
BEARING-BALL,#6305C3
Kawasaki
16013003
SPRING-STARTER PLUNG
Kawasaki
41028036
SPOKE ASSEMBLY,OUTER
Kawasaki