×
Genuine Z Kawasaki Parts delivered quickly!
home
Z440D6 1984 EUROPE UK SD WG
HANDLEBAR
34 products
FRONT FORK
35 products
FUEL TANK
25 products
SEAT
21 products
SIDE COVER/CHAIN CASE
7 products
TIRE
7 products
FRONT HUB
19 products
REAR HUB
32 products
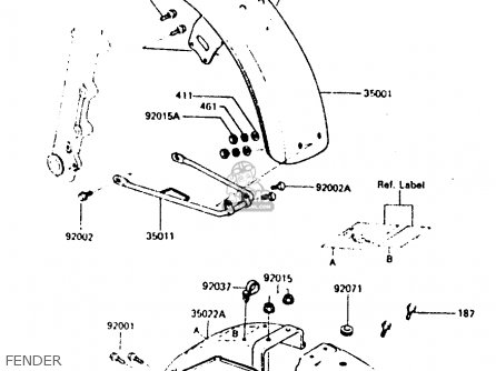
FENDER
17 products
METER
34 products
HEAD LAMP
18 products
TAIL LAMP
15 products
TURN SIGNAL
19 products
ELECTRICAL EQUIPMENT
24 products
IGNITION SWITCH/LOCK
28 products
BRAKE PEDAL/TORQUE ROD
18 products
FRONT MASTER CYLINDER
21 products
FRONT CALIPER
17 products
CABLE
5 products
TOOL
15 products
LABEL
10 products
CYLINDER HEAD
23 products
CYLINDER HEAD COVER
18 products
CAMSHAFT/TENSIONER
20 products
VALVE
14 products
CYLINDER/PISTON
11 products
CRANKSHAFT
26 products
CRANKCASE
28 products
CRANKCASE BOLT PATTERN
6 products
OIL PUMP
20 products
ENGINE COVER
19 products
AIR FILTER
17 products
CARBURETOR
40 products
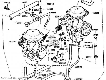
CARBURETOR "A"
40 products
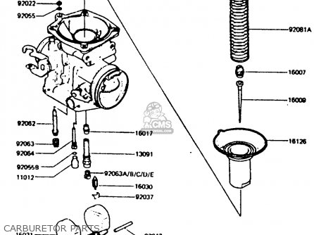
CARBURETOR PARTS
31 products
CARBURETOR PARTS "A"
32 products
GENERATOR
11 products
IGNITION COIL
15 products
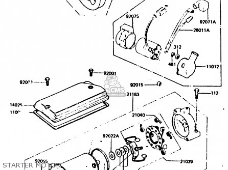
STARTER MOTOR
32 products
CLUTCH
24 products
TRANSMISSION
35 products
CHANGE DRUM/SHIFT FORK
18 products
GEAR CHANGE MECHANISM
13 products
MUFFLER
14 products
FRAME
11 products
FRAME FITTING
19 products
BATTERY CASE
17 products
SWING ARM/SHOCK ABSORBER
19 products
STEP
15 products
STAND
13 products
MODEL IDENTIFICATION
0 products
up
popular products
16019024
O RING,FLOAT CHAMBER
Kawasaki
42020004
SPRING-BRAKE SHOE
Kawasaki
12007013
SPRING,OUTER VALVE
Kawasaki
920451045
BEARING-BALL,16005
Kawasaki