×
Genuine KZ Kawasaki Parts delivered quickly!
home
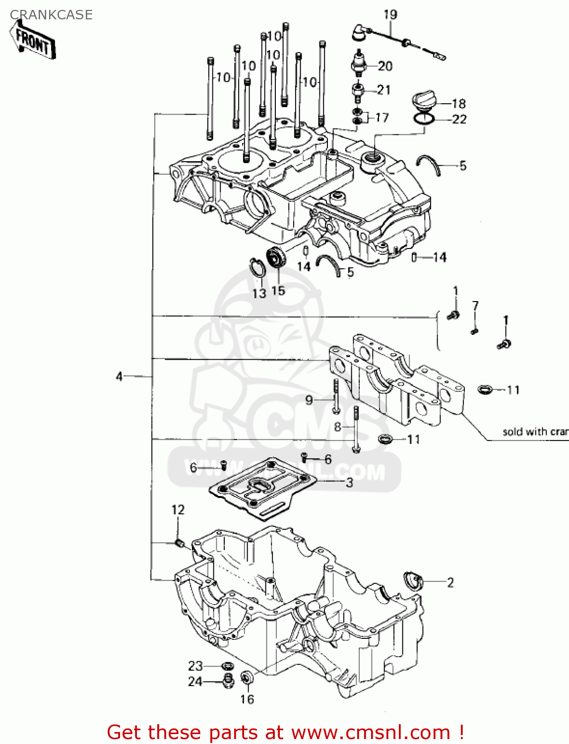
CRANKCASE
KZ400H1 1979 USA CANADA / MPH KPH
Crankcase diagram KZ400H1 1979 USA CANADA / MPH KPH
CRANKCASE KZ400H1 1979 USA CANADA / MPH KPH
×
prices are in EUR
ref
part #
description
quantity
1
130P0608
ref: 1
*
BOLT,FLANGED,6X8
€ 1.00
2
130451001
ref: 2
RECEIVER-OIL
€ 10.00
3
131691103
ref: 3
PLATE,CRANKCASE
€ 6.00
4
140015087
ref: 4
SET-CRANKCASE
€ 859.50
5
14013004
ref: 5
RING-BEARING SETTING
€ 7.00
6
220B0612
ref: 6
SCREW-PAN HEAD,6X12
€ 1.00
7
290Q0606
ref: 7
*
SCREW,6X6
€ 3.00
8
920011004
ref: 8
*
BOLT,FLANGED,10X91
€ 6.50
8
920011004
ref: 8
BOLT,FLANGED,10X91
€ 6.50
9
920011005
ref: 9
BOLT,FLANGED,8X58
€ 5.00
10
92004062
ref: 10
*
STUD, 10X153
€ 13.50
11
92055048
ref: 11
RING-O,OD=18
€ 3.00
12
92066059
ref: 12
*
PLUG,PT1/8X7
€ 3.00
13
481J3600
ref: 13
CIRCLIP-TYPE-C,36MM
€ 2.50
14
92042016
ref: 14
PIN,DOWEL,6X16
€ 3.50
15
920491041
ref: 15
OIL SEAL,PUSH ROD
€ 13.00
16
92051005A
ref: 16
OIL SEAL,TB13225.5
€ 5.50
17
110091105
ref: 17
GASKET,10X14.5X1.5 (NAS)
€ 4.00
18
16115013
ref: 18
PLUG-OIL FILLER
€ 13.50
19
260111078
ref: 19
WIRE-LEAD,OIL SWITCH
€ 12.50
20
270101157
ref: 20
SWITCH,OIL PRESSURE
€ 27.50
21
920011020
ref: 21
BOLT,OIL,SWITCH
€ 8.00
22
92055049
ref: 22
'0'RING,31MM
€ 2.50
23
92065097
ref: 23
GASKET,DRAIN PLUG BOL (NAS)
€ 1.00
24
920661174
ref: 24
PLUG,OIL DRAIN,12X15
€ 4.00
up
all assemblies
REAR WHEEL/HUB/BRAKE/CHAIN
FENDERS
FUEL TANK
SIDE COVERS/CHAIN COVER
SEAT
CABLES
METERS
OWNER TOOLS
SPECIAL SERVICE TOOLS "A"
SPECIAL SERVICE TOOLS "B"
AIR CLEANER
MUFFLERS
IGNITION/GENERATOR/REGULATOR
STARTER MOTOR/STARTER CLUTCH
HEADLIGHT
TAILLIGHT
TURN SIGNALS
IGNITION SWITCH
CHASSIS ELECTRICAL EQUIPMENT
CYLINDER HEAD COVER
CYLINDER HEAD
ROCKER ARMS/VALVES
CAMSHAFT/CHAIN/TENSIONER
CYLINDER/PISTONS
CRANKSHAFT/BALANCER
CRANKCASE
GEAR CHANGE MECHANISM
KICKSTARTER MECHANISM
ENGINE COVERS
OIL PUMP/OIL FILTER
CARBURETOR ASSY
CARBURETOR PARTS
CRANKCASE BOLT & STUD PATTERN
CLUTCH
TRANSMISSION
GEAR CHANGE DRUM/FORKS
FRONT FORK
FRONT MASTER CYLINDER
FRONT BRAKE
TIRES
FRONT WHEEL/HUB
FRAME/FRAME FITTINGS
BATTERY CASE
SWING ARM/SHOCK ABSORBERS
FOOTRESTS
STANDS
BRAKE PEDAL/TORQUE LINK
HANDLEBAR
up