×
Genuine KLX Kawasaki Parts delivered quickly!
home
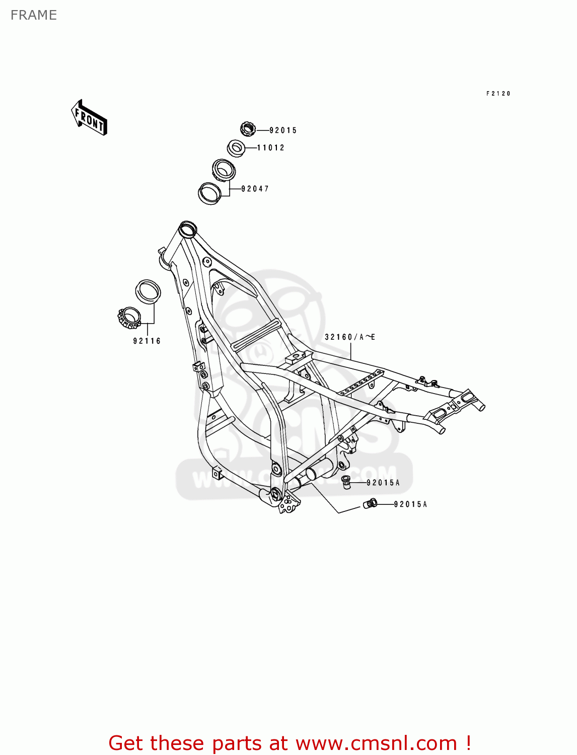
FRAME
KLX650C1 1993 USA CALIFORNIA
Frame diagram KLX650C1 1993 USA CALIFORNIA
FRAME KLX650C1 1993 USA CALIFORNIA
×
prices are in EUR
ref
part #
description
quantity
11012
110121762
ref: 11012
CAP,STEERING STEM
€ 4.00
32160
321601277KT
ref: 32160
US
FRAME-COMP,P.GREEN
€ 1,304.00
32160C
321601300KT
ref: 32160C
CA
FRAME,COMPLETE,DARK GREEN
€ 1,099.50
92015
920151546
ref: 92015
NUT,25MM,T=12
€ 14.50
92015A
920151791
ref: 92015A
NUT,POP,6MM
€ 3.00
92047
92047017
ref: 92047
CONE,STRNG,STEM
€ 49.50
92116
921161069
ref: 92116
BEARING-ROLLER
€ 69.50
up
all assemblies
CYLINDER HEAD
CYLINDER HEAD COVER
CYLINDER/PISTON(S)
AIR CLEANER
MUFFLER(S)
VALVE(S)
CAMSHAFT(S)/TENSIONER
CRANKSHAFT
BALANCER
CLUTCH
TRANSMISSION
GEAR CHANGE DRUM/SHIFT FORK(S)
GEAR CHANGE MECHANISM
CRANKCASE
ENGINE COVER(S)
CARBURETOR
FUEL EVAPORATIVE SYSTEM
OIL PUMP
GENERATOR
IGNITION SYSTEM
STARTER MOTOR
WATER PUMP
RADIATOR
FRAME
FRAME FITTINGS
SWINGARM
REAR SUSPENSION
FOOTRESTS
FENDERS
STAND(S)
WHEELS/TIRES
FRONT HUB
REAR HUB
BRAKE PEDAL
SHOCK ABSORBER(S)
FRONT MASTER CYLINDER
FRONT BRAKE
REAR MASTER CYLINDER
REAR BRAKE
HANDLEBAR
FRONT FORK
FUEL TANK
SEAT
METER(S)
CABLES
SIDE COVERS/CHAIN COVER
HEADLIGHT(S)
TAILLIGHT(S)@(&NAMI.JKALXEC1 SA021309)
TURN SIGNALS
CHASSIS ELECTRICAL EQUIPMENT
IGNITION SWITCH
OWNER'S TOOLS
LABELS
DECALS(EBONY)(KLX650-C1/C2)
1993 KLX650-C1 H8 EBONY
1994 KLX650-C2 H8 EBONY
1995 KLX650-C3 H1 SUNBEAM RED
1996 KLX650-C4 H1 SUNBEAM RED
Publications
Model Identification
up