×
Genuine KH Kawasaki Parts delivered quickly!
home
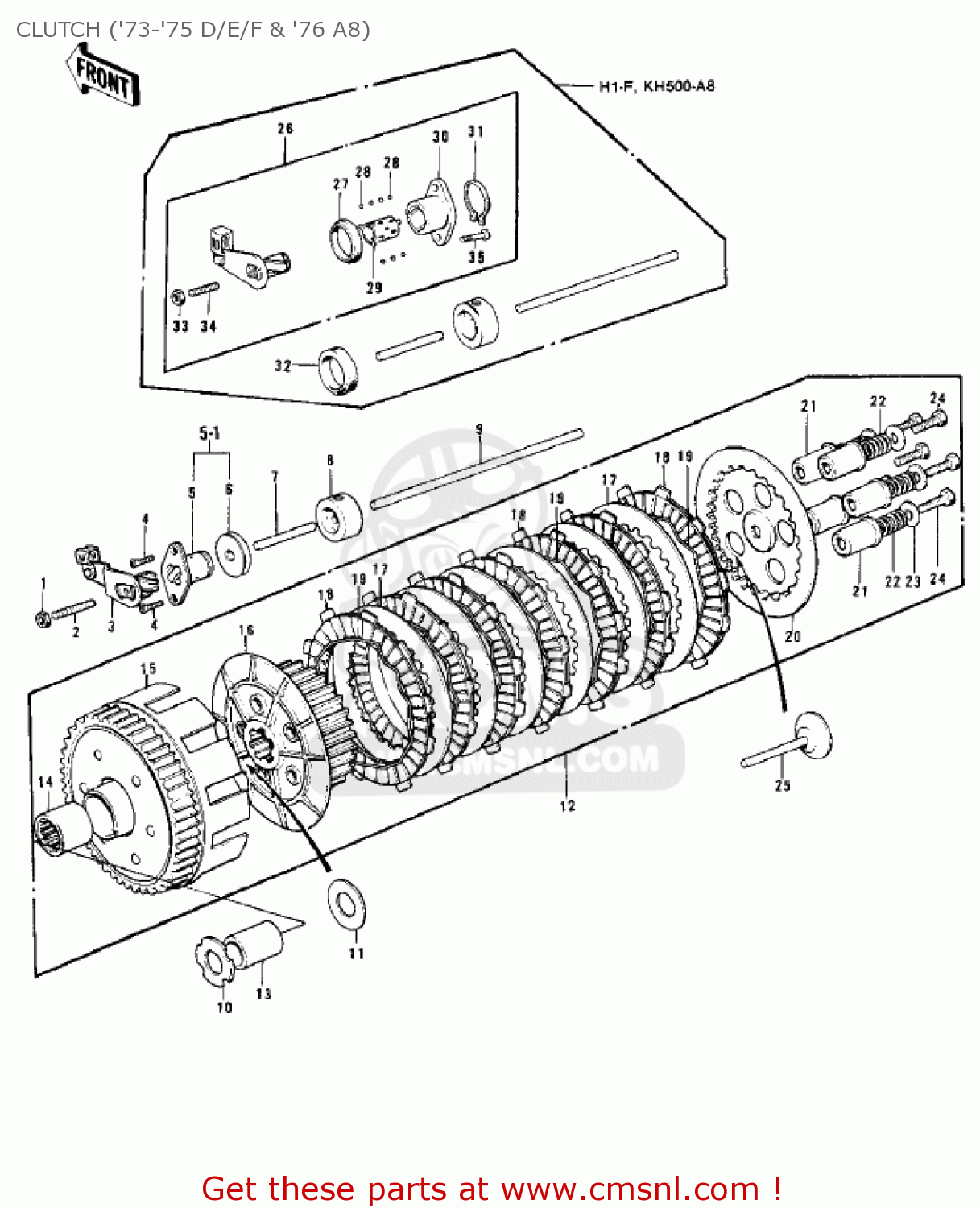
CLUTCH ('73-'75 D/E/F & '76 A8)
KH500A8 1976 CANADA
Clutch ('73-'75 d/e/f & '76 a8) diagram KH500A8 1976 CANADA
CLUTCH ('73-'75 D/E/F & '76 A8) KH500A8 1976 CANADA
×
prices are in EUR
ref
part #
description
quantity
1
311B0600
ref: 1
H1-D/E
NUT,6MM
€ 0.50
2
291Z0625
ref: 2
H1-D/E
SCREW-SLOTTED,6X25
€ 3.50
3
13102017
ref: 3
H1-D/E
INNER,CLUTCH RELEASE
€ 29.00
4
221B0616
ref: 4
H1-D/E
SCREW-CNTSNK HD,6X16
€ 0.50
5
13118008
ref: 5
H1-D/E
OUTER,CLUTCH RELEASE
€ 16.00
5-1
13231010
ref: 5-1
H1-D/E
RELEASE ASSY,CLUTCH
€ 35.00
6
92050025
ref: 6
H1-D/E
OIL SEAL SC7317
€ 8.50
7
13116010
ref: 7
L=49 MM
ROD-CLUTCH PUSH SHORT
€ 10.50
8
92028070
ref: 8
BUSH-CLUTCH PUSH ROD
€ 18.50
9
13116009
ref: 9
L=167.5 MM
ROD-CLUTCH PUSH LONG
€ 4.50
10
92022119
ref: 10
WASHER-THRUST
€ 4.50
11
92026022
ref: 11
SPACER,25.5X47X2.5
€ 6.50
12
13081071
ref: 12
H1-D
CLUTCH ASSY
€ 571.50
12
13081071
ref: 12
H1-E/F, KH500-A8
CLUTCH ASSY
€ 571.50
13
92028081
ref: 13
BUSH
€ 6.50
14
92046004
ref: 14
BEARING,#TLA3030ZC
€ 12.50
15
13095018
ref: 15
HOUSING-CLUTCH
€ 152.50
16
13087030
ref: 16
HUB-CLUTCH
€ 51.00
17
13089013
ref: 17
PLATE-CLUTCH,T=1.6 (NAS)
€ 6.50
18
13088015
ref: 18
H1-D
PLATE-CLUTCH FRICTION
€ 11.50
18
13088015
ref: 18
H1-E
PLATE-CLUTCH FRICTION
€ 11.50
18
130881008
ref: 18
H1-F, KH500-A8
PLATE,CLUTCH FRICTION (MCA)
€ 11.50
19
13229003
ref: 19
RING-CLUTCH STEEL
€ 7.50
20
13187005
ref: 20
PLATE-CLUTCH SPRING (NAS)
€ 26.50
21
13092005
ref: 21
GUIDE-CLUTCH SPRING
€ 7.50
22
92081042
ref: 22
SPRING-CLUTCH
€ 4.50
23
13091009
ref: 23
HOLDER-CLUTCH SPRING
€ 2.50
24
112G0618
ref: 24
BOLT-UPSET
€ 0.50
25
13116011
ref: 25
PUSHER-CLTCH SPRG PLT
€ 23.00
26
132311001
ref: 26
H1-F, KH500-A8
RELEASE ASSY,CLUTCH
€ 34.00
27
92056007
ref: 27
H1-F, KH500-A8
OIL SEAL
€ 7.00
28
600A0400
ref: 28
H1-F, KH500-A8
BALL-STEEL,1/8
€ 2.00
29
13197006
ref: 29
H1-F, KH500-A8
RETAINER
€ 6.50
30
13118015
ref: 30
H1-F, KH500-A8
OUTER,CLUTCH RELEASE
€ 20.50
31
480J1500
ref: 31
H1-F, KH500-A8
CIRCLIP-TYPE-C,15MM
€ 1.00
32
92050070
ref: 32
H1-F, KH500-A8
OIL SEAL
€ 15.00
33
311B0600
ref: 33
H1-F, KH500-A8
NUT,6MM
€ 0.50
34
291Z0625
ref: 34
H1-F, KH500-A8
SCREW-SLOTTED,6X25
€ 3.50
35
220B0616
ref: 35
H1-F, KH500-A8
SCREW-PAN HEAD,6X16
€ 2.50
up
all assemblies
CYLINDER HEADS/CYLINDERS ('73-'7
CRANKSHAFT/PISTONS ('73-'75 D/E/
CRANKCASE ('73-'75 D/E/F & '76 A
CLUTCH ('73-'75 D/E/F & '76 A8)
TRANSMISSION/CHANGE DRUM ('73-'7
GEAR CHANGE MECHANISM ('73-'75 D
KICKSTARTER MECHANISM ('69-'72 H
ENGINE COVERS (H1/A/C)
ENGINE COVERS (H1-B)
CYLINDER HEADS/CYLINDERS ('69-'7
CRANKSHAFT/PISTONS ('69-72 H1/A/
CRANKCASE ('69-'72 H1/A/B/C)
CLUTCH ('69-'72 H1/A/B/C)
TRANSMISSION/CHANGE DRUM ('69-'7
GEAR CHANGE MECHANISM ('69-'72 H
FRONT FORK (H1/A/C)
FRONT FORK (H1-B)
TURN SIGNALS (H1/A OPTIONAL)
TURN SIGNALS (H1-B/C)
CHASSIS ELECTRICAL EQUIPMENT (H1
CHASSIS ELECTRICAL EQUIPMENT (H1
OWNER TOOLS ('69-'72 H1/A/B/C)
AIR CLEANER (H1-D/E/F)
AIR CLEANER (KH500-A8)
MUFFLERS ('73-'75 D/E/F & '76 A8
IGNITION/GENERATOR/REGULATOR (H1
IGNITION/GENERATOR/REGULATOR (H1
OIL PUMP ('69-'72 H1/A/B/C)
CARBURETORS ('69-'72 H1/A/B/C)
AIR CLEANER (H1/A/C)
AIR CLEANER (H1-B)
MUFFLERS ('69-'72 H1/A/B/C)
IGNITION/GENERATOR/REGULATOR (H1
SIDE COVERS/OIL TANK/CHAIN COVER
SEAT/SEAT COVER ('73-'75 D/E/F &
CABLES ('73-'75 D/E/F & '76 A8)
FRAME/FRAME FITTINGS ('73-'75 D/
SWING ARM/SHOCK ABSORBERS ('73-'
FOOTRESTS/STANDS/BRAKE PEDAL ('7
HANDLEBAR ('73-'75 D/E/F & '76 A
FRAME/FRAME FITTINGS ('69-'72 H1
SWING ARM/SHOCK ABSORBERS ('69-'
FOOTRESTS/STANDS/BRAKE PEDAL ('6
HANDLEBAR (H1/A/C)
HANDLEBAR (H1-B)
FRONT BRAKE (KH500-A8)
WHEELS/TIRES ('73-'75 D/E/F & '7
FRONT HUB (H1-D/E/F)
FRONT HUB (KH500-A8)
REAR HUB/BRAKE/CHAIN ('73-'75 D/
FENDERS ('73-'75 D/E/F & '76 A8)
FUEL TANK ('73-'75 D/E/F & '76 A
FRONT MASTER CYLINDER (H1-B)
FRONT BRAKE (H1-B)
WHEELS/TIRES ('69-'72 H1/A/B/C)
FRONT HUB/BRAKE (H1/A/C)
FRONT HUB (H1-B)
REAR HUB/BRAKE/CHAIN ('69-'72 H1
FENDERS (H1/A/C)
IGNITION/GENERATOR/REGULATOR (H1
METERS/IGNITION SWITCH ('73-'75
HEADLIGHT (H1-D/E/F)
HEADLIGHT (KH500-A8)
TAILLIGHT ('73-'75 D/E/F & '76 A
TURN SIGNALS ('73-'75 D/E/F & '7
CHASSIS ELECTRICAL EQUIPMENT (H1
CHASSIS ELECTRICAL EQUIPMENT (KH
SEAT ('69-'72 H1/A/B/C)
CABLES ('69-'72 H1/A/B/C)
FENDERS (H1-B)
METERS (H1/A/C)
FUEL TANK ('69-'72 H1/A/B/C)
METERS (H1-B)
HEADLIGHT ('69-'72 H1/A/B/C)
OIL TANK ('69-'72 H1/A/B/C)
TAILLIGHT (H1/A)
SIDE COVER/CHAIN COVER ('69-'72
TAILLIGHT (H1-B/C)
KICKSTARTER MECHANISM ('73-'75 D
ENGINE COVERS ('73-'75 D/E/F & '
OIL PUMP ('73-'75 D/E/F & '76 A8
CARBURETORS ('73-'75 D/E/F & '76
OPTIONAL PARTS ('69-'72 H1/A/B/C
OPTIONAL PARTS (H1-B)
FRONT FORK ('73-'75 D/E/F & '76
FRONT MASTER CYLINDER (H1-D/E/F)
FRONT MASTER CYLINDER (KH500-A8)
FRONT BRAKE (H1-D/E/F)
up