×
Genuine unknown Kawasaki Parts delivered quickly!
home
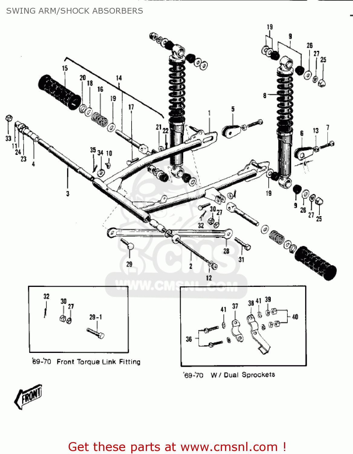
SWING ARM/SHOCK ABSORBERS
F3 BUSHWACKER 1970 AR USA
Swing arm/shock absorbers diagram F3 BUSHWACKER 1970 AR USA
SWING ARM/SHOCK ABSORBERS F3 BUSHWACKER 1970 AR USA
×
prices are in EUR
ref
part #
description
quantity
1
33001015
ref: 1
'68
SWING ARM
€ 253.00
1
33001010
ref: 1
'69-'70
SWING ARM
€ 267.50
2
33032022
ref: 2
SWING ARM PIVOT SHAFT
€ 31.50
3
33036001
ref: 3
SWING ARM COLLAR
€ 14.50
4
33034001
ref: 4
SWING ARM SLEEVE
€ 26.50
5
33040024
ref: 5
6 MM THREAD
CHAIN ADJUSTER,RH
€ 14.50
5
33040030
ref: 5
8 MM THREAD
CHAIN ADJUSTER,RH
€ 22.00
6
33040031
ref: 6
6 MM THREAD
CHAIN ADJUSTER,LH
€ 22.00
6
33040031
ref: 6
8 MM THREAD
CHAIN ADJUSTER,LH
€ 22.00
7
92001009
ref: 7
USE FOR 33040-023,02
BOLT-CHAIN ADJUST
€ 2.50
7
920011399
ref: 7
USE FOR 33010-030,03
BOLT,8X50
€ 6.00
8
45014051
ref: 8
SHOCK ABSORBER,REAR
€ 213.50
9
45017002
ref: 9
SHOCK ABSORBER BUSHING,REAR
€ 4.50
10
92005002
ref: 10
GREASE NIPPLE
€ 4.00
11
314G1200A
ref: 11
NUT,12MM
€ 2.50
11
314B1200
ref: 11
I.S.O
NUT-HEX-FINE
€ 1.00
12
461F1200
ref: 12
WASHER-SPRING,12MM
€ 0.50
13
312B0600
ref: 13
USE FOR 92001-009
NUT,6MM
€ 0.50
13
312B0800
ref: 13
USE FOR 92001-038
NUT,8MM
€ 0.50
14
34027004
ref: 14
FOOTREST ASSEMBLY,REAR
€ 31.00
15
92076007
ref: 15
REAR FOOTREST,RUBBER
€ 13.50
16
34031001
ref: 16
FOOTREST FOLDING SPRING
€ 4.50
17
92043047
ref: 17
FOOTREST FITTING PIN
€ 6.50
18
92022050
ref: 18
FOLDING PEG WASHER
€ 1.50
19
410B1400
ref: 19
ID=15MM
410B1400
20
480J1400
ref: 20
CIRCLIP-TYPE-C,14MM
€ 3.00
21
410B0800
ref: 21
WASHER-PLAIN-SMALL,8M
€ 0.50
22
550D2516
ref: 22
PIN-COTTER,2.5X16
€ 1.50
23
92093004
ref: 23
DUST SHIELD PIVOT SFT
€ 1.00
24
33035001
ref: 24
HOLDER-DUST SHIELD
€ 1.50
25
92020003
ref: 25
NUT-SHOCK ABSORBER
€ 4.00
26
92022044
ref: 26
WASHER,10.5X26X2.3
€ 2.50
27
461F1000
ref: 27
5 FOR '68
WASHER-SPRING,10MM
€ 0.50
28
43007007
ref: 28
'68
TORQUE LINK,REAR BRK
€ 6.50
28
43007018
ref: 28
'69-'70
TORQUE LINK,REAR BRK
€ 8.50
29
43009001
ref: 29
'68
PIN-REAR TORQUE LINK
€ 4.50
29-1
92003017
ref: 29-1
'69-'70 L=25MM
BOLT-TRQ LINK 10X25
€ 3.50
30
314B1000
ref: 30
1 FOR '68
NUT,10MM
€ 0.50
31
92003003
ref: 31
L=30 MM
BOLT-HEX HEAD,10X32
€ 4.00
32
550D2015
ref: 32
1 FOR '68
PIN-COTTER,2.0X15
€ 1.00
33
315B1200
ref: 33
NUT,12MM
€ 0.50
33
315B1200
ref: 33
I.S.O.
NUT,12MM
€ 0.50
34
410B1000
ref: 34
68
WASHER-PLAIN-SMALL,10
€ 0.50
35
550D2520
ref: 35
'68
PIN-COTTER,2.5X20
€ 1.00
36
115G0820
ref: 36
'69-'70 W/DUAL REAR
BOLT,8X20
€ 2.00
37
55021002
ref: 37
'69-'70 W/DUAL REAR
CHAIN GUARD BRACKET
€ 18.50
38
55020002
ref: 38
'69-'70 W/DUAL REAR
CHAIN GUARD BODY
€ 18.50
39
461F0800
ref: 39
'69-'70 W/DUAL REAR
WASHER-SPRING,8MM
€ 0.50
40
311B0800
ref: 40
'69-'70 W/DUAL REAR
NUT,8MM
€ 0.50
41
411B0800
ref: 41
'69-'70 W/DUAL REAR
WASHER-PLAIN,8MM
€ 0.50
up
all assemblies
FOOTRESTS/STANDS/BRAKE PEDAL
HANDLEBAR
ENGINE COVERS
OIL PUMP
CARBURETOR
AIR CLEANER
CABLES
METER
HEADLIGHT
TAILLIGHT
TURN SIGNALS (OPTIONAL)
REAR HUB/BRAKE/CHAIN
FENDERS
FUEL TANK
SIDE COVERS/CHAIN COVER
OIL TANK
SEAT
CHASSIS ELECTRICAL EQUIPMENT
OWNER TOOLS
CYLINDER HEAD/CYLINDER
CRANKSHAFT/PISTON/ROTARY VALVE
CRANKCASE
CLUTCH
TRANSMISSION/CHANGE DRUM
GEAR CHANGE MECHANISM
KICKSTARTER MECHANISM
FRONT FORK ('68.'69)
FRONT FORK ('70)
WHEELS/TIRES
MUFFLER
FRONT HUB/BRAKE
IGNITION/GENERATOR/STARTER
FRAME/FRAME FITTINGS
SWING ARM/SHOCK ABSORBERS
up