×
Genuine ZG Kawasaki Parts delivered quickly!
home
ZG1200B2 VOYAGER XII 1988 USA CALIFORNIA CANADA
CYLINDER HEAD
28 products
CYLINDER HEAD COVER
18 products
CYLINDER/PISTON
13 products
AIR FILTER
56 products
MUFFLER
23 products
VALVE
9 products
CAMSHAFT/TENSIONER
15 products
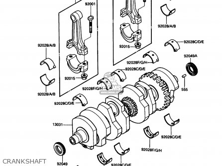
CRANKSHAFT
18 products
SECONDARY SHAFT
18 products
BALANCER
24 products
CLUTCH(ZG1200-B1/B2/B3/B4)
38 products
TRANSMISSION
30 products
CHANGE DRUM/SHIFT FORK
16 products
GEAR CHANGE MECHANISM
21 products
CRANKCASE
29 products
CRANKCASE BOLT PATTERN
9 products
ENGINE COVER
17 products
BREATHER BODY/OIL PAN
15 products
CRUISE CONTROL
6 products
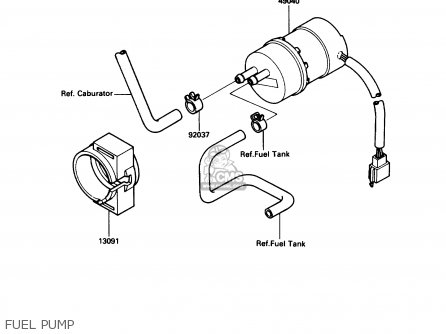
FUEL PUMP
3 products
CARBURETOR
58 products
CARBURETOR PARTS
36 products
CANISTER
29 products
OIL PUMP
41 products
GENERATOR
29 products
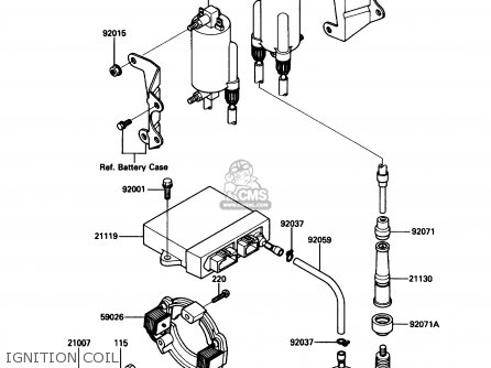
IGNITION COIL
22 products
STARTER MOTOR
20 products
WATER PUMP
44 products
RADIATOR
30 products
FRONT BEVEL GEAR
80 products
DRIVE SHAFT/FINAL GEAR
41 products
FRAME
22 products
FRAME FITTING
16 products
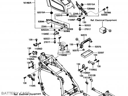
BATTERY CASE
30 products
SWING ARM
11 products
SUSPENSION/SHOCK ABSORBER
21 products
FOOTREST
27 products
FENDER
20 products
STAND
13 products
TIRE
7 products
FRONT HUB
16 products
REAR HUB
15 products
BRAKE PEDAL
6 products
FRONT MASTER CYLINDER
28 products
FRONT BRAKE
17 products
REAR MASTER CYLINDER
23 products
REAR BRAKE
16 products
HANDLEBAR
25 products
FRONT FORK
35 products
CLUTCH MASTER CYLINDER
27 products
FUEL TANK
26 products
SEAT
22 products
METER
25 products
CABLE
9 products
SIDE COVER
6 products
HEAD LAMP
12 products
TAIL LAMP(ZG1200-B2/B3/B4/B5)
20 products
TURN SIGNAL
24 products
AUDIO
34 products
ELECTRICAL EQUIPMENT
39 products
CRUISE SWITCH
20 products
IGNITION SWITCH
20 products
TOOL
14 products
LABEL
11 products
DECAL(ZG1200-B1/B2/B3)
27 products
COWLING
53 products
COWLING LOWERS
42 products
ACCESSORY(TRUNK BRACKET)
39 products
ACCESSORY(TRUNK)
44 products
ACCESSORY(SIDE BAG)
34 products
Publications
0 products
Model Identification
0 products
up
popular products
92027164
COLLAR,6.3X10X5
Kawasaki
920551323
RING-O, 84.4X2.4
Kawasaki
140141074
PLATE-POSITION
Kawasaki
110091557
GASKET,BREATHER BODY (MCA)
Kawasaki