×
Genuine KZ Kawasaki Parts delivered quickly!
home
KZ1000G1 CLASSIC 1980 CANADA
OIL PUMP/OIL FILTER/OIL PAN
32 products
THROTTLE ASSY
30 products
INJECTORS/ELECTRICAL EQUIPMENT
14 products
FUEL PUMP
28 products
AIR CLEANER
31 products
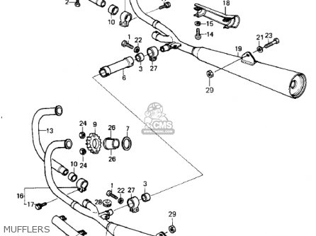
MUFFLERS
29 products
IGNITION
22 products
CLUTCH
25 products
TRANSMISSION
37 products
GEAR CHANGE MECHANISM
28 products
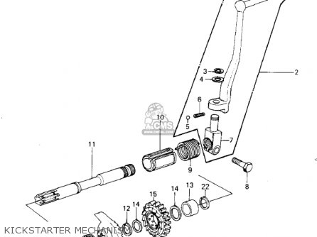
KICKSTARTER MECHANISM
22 products
ENGINE COVERS
38 products
FRAME/FRAME FITTINGS
46 products
BATTERY CASE/TOOL CASE
25 products
SWING ARM/SHOCK ABSORBERS
30 products
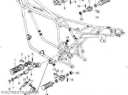
FOOTRESTS/STAND
23 products
HANDLEBAR
23 products
FRONT FORK
35 products
FRONT MASTER CYLINDER
27 products
FRONT BRAKE
21 products
REAR MASTER CYLINDER/BRAKE PEDAL
29 products
REAR BRAKE
13 products
FRONT WHEEL/TIRE/HUB
24 products
REAR WHEEL/HUB/BRAKE/CHAIN
28 products
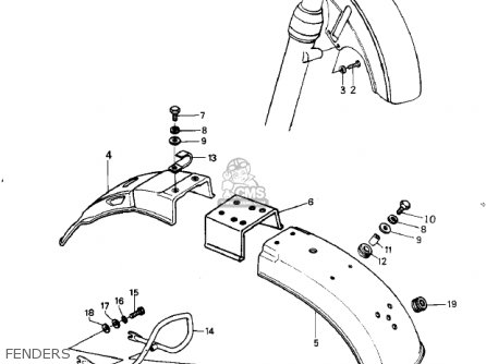
FENDERS
19 products
FUEL TANK
15 products
SIDE COVERS
5 products
SEAT/CHAIN COVER
26 products
CABLES
8 products
METERS/IGNITION SWITCH
27 products
GENERATOR/REGULATOR
11 products
STARTER MOTOR/STARTER CLUTCH
32 products
HEADLIGHT
30 products
TAILLIGHT
17 products
TURN SIGNALS
37 products
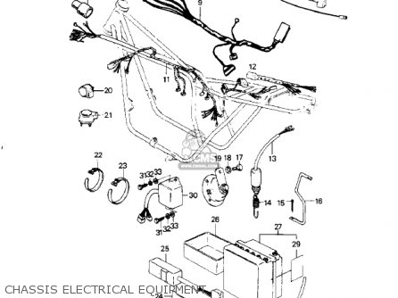
CHASSIS ELECTRICAL EQUIPMENT
33 products
OWNER TOOLS
18 products
CYLINDER HEAD COVER
18 products
CYLINDER HEAD
18 products
CAMSHAFTS/VALVES
39 products
CAM CHAIN/TENSIONER
24 products
CYLINDER/PISTONS/CRANKSHAFT
15 products
CRANKCASE/BREATHER COVER
25 products
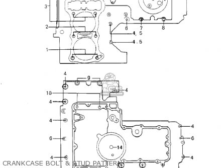
CRANKCASE BOLT & STUD PATTERN
14 products
up
popular products
23050002
GASKET,TURN SIGNAL LA (NAS)
Kawasaki
921061001
GRIP,SCREW DRIVER
Kawasaki
92027170
COLLAR,EXHAUST PIPE
Kawasaki
14046025
CASKET-KICK COVER (MCA)
Kawasaki