×
Genuine KX Kawasaki Parts delivered quickly!
home
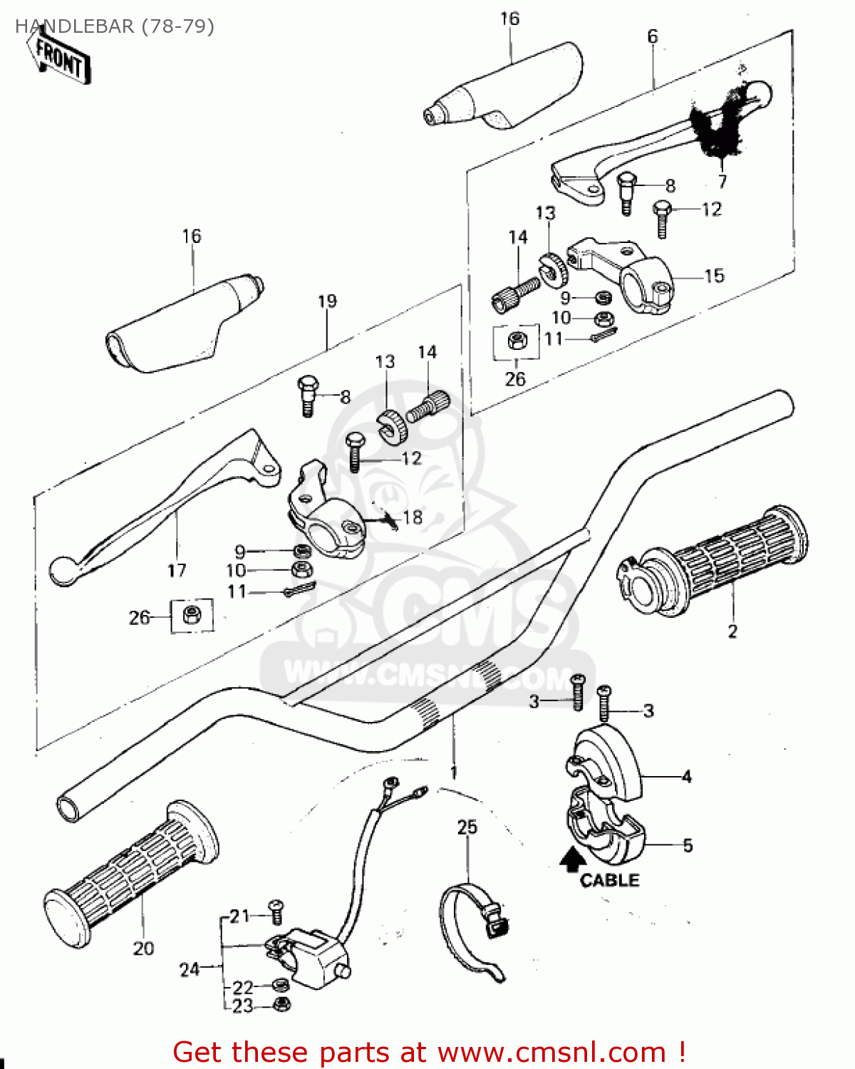
HANDLEBAR (78-79)
KX250-A4 1978
Handlebar (78-79) diagram KX250-A4 1978
HANDLEBAR (78-79) KX250-A4 1978
×
prices are in EUR
ref
part #
description
quantity
1
460031020
ref: 1
KX250-A4
HANDLEBAR
€ 59.00
1
460031034
ref: 1
KX250-A5+
HANDLEBAR
€ 70.00
2
460191002
ref: 2
KX250-A4
GRIP ASSY,THROTTLE
€ 24.50
2
460191009
ref: 2
KX250-A5+
GRIP ASSY,THROTTLE
€ 38.00
3
220B0520
ref: 3
SCREW-PAN-CROS
€ 0.50
4
320991014
ref: 4
CASE,UPP,RH
€ 26.50
5
460915006
ref: 5
HOUSING-ASSY-CONTROL
€ 27.00
6
460761003
ref: 6
F.BLACK
LEVER ASSY,FRNT BRAKE
€ 31.00
7
46058018
ref: 7
LEVER-GRIP,FRONT BRAK
€ 35.00
8
92001140
ref: 8
BOLT,HEX HEAD,6MM
€ 10.00
9
461F0600
ref: 9
WASHER-SPRING,6MM
€ 0.50
10
320B0600
ref: 10
KX250-A4
NUT-CASTLE
€ 2.00
11
550D1615
ref: 11
KX250-A4
PIN-COTTER,1.6X15
€ 1.50
12
112N0620
ref: 12
BOLT-UPSET
€ 1.00
13
46056006
ref: 13
NUT,CABLE ADJUST NUT
€ 6.00
14
46055009
ref: 14
SCREW,CABLE ASJUST
€ 13.00
15
4606001021
ref: 15
F.BLACK
HOLDER,FRNT BRAKE LEV
€ 55.50
16
46071003
ref: 16
BOOT
€ 15.00
17
46092021
ref: 17
LEVER-GRIP,CLUTCH
€ 23.50
18
4609401421
ref: 18
F.BLACK
HOLDER,CLUTCH LEVER
€ 58.00
19
460761004
ref: 19
LEVER-ASSY-GRIP,CLUTC
€ 54.50
20
46075031
ref: 20
KX250-A4
GRIP ASSY,L.H GRIP
€ 9.50
20
460751006
ref: 20
KX250-A5+
RUBBER,L.H.GRIP,L.GRN
€ 12.50
21
220E0314A
ref: 21
SCREW,PAN HEAD,3X14
€ 2.00
22
461F0300
ref: 22
WASHER-SPRING,3MM
€ 0.50
23
311B0300
ref: 23
NUT-HEX
€ 0.50
24
270101018
ref: 24
SWITCH ASSY,ENG,STOP
€ 40.50
25
92072030
ref: 25
L = 123M/M
BAND,SHORT
€ 3.00
26
92019008
ref: 26
KX250-A5+
NUT-LOCK,6MM
€ 3.00
up
all assemblies
FRONT FORK (KX250-A/A3)
WHEELS/TIRES (74-76)
FUEL TANK/SEAT (74-76)
CABLES (74-76)
OWNER TOOLS/SPECIAL SERVICE TOOL
CYLINDER HEAD/CYLINDER/REED VALV
CRANKSHAFT/PISTON (78-79)
CRANKCASE (78-79)
CLUTCH (78-79)
TRANSMISSION (78-79)
GEAR CHANGE MECHANISM (78-79)
ENGINE COVERS (74-76)
CARBURETOR (74-76)
AIR CLEANER/MUFFLER (74-76)
IGNITION (74-76)
MUFFLER (78-79)
IGNITION (78-79)
KICKSTARTER MECHANISM (78-79)
ENGINE COVERS (78-79)
CARBURETOR (78-79)
AIR CLEANER (78-79)
FRONT FORK (KX250-A5) (78-79)
WHEELS/TIRES (78-79)
FRONT HUB/BRAKE (78-79)
REAR HUB/BRAKE/CHAIN (78-79)
FRAME/FRAME FITTINGS (78-79)
SWING ARM/SHOCK ABSORBERS (78-79
HANDLEBAR (78-79)
FRONT FORK (KX250-A4) (78-79)
FENDERS/NUMBER PLATE (78-79)
FUEL TANK (KX250-A4)
FUEL TANK (KX250-A5)
SEAT/SIDE COVERS (78-79)
CABLES (78-79)
OWNER TOOLS/SPECIAL SERVICE TOOL
CYLINDER HEAD/CYLINDER (74-76)
CRANKSHAFT/PISTON (74-76)
CRANKCASE (74-76)
CLUTCH (74-76)
TRANSMISSION/CHANGE DRUM (74-76)
GEAR CHANGE MECHANISM (74-76)
KICKSTARTER MECHANISM (74-76)
FRONT HUB/BRAKE (KX250)
FRONT HUB/BRAKE (KX250-A/A3)
REAR HUB/BRAKE/CHAIN (KX250)
REAR HUB/BRAKE/CHAIN (KX250-A/A3
FENDERS/NUMBER PLATES (74-76)
FRAME/FRAME FITTINGS (74-76)
SWING ARM/SHOCK ABSORBERS (KX250
SWING ARM/SHOCK ABSORBERS (KX250
HANDLEBAR (74-76)
FRONT FORK (KX250)
up