×
Genuine KX Kawasaki Parts delivered quickly!
home
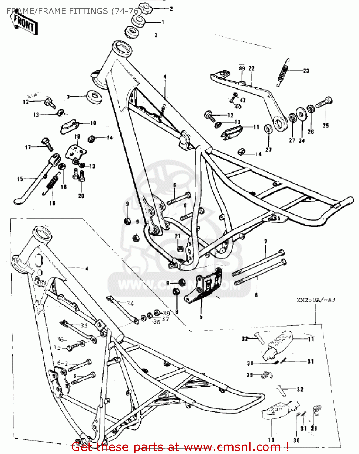
FRAME/FRAME FITTINGS (74-76)
KX250-A4 1978
Frame/frame fittings (74-76) diagram KX250-A4 1978
FRAME/FRAME FITTINGS (74-76) KX250-A4 1978
×
prices are in EUR
ref
part #
description
quantity
1
46098015
ref: 1
CAP,STEERING STEM
€ 3.50
2
920151546
ref: 2
NUT,25MM,T=12
€ 14.50
3
92047017
ref: 3
CONE,STRNG,STEM
€ 49.50
4
32002083
ref: 4
FRAME
€ 340.50
4
32002120
ref: 4
KX250A/-A3
FRAME
€ 324.50
5
32117005
ref: 5
PLATE,ENGINE BASE
€ 13.00
6
920011255
ref: 6
BOLT,HEX HEAD,10X65
€ 5.50
6-1
920011618
ref: 6-1
KX250-A3
BOLT,FLANGED,10X70
€ 7.00
7
920011602
ref: 7
BOLT,FLANGED,10X110
€ 7.50
8
920011603
ref: 8
BOLT,FLANGED,10X115
€ 7.00
9
92019016
ref: 9
NUT,10MM
€ 3.00
10
34028017
ref: 10
BAR,L.H FOOTREST
€ 17.00
10
34028025
ref: 10
KX250A/-A3
BAR,FOOTREST,L.H
€ 23.50
11
34028018
ref: 11
BAR,R.H FOOTREST
€ 8.00
11
34028026
ref: 11
KX250A/-A3
BAR,FOOTREST,R.H
€ 23.50
12
115B0832
ref: 12
BOLT-SMALL UPSET
€ 1.50
13
461F0800
ref: 13
WASHER-SPRING,8MM
€ 0.50
14
92019018
ref: 14
NUT,8MM
€ 5.50
15
34024045
ref: 15
STAND,SIDE
€ 19.50
16
34025004
ref: 16
SPRING-SIDE STAND
€ 4.50
16
34025008
ref: 16
KX250A/-A3
SPRING,SIDE STAND
€ 4.50
17
113G1028
ref: 17
BOLT,HEX HEAD,10X28
€ 4.50
18
315B1000
ref: 18
NUT,10MM
€ 0.50
19
34008009
ref: 19
BRACKET,SIDE STANDE
€ 15.50
19
34008009
ref: 19
KX250-A3
BRACKET,SIDE STANDE
€ 15.50
20
115G0820
ref: 20
BOLT,8X20
€ 2.00
20
115B0822
ref: 20
KX250-A3
BOLT-SMALL-UPSET,8X22
€ 2.00
21
312B0800
ref: 21
NUT,8MM
€ 0.50
22
43077005
ref: 22
PEDAL,BRAKE
€ 47.00
22
43077005
ref: 22
KX250A/-A3
PEDAL,BRAKE
€ 47.00
23
43005026
ref: 23
SPRING,BRAKE PEDAL
€ 2.50
23
43005035
ref: 23
KX250A/-A3
SPRING,BRAKE PEDAL
€ 5.50
24
92022284
ref: 24
WASHER,PLAIN,6MM
€ 2.50
25
112B0614
ref: 25
BOLT-UPSET 6X14
€ 2.50
26
461F0600
ref: 26
WASHER-SPRING,6MM
€ 0.50
27
670B2016
ref: 27
O RING,16MM
€ 1.00
28
920811254
ref: 28
KX250A/-A3
SPRING,FOOTREST,L.H
€ 3.50
29
920811255
ref: 29
KX250A/-A3
SPRING,FOOTREST,R.H
€ 4.50
30
410B0800
ref: 30
KX250A/-A3
WASHER-PLAIN-SMALL,8M
€ 0.50
31
550D2515
ref: 31
KX250A/-A3
PIN COTTER,295X15
€ 0.50
32
92043115
ref: 32
KX250A/-A3
PIN,FOOTREST BAR FIT
€ 6.50
33
32030057
ref: 33
KX250A/-A3
PLATE,ENG MOUNT,L.H
€ 3.00
34
32030058
ref: 34
KX250A/-A3
PLATE,ENG MOUNT,R.H
€ 7.00
35
113G1028
ref: 35
KX250A/-A3
BOLT,HEX HEAD,10X28
€ 4.50
36
411B1000
ref: 36
KX250A/-A3
WASHER-PLAIN,10MM
€ 0.50
37
461F1000
ref: 37
KX250A/-A3
WASHER-SPRING,10MM
€ 0.50
38
314B1000
ref: 38
KX250A/-A3
NUT,10MM
€ 0.50
38
314B1000
ref: 38
KX250-A3
NUT,10MM
€ 0.50
39
92075267
ref: 39
BRAKE PEDAL DAMPER,RUBBER
€ 20.00
40
220B0510
ref: 40
SCREW-PAN-CROS,5X10
€ 0.50
41
461F0500
ref: 41
WASHER-SPRING,5MM
€ 0.50
up
all assemblies
FRONT FORK (KX250-A/A3)
WHEELS/TIRES (74-76)
FUEL TANK/SEAT (74-76)
CABLES (74-76)
OWNER TOOLS/SPECIAL SERVICE TOOL
CYLINDER HEAD/CYLINDER/REED VALV
CRANKSHAFT/PISTON (78-79)
CRANKCASE (78-79)
CLUTCH (78-79)
TRANSMISSION (78-79)
GEAR CHANGE MECHANISM (78-79)
ENGINE COVERS (74-76)
CARBURETOR (74-76)
AIR CLEANER/MUFFLER (74-76)
IGNITION (74-76)
MUFFLER (78-79)
IGNITION (78-79)
KICKSTARTER MECHANISM (78-79)
ENGINE COVERS (78-79)
CARBURETOR (78-79)
AIR CLEANER (78-79)
FRONT FORK (KX250-A5) (78-79)
WHEELS/TIRES (78-79)
FRONT HUB/BRAKE (78-79)
REAR HUB/BRAKE/CHAIN (78-79)
FRAME/FRAME FITTINGS (78-79)
SWING ARM/SHOCK ABSORBERS (78-79
HANDLEBAR (78-79)
FRONT FORK (KX250-A4) (78-79)
FENDERS/NUMBER PLATE (78-79)
FUEL TANK (KX250-A4)
FUEL TANK (KX250-A5)
SEAT/SIDE COVERS (78-79)
CABLES (78-79)
OWNER TOOLS/SPECIAL SERVICE TOOL
CYLINDER HEAD/CYLINDER (74-76)
CRANKSHAFT/PISTON (74-76)
CRANKCASE (74-76)
CLUTCH (74-76)
TRANSMISSION/CHANGE DRUM (74-76)
GEAR CHANGE MECHANISM (74-76)
KICKSTARTER MECHANISM (74-76)
FRONT HUB/BRAKE (KX250)
FRONT HUB/BRAKE (KX250-A/A3)
REAR HUB/BRAKE/CHAIN (KX250)
REAR HUB/BRAKE/CHAIN (KX250-A/A3
FENDERS/NUMBER PLATES (74-76)
FRAME/FRAME FITTINGS (74-76)
SWING ARM/SHOCK ABSORBERS (KX250
SWING ARM/SHOCK ABSORBERS (KX250
HANDLEBAR (74-76)
FRONT FORK (KX250)
up