×
Genuine EN Kawasaki Parts delivered quickly!
home
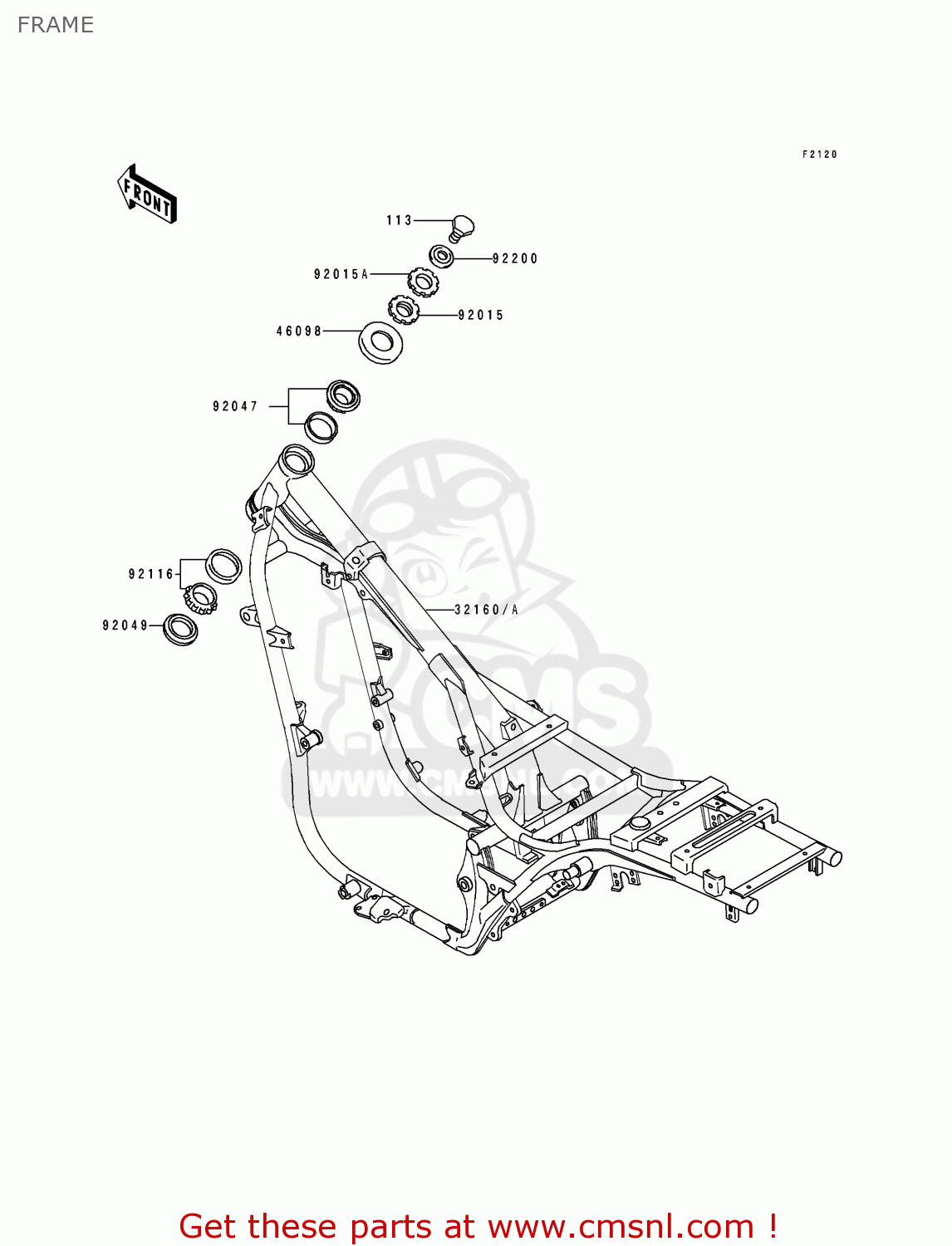
FRAME
EN500A4 1993 FRANCE NL FG
Frame diagram EN500A4 1993 FRANCE NL FG
FRAME EN500A4 1993 FRANCE NL FG
×
prices are in EUR
ref
part #
description
quantity
113
113G1425
ref: 113
BOLT-SMALL-FINE,14X25
€ 5.50
32160
321601107
ref: 32160
FRNL
FRAME-COMP
€ 1,185.00
32160A
321601115
ref: 32160A
FG
FRAME-COMP
€ 1,076.00
46098
46098017
ref: 46098
CAP,STEERING STEM
€ 4.00
92015
920151377
ref: 92015
NUT,25MM,T=10
€ 18.50
92015A
920151378
ref: 92015A
NUT,25MM,T=6
€ 14.50
92047
92047017
ref: 92047
CONE,STRNG,STEM
€ 49.50
92049
920491162
ref: 92049
SEAL-OIL,XMHE36X52X4J
€ 7.50
92116
921161009
ref: 92116
BEARING R,HR320/28XJ
€ 41.00
92200
922001140
ref: 92200
WASHER
€ 8.00
up
all assemblies
CYLINDER HEAD
CYLINDER HEAD COVER
CYLINDER/PISTON
AIR FILTER
MUFFLER
VALVE
CAMSHAFT/TENSIONER
CRANKSHAFT
CLUTCH
TRANSMISSION
CHANGE DRUM/SHIFT FORK
GEAR CHANGE MECHANISM
CRANKCASE
CRANKCASE BOLT PATTERN
ENGINE COVER
BREATHER BODY/OIL PAN
CARBURETOR
CARBURETOR PARTS
OIL PUMP
GENERATOR
IGNITION COIL
STARTER MOTOR
WATER PUMP
RADIATOR
FRAME
FRAME FITTING
BATTERY CASE
SWING ARM
SUSPENSION/SHOCK ABSORBER
STEP
FENDER
STAND
TIRE
FRONT HUB
REAR HUB
BRAKE PEDAL
FRONT MASTER CYLINDER
FRONT CALIPER
HANDLEBAR
FRONT FORK
FUEL TANK
SEAT
METER
CABLE
SIDE COVER/CHAIN CASE
HEAD LAMP
TAIL LAMP
TURN SIGNAL
ELECTRICAL EQUIPMENT
IGNITION SWITCH
TOOL
LABEL
DECAL
DECAL
Publications
Model Identification
up