×
Genuine Z Kawasaki Parts delivered quickly!
home
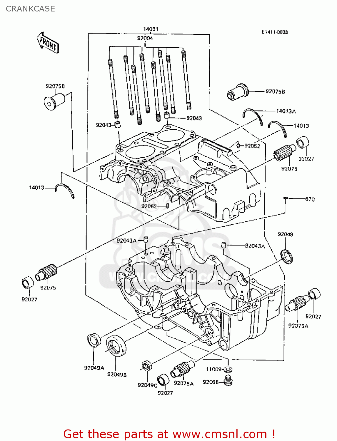
CRANKCASE
Z305A3A CSR 1988 EUROPE
Crankcase diagram Z305A3A CSR 1988 EUROPE
CRANKCASE Z305A3A CSR 1988 EUROPE
×
prices are in EUR
ref
part #
description
quantity
670
670B2010
ref: 670
O RING,10MM
€ 1.00
11009
92065097
ref: 11009
GASKET,DRAIN PLUG BOL (NAS)
€ 1.00
14001
140015093
ref: 14001
SET-CRANKCASE, BARREL
€ 772.50
14013
14013004
ref: 14013
RING-BEARING SETTING
€ 7.00
14013A
140131004
ref: 14013A
RING-POSITION,CRANK
€ 3.00
92004
920041016
ref: 92004
STUD,8X146
€ 7.50
92027
920271391
ref: 92027
COLLAR,15.5X22X13
€ 4.50
92043
92042031
ref: 92043
PIN,DOWEL,12X14
€ 4.50
92043A
920431037
ref: 92043A
PIN,DOWEL,10X8.2X14
€ 0.50
92049
920491019
ref: 92049
SEAL-OIL,OUTPUT SHAFT
€ 4.50
92049A
920491074
ref: 92049A
SEAL-OIL,PLUG
€ 8.50
92049B
92050024
ref: 92049B
OIL SEAL SC325210
€ 5.00
92049C
92051005A
ref: 92049C
OIL SEAL,TB13225.5
€ 5.50
92062
92062011
ref: 92062
NOZZLE,OIL
€ 5.50
92066
920661174
ref: 92066
PLUG,OIL DRAIN,12X15
€ 4.00
92075
920751363
ref: 92075
DAMPER,RR,UPP
€ 9.50
92075A
920751364
ref: 92075A
DAMPER,RR,LWR
€ 9.00
92075B
920751437
ref: 92075B
DAMPER,FR
€ 16.00
up
all assemblies
CYLINDER HEAD
CYLINDER/PISTON(S)
AIR CLEANER
MUFFLER(S)
VALVE(S)
CAMSHAFT(S)/TENSIONER
CRANKSHAFT
CLUTCH
TRANSMISSION
GEAR CHANGE DRUM/SHIFT FORK(S)
GEAR CHANGE MECHANISM
CRANKCASE
CRANKCASE BOLT PATTERN
ENGINE COVER(S)
CARBURETOR
CARBURETOR PARTS
OIL PUMP
GENERATOR
IGNITION SYSTEM
STARTER MOTOR
FRAME
FRAME FITTINGS
SWINGARM/SHOCK ABSORBER
FOOTRESTS
FENDERS
STAND(S)
TIRES
FRONT HUB
REAR HUB
BRAKE PEDAL
FRONT MASTER CYLINDER
FRONT BRAKE
HANDLEBAR
FRONT FORK
FUEL TANK
SEAT
METER(S)
CABLES
SIDE COVERS/CHAIN COVER
HEADLIGHT(S)
TAILLIGHT(S)
TURN SIGNALS
CHASSIS ELECTRICAL EQUIPMENT
IGNITION SWITCH
OWNER'S TOOLS
LABELS
Publications
Model Identification
up