×
Genuine KZ Kawasaki Parts delivered quickly!
home
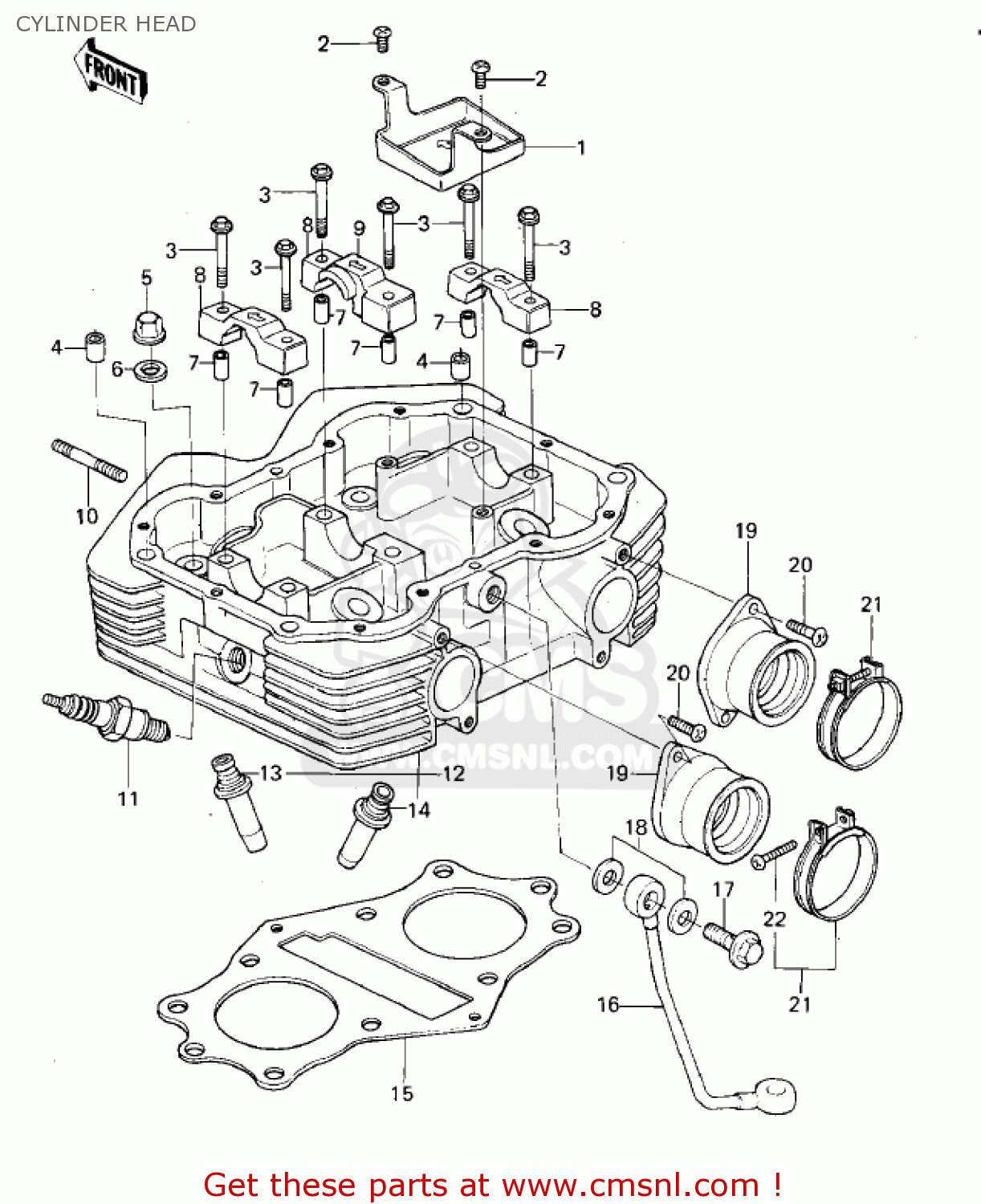
CYLINDER HEAD
KZ400B1 1978 CANADA
Cylinder head diagram KZ400B1 1978 CANADA
CYLINDER HEAD KZ400B1 1978 CANADA
×
prices are in EUR
ref
part #
description
quantity
1
110121027
ref: 1
CAP,CYLINDER HEAD OIL
€ 2.50
2
220B0610
ref: 2
SCREW-PAN HEAD,6X10
€ 2.00
3
92003206
ref: 3
BOLT, HEX HEAD, 6X38
€ 3.50
4
920431037
ref: 4
PIN,DOWEL,10X8.2X14
€ 0.50
5
92015076
ref: 5
NUT,FLANGED CAP,10MM
€ 9.00
6
920221005
ref: 6
WASHER,10.5X22X1.6
€ 3.00
7
92042007
ref: 7
PIN-DOWEL
€ 4.00
8
140221002
ref: 8
CAP,BEARING,HEAD,L&R
€ 44.00
9
140221003
ref: 9
CAP-BEARING,HEAD,CNT
€ 27.00
10
92004049
ref: 10
STUD,6X46
€ 5.50
11
B7ESA
ref: 11
SPARK PLUG, B7ES
€ 5.00
12
110021003
ref: 12
CYLINDER HEAD
€ 703.50
13
490021010
ref: 13
GUIDE-VALVE,EXHAUST
€ 20.50
14
12013003
ref: 14
GUIDE-VALVE,INTAKE
€ 24.00
15
110041008
ref: 15
GASKET,CYLINDER HEAD (MCA)
€ 39.00
16
320321084
ref: 16
PIPE,OIL
€ 26.50
17
920011017
ref: 17
BOLT,OIL PIPE
€ 12.50
18
110091105
ref: 18
GASKET,10X14.5X1.5 (NAS)
€ 4.00
19
160651002
ref: 19
HOLDER-CARBURETOR
€ 25.50
20
220B0618
ref: 20
SCREW-PAN HEAD,6X18
€ 2.50
21
920371021
ref: 21
CLAMP,CARBURETOR
€ 2.00
22
220B0530
ref: 22
SCREW-PAN-CROS
€ 2.00
1
120201001
ref: 1
SHAFT,ROCKER
€ 7.50
2
110091106
ref: 2
GASKET,16X19.7X1.5 (NAS)
€ 3.00
3
92016061
ref: 3
NUT,ROCKER ARM FITING
€ 3.00
4
920091032
ref: 4
SCREW,ADJUSTING
€ 4.00
5
120161001
ref: 5
ARM,ROCKER
€ 35.00
6
12011004
ref: 6
COLLET,RETAINER
€ 3.50
7
12009006
ref: 7
RETAINER,VALVE SPRIN
€ 7.50
8
12007013
ref: 8
SPRING,OUTER VALVE
€ 11.00
9
12007014
ref: 9
SPRING,INNER VALVE
€ 11.00
10
92049016
ref: 10
OIL SEAL,RV37129.5
€ 13.50
11
12010006
ref: 11
SEAT,VALVE INNER SPR
€ 2.00
12
12010005
ref: 12
SEAT-SPRING,OUTER
€ 4.50
13
120051001
ref: 13
VALVE,EXHAUST
€ 44.00
14
120041001
ref: 14
VALVE,INTAKE
€ 35.00
up
all assemblies
CYLINDER HEAD COVERS
CYLINDER HEAD
ROCKER ARMS/VALVES
CAMSHAFT/CHAIN/TENSIONER
CYLINDER/PISTONS/CRANKSHAFT
BALANCER
CRANKCASE
KICKSTARTER MECHANISM
ENGINE COVERS
OIL PUMP/OIL FILTER
CARBURETOR ASSY
CARBURETOR PARTS
AIR CLEANER
MUFFLERS
IGNITION/REGULATOR
GENERATOR/STARTER MOTOR
FRAME/FRAME FITTINGS
BATTERY CASE/ELECTRO BRACKET
SWING ARM/SHOCK ABSORBERS
FOOTRESTS
STANDS
BRAKE PEDAL/TORQUE LINK
CABLES
METERS/IGNITION SWITCH (KZ400-B1
METERS/IGNITION SWITCH(KZ400-B2)
HEADLIGHT
TAILLIGHT
WHEELS/TIRES
FRONT HUB
REAR HUB/BRAKE/CHAIN
FENDERS
FUEL TANK
SIDE COVERS/CHAIN COVER
SEAT/SEAT COVER
TURN SIGNALS
CHASSIS ELECTRICAL EQUIPMENT
OWNER TOOLS
CRANKCASE BOLT & STUD PATTERN
CLUTCH
TRANSMISSION
GEAR CHANGE MECHANISM
HANDLEBAR
FRONT FORK
FRONT MASTER CYLINDER
FRONT BRAKE
up