×
Genuine KZ Kawasaki Parts delivered quickly!
home
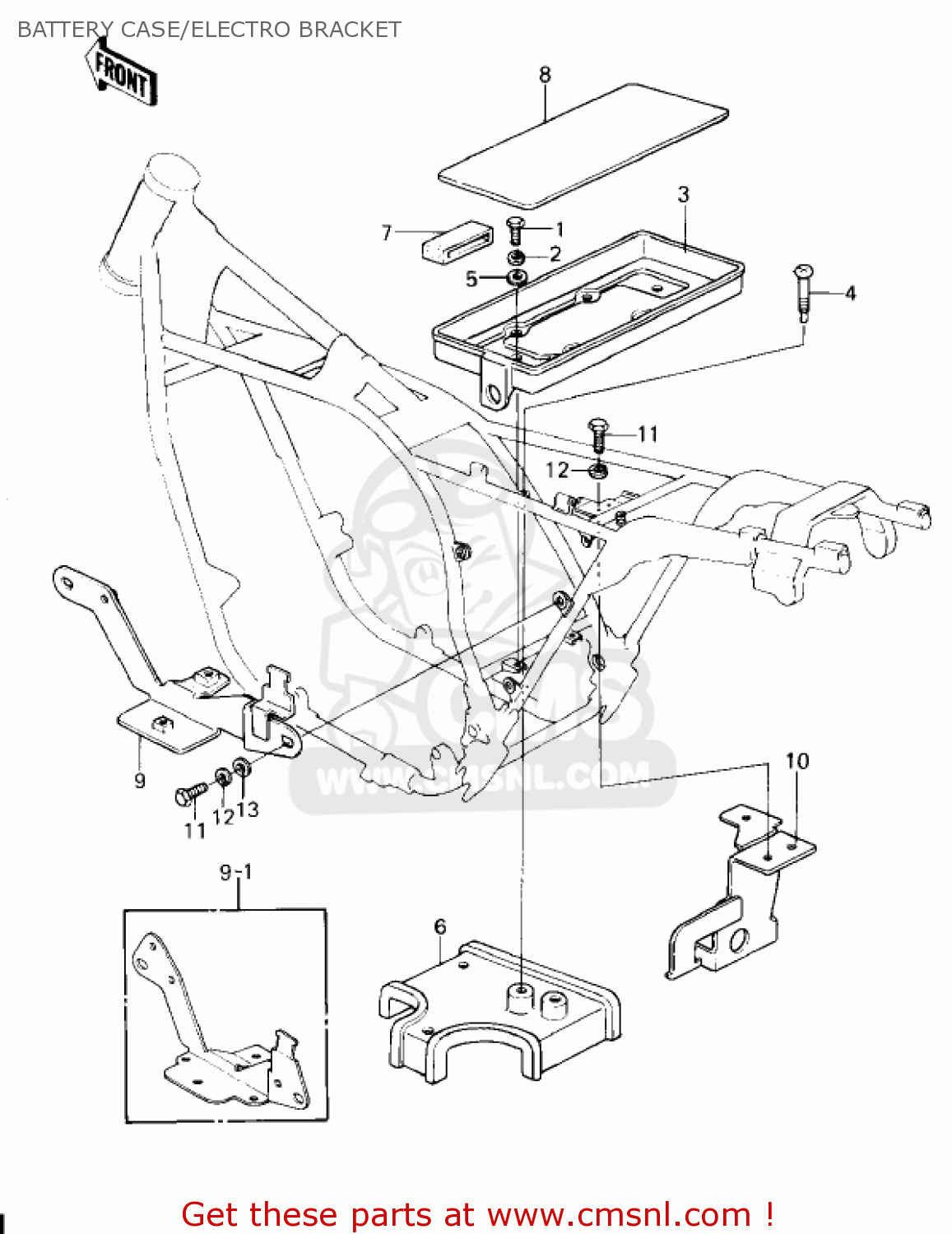
BATTERY CASE/ELECTRO BRACKET
KZ1300A2 1980 USA CANADA
Battery case/electro bracket diagram KZ1300A2 1980 USA CANADA
BATTERY CASE/ELECTRO BRACKET KZ1300A2 1980 USA CANADA
×
prices are in EUR
ref
part #
description
quantity
1
112G0616
ref: 1
BOLT UPSET,6X16
€ 1.00
2
461F0600
ref: 2
WASHER-SPRING,6MM
€ 0.50
3
320971015
ref: 3
CASE-BATTERY
€ 18.00
4
920091042
ref: 4
SCREW,6X38
€ 2.50
5
92022125
ref: 5
WASHER,6.5X20X1.6
€ 1.00
6
920721021
ref: 6
BAND,BATTERY
€ 21.00
7
920751099
ref: 7
FRONT
DAMPER,BATTERY
€ 2.00
8
920751105
ref: 8
UNDER
DAMPER,BATTERY,UNDER
€ 5.50
9
110341262
ref: 9
KZ1300 A1/A2
BRACKET,BASE
€ 9.00
9
110341843
ref: 9
KZ1300 A1/A2
BRACKET,ELECTRO BASE
€ 9.00
9-1
110341843
ref: 9-1
KZ1300 A3
BRACKET,ELECTRO BASE
€ 9.00
10
110341316
ref: 10
BRACKET BASE
€ 10.50
11
112G0612
ref: 11
BOLT-UPSET
€ 2.50
12
461F0600
ref: 12
WASHER-SPRING,6MM
€ 0.50
13
411B0600
ref: 13
WASHER-PLAIN,6MM
€ 0.50
up
all assemblies
GEAR CHANGE DRUM & FORKS
GEAR CHANGE MECHANISM
FRONT BEVEL GEARS
DRIVE SHAFT/FINAL GEARS
ENGINE COVERS
CARBURETOR ASSY
CARBURETOR PARTS
FUEL SOLENOID VALVE
AIR CLEANER
OIL PAN/OIL FILTER (-E/NO. 01063
OIL PAN/OIL FILTER (E/NO. 016038
OIL PUMP
FENDERS
FUEL TANK
SIDE COVERS
SEAT/SEAT COVER
GENERATOR/REGULATOR
STARTER MOTOR/STARTER CLUTCH (KZ
STARTER MOTOR/STARTER CLUTCH (KZ
WATER PUMP
RADIATOR/FAN/COOLANT TANK
FRAME
FRAME FITTINGS
BATTERY CASE/ELECTRO BRACKET
SWING ARM
SHOCK ABSORBERS (KZ 1300-A1/A2)
SHOCK ABSORBERS (KZ1300-A3)
FOOTRESTS
FRONT MASTER CYLINDER
FRONT BRAKE
REAR MASTER CYLINDER
REAR BRAKE
TIRES
FRONT WHEEL/HUB
REAR WHEEL/HUB
CRANKCASE
CRANKCASE BOLT & STUD PATTERN
CLUTCH
TRANSMISSION
MUFFLERS
IGNITION (KZ1300-A1/A2)
IGNITION (KZ1300-A3)
CABLES
METERS
HEADLIGHT
TAILLIGHT
TURN SIGNALS
IGNITION SWITCH/LOCKS/REFLECTORS
STANDS
BRAKE PEDAL
HANDLEBAR
FRONT FORK (KZ1300-A1/A2)
FRONT FORK (KZ1300-A3)
CHASSIS ELECTRICAL EQUIPMENT
OWNER TOOLS
CYLINDER HEAD COVER
CYLINDER HEAD
VALVES
CAMSHAFTS/CHAIN/TENSIONER
CYLINDER
CRANKSHAFT/PISTONS
SECONDARY SHAFT
up