×
Genuine KL Kawasaki Parts delivered quickly!
home
SWING ARM
KL250D2 1985 EUROPE UK FR GR IT SD ST
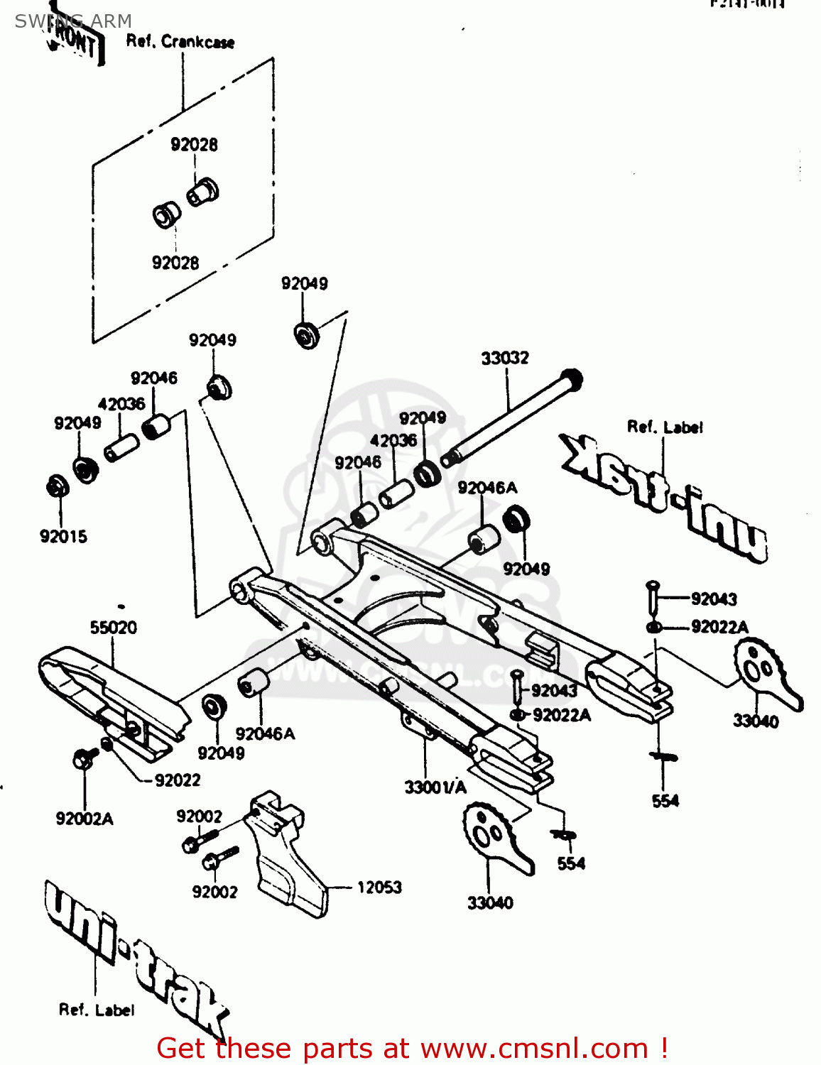
Swing arm diagram KL250D2 1985 EUROPE UK FR GR IT SD ST
SWING ARM KL250D2 1985 EUROPE UK FR GR IT SD ST
×
prices are in EUR
ref
part #
description
quantity
12053
120531211
ref: 12053
GUIDE-CHAIN,RR
€ 46.00
33001
330011225F2
ref: 33001
ARM-COMP-SWING,G.SILV
€ 524.00
33052
330321108
ref: 33052
SHAFT-SWING ARM
€ 56.00
33040
330401060
ref: 33040
ADJUSTER-CHAIN
€ 21.00
42036
420361103
ref: 42036
SLEEVE,15.1X20X42.5
€ 12.50
55020
550201154
ref: 55020
GUARD,CHAIN,FR
€ 110.00
92002
920021088
ref: 92002
BOLT,6X45
€ 3.00
92002A
920021185
ref: 92002A
BOLT,5X12
€ 1.00
92015
920151459
ref: 92015
NUT,14MM
€ 6.50
92022
92022104
ref: 92022
WASHER-SPEEDMETR FIT
€ 2.50
92022A
92022183
ref: 92022A
WASHER,6.2X11X1.5
€ 2.50
92028
920281261
ref: 92028
BUSHING,SWING ARM
€ 12.00
92045
920451110
ref: 92045
BEARING-BALL
€ 23.50
92046
920461110
ref: 92046
BEARING-NEEDLE,BM2027
€ 22.50
92044A
920461113
ref: 92044A
BEARING-NEEDLE,BTM202
€ 19.00
92049
920491109
ref: 92049
SEAL-OIL,ARM,CNT
€ 6.50
554
554A0600
ref: 554
PIN-SNAP,SIDE STAND
€ 0.50
up
all assemblies
CAMSHAFT/TENSIONER
CRANKSHAFT
BALANCER
KICKSTARTER MECHANISM
CLUTCH
CYLINDER HEAD (KL250DG000001~001504)
CYLINDER HEAD (KL250DG001505~)
CYLINDER HEAD COVER
CYLINDER/PISTON
AIR FILTER
MUFFLER
VALVE
OIL PUMP (KL250DG000001~001404)
GENERATOR
IGNITION COIL
WATER PUMP
TRANSMISSION
CHANGE DRUM/SHIFT FORK
GEAR CHANGE MECHANISM
CRANKCASE
ENGINE COVER
CARBURETOR
RADLATOR
STAND
TIRE
FRONT HUB
REAR HUB
BRAKE PEDAL
FRAME
FRAME FITTING
SWING ARM
SUSPENSION
STEP
FENDER
METER
CABLE
SIDE COVER/CHAIN CASE
HEAD LAMP
SHOCK ABSORBER
FRONT MASTER CYLINDER
FRONT CALIPER
HANDLEBAR
FRONT FORK
FUEL TANK
SEAT
ACCESSORY
TAIL LAMP
TURN SIGNAL
ELECTRICAL EQUIPMENT
IGNITION SWITCH
TOOL
LABEL
PUBLICATIONS
MODEL IDENTIFICATION
up