×
Genuine EJ Kawasaki Parts delivered quickly!
home
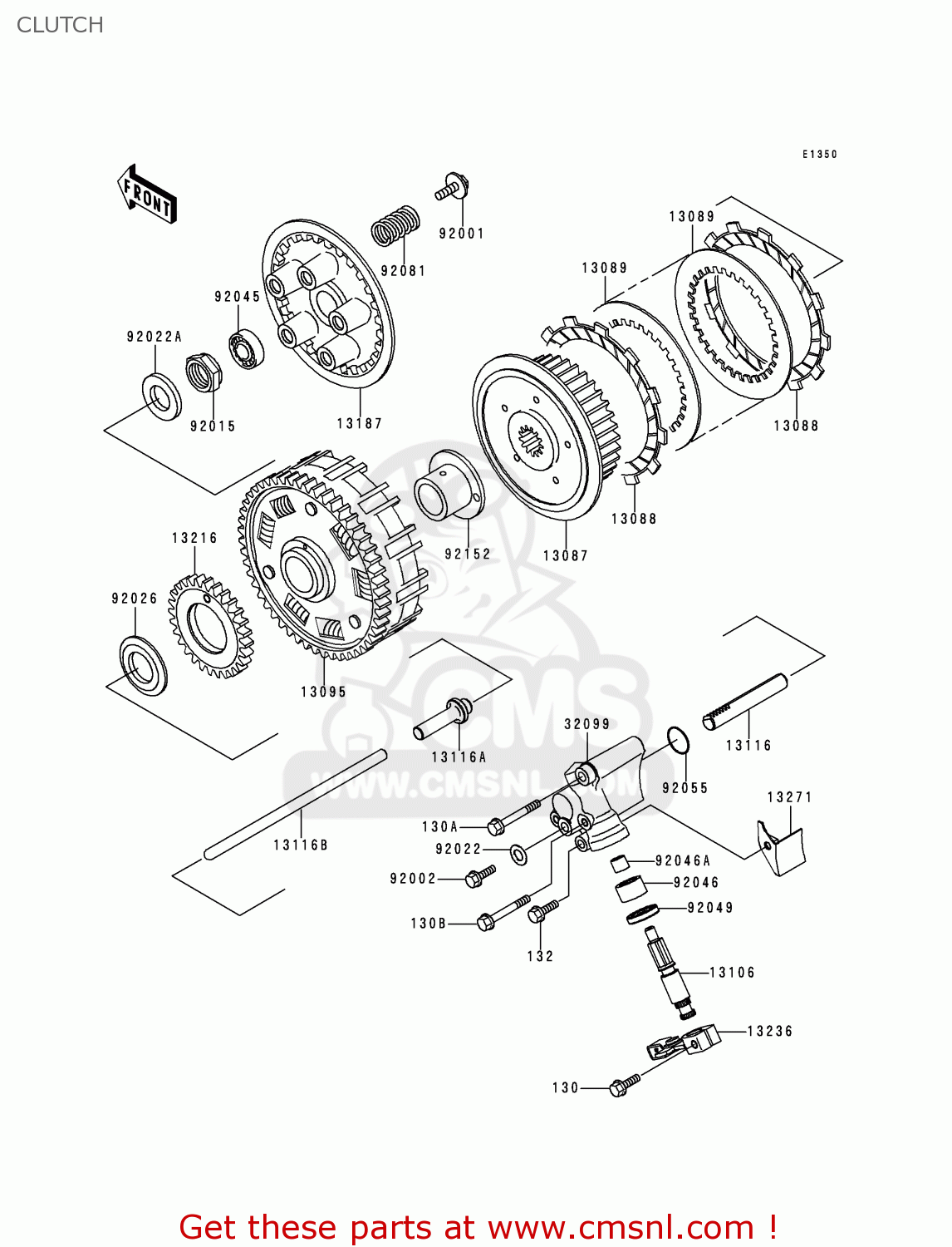
CLUTCH
EJ650A1 W650 1999 EUROPE UK FR NL FG IT NR
Clutch diagram EJ650A1 W650 1999 EUROPE UK FR NL FG IT NR
CLUTCH EJ650A1 W650 1999 EUROPE UK FR NL FG IT NR
×
prices are in EUR
ref
part #
description
quantity
130
130S0620
ref: 130
BOLT-FLANGED,6X20,BLA
€ 2.50
130A
130Z0670
ref: 130A
BOLT-FLANGED
€ 2.50
130B
130Z0680
ref: 130B
BOLT-FLANGED
€ 1.50
132
132G0640
ref: 132
BOLT-FLANGED-SMALL
€ 2.50
13087
13087042
ref: 13087
HUB,CLUTCH
€ 133.00
13088
130881133
ref: 13088
PLATE-FRICTION (NAS)
€ 12.50
13089
13089027
ref: 13089
PLATE,CLUTCH STEEL (NAS)
€ 7.50
13095
130951378
ref: 13095
HOUSING-COMP-CLUTCH
€ 474.00
13106
131061068
ref: 13106
SHAFT-CLUTCH RELEASE
€ 29.50
13116
131161163
ref: 13116
ROD-PUSH,RELEASE POSI
€ 31.50
13116A
131161164
ref: 13116A
ROD-PUSH,CLUTCH POSIT
€ 14.50
13116B
131161165
ref: 13116B
ROD-PUSH,MIDDLE POSIT
€ 25.50
13187
131871006
ref: 13187
PLATE-CLUTCH OPERATIN (NAS)
€ 58.00
13216
132161177
ref: 13216
GEAR-COMP,OIL PUMP
€ 42.00
13236
132361331
ref: 13236
LEVER-COMP,CLUTCH REL
€ 15.00
13271
132711179
ref: 13271
PLATE
€ 3.50
32099
320991204
ref: 32099
CASE,CLUTCH RELEASE
€ 46.00
92001
920011066
ref: 92001
BOLT, CLUTCH SPR FITT
€ 4.00
92002
920021357
ref: 92002
BOLT
€ 3.00
92015
920151555
ref: 92015
NUT,20MM
€ 9.00
92022
92022077
ref: 92022
WASHER,6.1X12X1
€ 0.50
92022A
920221868
ref: 92022A
WASHER
€ 6.50
92026
920261242
ref: 92026
SPACER
€ 20.00
92045
920451235
ref: 92045
BEARING-BALL,6001C3ML
€ 15.50
92046
92046037
ref: 92046
BEARING-NEEDLE,7E-HK1
€ 17.00
92046A
920461142
ref: 92046A
BEARING-NEEDLE,HK0709
€ 15.00
92049
920491520
ref: 92049
SEAL-OIL,TC14245
€ 9.50
92055
920551598
ref: 92055
RING-O,16.8X1.9
€ 1.50
92081
920811864
ref: 92081
SPRING,CLUTCH
€ 5.00
92152
921521146
ref: 92152
COLLAR,CLUTCH GEAR
€ 52.00
up
all assemblies
CYLINDER HEAD
CYLINDER HEAD COVER
CYLINDER/PISTON(S)
AIR CLEANER
MUFFLER(S)
VALVE(S)
CAMSHAFT(S)/TENSIONER
CRANKSHAFT
BALANCER
KICKSTARTER MECHANISM
CLUTCH
TRANSMISSION
GEAR CHANGE DRUM/SHIFT FORK(S)
GEAR CHANGE MECHANISM
CRANKCASE
CRANKCASE BOLT PATTERN
OIL PAN
LEFT ENGINE COVER(S)
RIGHT ENGINE COVER(S)
CARBURETOR
CARBURETOR PARTS
OIL PUMP
GENERATOR
IGNITION SYSTEM
STARTER MOTOR
FRAME
FRAME FITTINGS
BATTERY CASE
SWINGARM
SUSPENSION/SHOCK ABSORBER
FOOTRESTS
FENDERS
STAND(S)
TIRES
FRONT HUB
REAR HUB
BRAKE PEDAL
FRONT MASTER CYLINDER
FRONT BRAKE
HANDLEBAR
FRONT FORK
FUEL TANK
SEAT
METER(S)
CABLES
SIDE COVERS/CHAIN COVER
HEADLIGHT(S)
TAILLIGHT(S)
TURN SIGNALS
CHASSIS ELECTRICAL EQUIPMENT
IGNITION SWITCH
OWNER'S TOOLS
LABELS
DECALS(BLUE/SILVER)
DECALS(RED/IVOLY)
PUBLICATIONS
MODEL IDENTIFCATION
up