Genuine AR Kawasaki Parts delivered quickly!

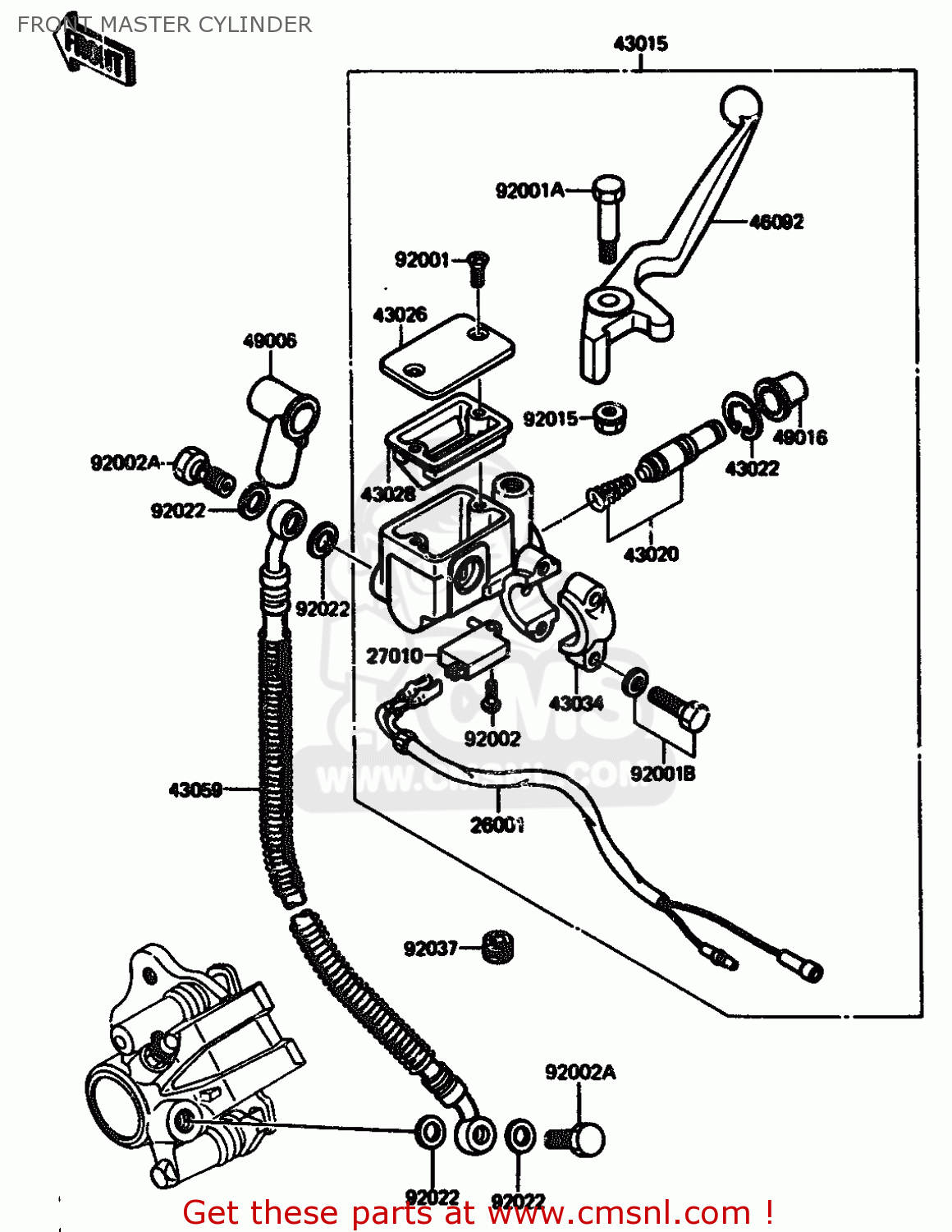
FRONT MASTER CYLINDER

AR125A4 1986 UNITED KINGDOM GR NR SD ST

Front master cylinder diagram AR125A4 1986 UNITED KINGDOM GR NR SD ST

FRONT MASTER CYLINDER AR125A4 1986 UNITED KINGDOM GR NR SD ST
FRONT MASTER CYLINDER AR125A4 1986 UNITED KINGDOM GR NR SD ST
FRONT MASTER CYLINDER AR125A4 1986 UNITED KINGDOM GR NR SD ST
prices are in EUR
ref
part #
description
quantity
26001
260011725
ref: 26001
HARNESS,BRAKE SWITCH
260011725
€ 24.50

27010
270101170
ref: 27010
SWITCH,BRAKE
270101170
€ 26.00

43015
430151297
ref: 43015
CYLINDER-ASSY-MASTER
€ 205.50

43020
430201031
ref: 43020
PISTON-COMP-BRAKE
430201031
€ 38.50

43022
430221010
ref: 43022
STOPPER-BRAKE,PISTON
430221010
€ 3.00

43026
430261021
ref: 43026
CAP-BRAKE,MASTER CYLI
430261021
€ 19.50

43028
430281035
ref: 43028
DIAPHRAGM,MASTER CYLI
430281035
€ 16.50

43034
430341016
ref: 43034
HOLDER-BRAKE,MASTER C
430341016
€ 13.50

43059
430591214
ref: 43059
HOSE-BRAKE,L=750
430591214
€ 71.00

46092
460921119
ref: 46092
LEVER-GRIP,FRONT BRAK
460921119
€ 10.50

49006
490061067
ref: 49006
BOOT,DUST
490061067
€ 6.50

49016
490161044
ref: 49016
COVER-SEAL,MASTER CYL
490161044
€ 7.00

92001
920011727
ref: 92001
BOLT,MASTER CYLINDER
920011727
€ 2.50

92001A
920011728
ref: 92001A
BOLT,FRONT BRAKE LEVE
920011728
€ 9.50

92001B
920011729
ref: 92001B
BOLT,6X25,BLACK
920011729
€ 3.50

92002
920021323
ref: 92002
BOLT
920021323
€ 2.50

92002A
920021888
ref: 92002A
BOLT,OIL,L=23
920021888
€ 3.50

92015
920151233
ref: 92015
NUT,FLANGED,6MM
920151233
€ 3.50

92022
43067001
ref: 92022
WASHER,10.5X15X1.5
43067001
€ 1.50

92037
43064007
ref: 92037
43064007