×
Genuine unknown Kawasaki Parts delivered quickly!
home
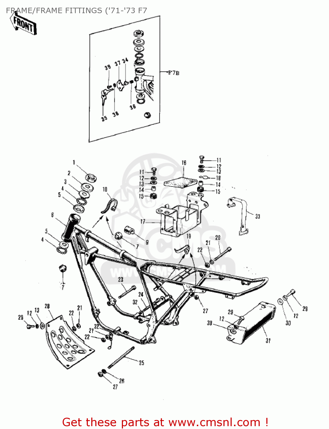
FRAME/FRAME FITTINGS ('71-'73 F7
F7 1971 USA
Frame/frame fittings ('71-'73 f7 diagram F7 1971 USA
FRAME/FRAME FITTINGS ('71-'73 F7 F7 1971 USA
×
prices are in EUR
ref
part #
description
quantity
1
92090006
ref: 1
NUT-STEERING STEM LCK
€ 10.50
2
46098005
ref: 2
CAP-STEERING STEM
€ 2.50
3
92047005
ref: 3
CONE-UPPER BEARING
€ 10.50
4
600A0600
ref: 4
BALL-STEEL,3/16
€ 0.50
5
92048004
ref: 5
RACE-BEARING
€ 10.00
6
32002043
ref: 6
FRAME
€ 320.00
6
32002060
ref: 6
F7B
FRAME
€ 375.00
7
92075050
ref: 7
DAMPER,FUEL TANK
€ 3.00
8
51067002
ref: 8
MAT-FUEL TANK
€ 12.00
9
51067002
ref: 9
MAT-FUEL TANK
€ 12.00
10
92072032
ref: 10
BAND,LONG
€ 3.00
11
112G0620
ref: 11
BOLT 6X20
€ 1.00
11
112G0620
ref: 11
BOLT 6X20
€ 1.00
12
461F0600
ref: 12
WASHER-SPRING,6MM
€ 0.50
13
92022125
ref: 13
WASHER,6.5X20X1.6
€ 1.00
14
92027103
ref: 14
COLLAR
€ 2.50
15
92075051
ref: 15
DAMPER RUBBER
€ 2.50
16
32103019
ref: 16
MAT-BATTERY
€ 1.50
17
32097018
ref: 17
CASE-BATTERY
€ 24.50
18
92037026
ref: 18
CLAMP-CABLE
€ 0.50
19
92072031
ref: 19
BAND,MIDDLE
€ 3.00
20
920011603
ref: 20
BOLT,FLANGED,10X115
€ 7.00
21
461F1000
ref: 21
WASHER-SPRING,10MM
€ 0.50
22
314B1000
ref: 22
NUT,10MM
€ 0.50
23
113B10145
ref: 23
BOLT-HEX HEAD,10X145
€ 4.00
23
920011251
ref: 23
F7A
BOLT,HEX HEAD,10X150
€ 3.50
24
113B10225
ref: 24
BOLT-HEX HEAD,10X225
€ 15.00
24
113B10225
ref: 24
F7A
BOLT-HEX HEAD,10X225
€ 15.00
25
92006003
ref: 25
STUD,12X290
€ 10.00
26
461F1200
ref: 26
WASHER-SPRING,12MM
€ 0.50
27
314B1200
ref: 27
NUT-HEX-FINE
€ 1.00
28
55011012
ref: 28
GUARD-ENGINE
€ 15.00
29
112G0612
ref: 29
BOLT-UPSET
€ 2.50
30
410B0600
ref: 30
WASHER-PLAIN-SMALL,6M
€ 0.50
31
32098013
ref: 31
BOX-TOOL
€ 40.50
32
58041006
ref: 32
L=238 M/M
CHAIN
€ 0.00
32
58041012
ref: 32
F7B 22 LINKS
CHAIN
€ 13.50
33
92072012
ref: 33
BAND-TOOL
€ 4.50
?
27016029
ref: ?
Includes items 34 -
LOCK ASSY-STEERING
€ 18.00
35
2701801570
ref: 35
F7B
KEY SET-STRNG #270
€ 4.50
35
2701801571
ref: 35
F7B
KEY SET-STRNG #271
€ 4.50
35
2701801572
ref: 35
F7B
KEY SET-STRNG #272
€ 4.50
35
2701801573
ref: 35
F7B
KEY SET-STRNG #273
€ 4.00
35
2701801574
ref: 35
F7B
KEY SET-STRNG #274
€ 4.50
36
27032001
ref: 36
F7B
SPRING-STEERING LOCK
€ 3.50
37
110121134
ref: 37
F7B
CAP,STEERING LOCK
€ 4.50
38
92097003
ref: 38
F7B
WASHER
€ 2.50
39
92008007
ref: 39
F7B
SCREW-TAPPING
€ 2.50
up
all assemblies
CHASSIS ELECTRICAL EQUIPMENT
OWNER TOOLS/SPECIAL SERVICE TOOL
FRAME/FRAME FITTINGS ('71-'73 F7
SWING ARM/SHOCK ABSORBERS ('71-'
FOOTRESTS/STAND/BRAKE PEDAL
HANDLEBAR (F7/F7-A)
HANDLEBAR (F7-B)
FRONT FORK
FENDERS (F7-A)
FENDERS (F7-B)
FUEL TANK ('71-'73 F7/F7-A/F7-B)
OIL TANK ('71-'73 F7/F7-A/F7-B)
SEAT/CHAIN COVER ('71-'73 F7/F7-
CABLES ('71-'73 F7/F7-A/F7-B)
METERS/IGNITION SWITCH
SPECIAL SERVICE TOOLS
OPTIONAL PARTS (F7/F7-A)
ENGINE COVERS ('71-'73 F7/F7-A/F
OIL PUMP ('71-'73 F7/F7-A/F7-B)
CARBURETOR ('71-'73 F7/F7-A/F7-B
AIR CLEANER/MUFFLER ('71-'73 F7/
IGNITION/GENERATOR/RECTIFIER ('7
HEADLIGHT ('71-'73 F7/F7-A/F7-B)
TAILLIGHT ('71-'73 F7/F7-A/F7-B)
TURN SIGNALS (F7-B)
CHASSIS ELECTRICAL EQUIPMENT/OWN
WHEELS/TIRES ('74-'75 F7-C/F6-D)
FRONT HUB/BRAKE ('74-'75 F7-C/F6
REAR HUB/BRAKE/CHAIN ('74-'75 F7
FENDERS
FUEL TANK ('74-'75 F7-C/F6-D)
CYLINDER HEAD/CYLINDER ('74-'75
CRANKSHAFT/PISTON/ROTARY VALVE (
CRANKCASE ('74-'75 F7-C/F6-D)
CLUTCH ('74-'75 F7-C/F6-D)
TRANSMISSION/CHANGE DRUM ('74-'7
GEAR CHANGE MECHANISM ('74-'75 F
KICKSTARTER MECHANISM ('74-'75 F
FRAME/FRAME FITTINGS ('74-'75 F7
SWING ARM/SHOCK ABSORBERS ('74-'
FOOTRESTS/STAND/BRAKE/PEDAL
HANDLEBAR
FRONT FORK
WHEELS/TIRES ('71-'73 F7/F7-A/F7
FRONT HUB/BRAKE ('71-'73 F7/F7-A
REAR HUB/BRAKE/CHAIN ('71-'73 F7
FENDERS (F7)
OIL TANK ('74-'75 F7-C/F6-D)
SEAT/CHAIN COVER ('74-'75 F7-C/F
CABLES ('74-'75 F7-C/F6-D)
METERS/IGNITION SWITCH
HEADLIGHT ('74-'75 F7-C/F6-D)
TAILLIGHT ('74-'75 F7-C/F6-D)
TURN SIGNALS
CYLINDER HEAD/CYLINDER ('71-'73
CRANKSHAFT/PISTON/ROTARY VALVE (
CRANKCASE ('71-'73 F7/F7-A/F7-B)
CLUTCH ('71-'73 F7/F7-A/F7-B)
TRANSMISSION/CHANGE DRUM ('71-'7
GEAR CHANGE MECHANISM ('71-'73 F
KICKSTARTER MECHANISM ('71-'73 F
ENGINE COVERS ('74-'75 F7-C/F6-D
OIL PUMP ('74-'75 F7-C/F6-D)
CARBURETOR ('74-'75 F7-C/F6-D)
AIR CLEANER/MUFFLER ('74-'75 F7-
IGNITION/GENERATOR/RECTIFIER ('7
up