×
Genuine ZX Kawasaki Parts delivered quickly!
home
SUSPENSION
ZX600A2 1986 EUROPE UK FR GR IT NR SD
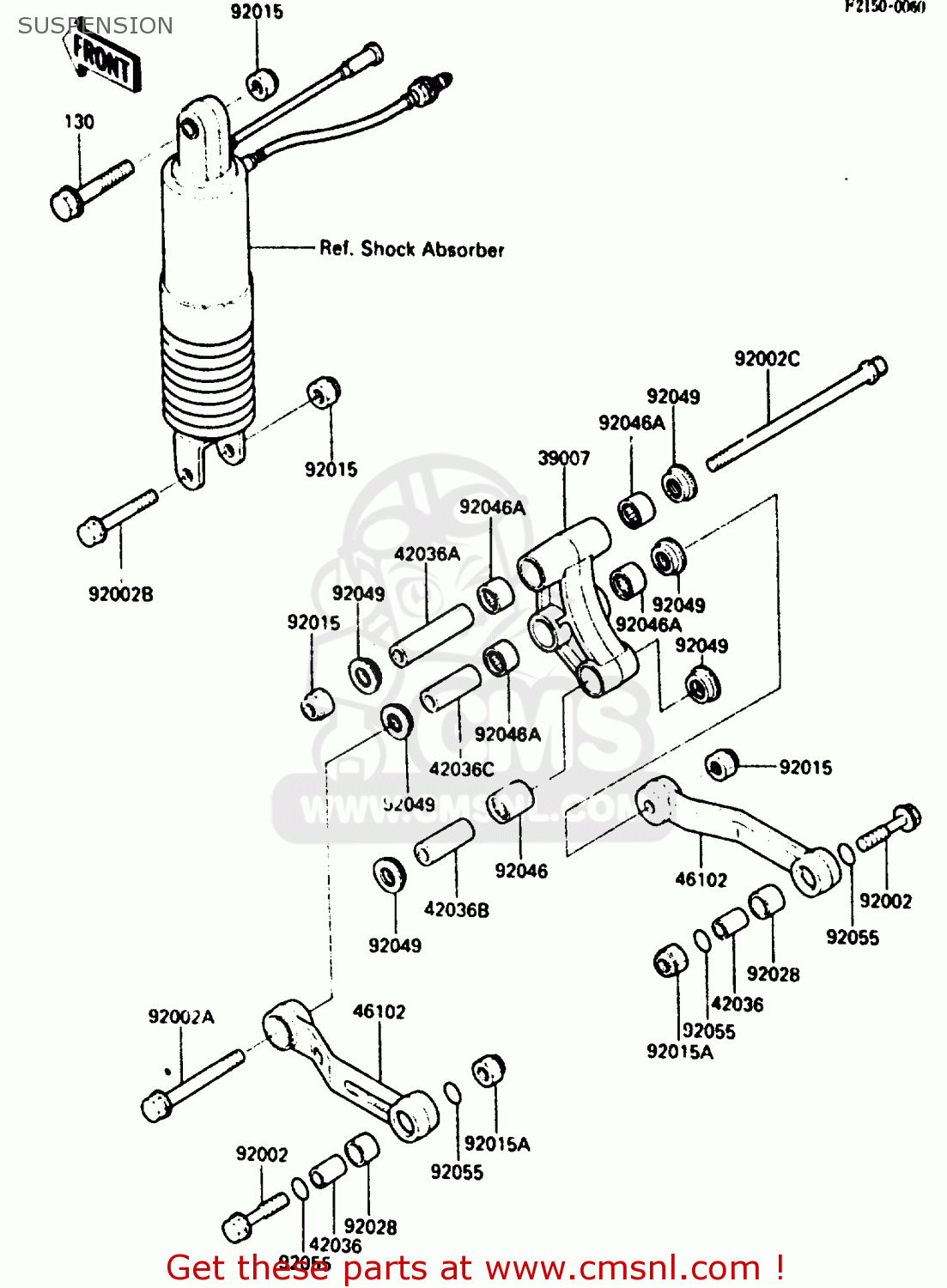
Suspension diagram ZX600A2 1986 EUROPE UK FR GR IT NR SD
SUSPENSION ZX600A2 1986 EUROPE UK FR GR IT NR SD
×
prices are in EUR
ref
part #
description
quantity
39007
390071071
ref: 39007
ARM-SUSP,UNI TRAK
€ 89.50
42036
420361018
ref: 42036
SLEEVE,SWING ARM
€ 36.50
43036A
420361102
ref: 43036A
SLEEVE,12.1X20X74
€ 19.50
42036B
420361108
ref: 42036B
SLEEVE,12.1X20X40
€ 14.00
42036C
420361111
ref: 42036C
SLEEVE,12.5X20X50
€ 15.00
46102
461021140
ref: 46102
ROD,UNI TRAK
€ 81.50
92002
920011939
ref: 92002
BOLT,12X45
€ 5.50
92002A
920021463
ref: 92002A
BOLT,FLANGED,12X85
€ 12.50
92002B
920021464
ref: 92002B
BOLT,FLANGED,12X60
€ 8.50
92002C
920021490
ref: 92002C
BOLT,SUSPENSION ARM
€ 19.50
92015
920151190
ref: 92015
NUT,LOCK,12MM,BLACK
€ 4.50
92015A
920151375
ref: 92015A
NUT,12MM
€ 4.50
92028
920281202
ref: 92028
BUSHING,20X23X15L
€ 18.00
92046
920461110
ref: 92046
BEARING-NEEDLE,BM2027
€ 22.50
92046A
920461112
ref: 92046A
BEARING-NEEDLE,BM2027
€ 21.50
92049
920491109
ref: 92049
SEAL-OIL,ARM,CNT
€ 6.50
92055
920551215
ref: 92055
RING-O,19.8X2.2
€ 2.50
130
130G1250
ref: 130
BOLT-FLANGED
€ 4.00
up
all assemblies
PUBLICATIONS
MODEL IDENTIFICATION
CAMSHAFT/TANSIONER
CRANKSHAFT
SECONDARY SHAFT
CLUTCH
TRANSMISSION
CYLINDER HEAD (ZX600AE023372~)
CYLINDER HEAD COVER
CYLINDER/PISTON
AIR FILTER
MUFFLER
VALVE
CARBURETOR PARTS
OIL PUMP
GENERATOR
CHANGE DRUM/SHIFT FORK
GEAR CHANGE MECHANISM
CRANKCASE
CRANKCASE BOLT PATTERN
ENGINE COVER
OIL PAN
CARBURETOR
IGNITION COIL
STARTER MOTOR
RADIATOR (ZX600AE000001~029800)
RADIATOR (Z600AE029801~)
OIL COOLER
FENDER
STAND
TIRE
FRONT HUB
REAR HUB
FRAME
FRAME FITTING
BATTERY CASE
SWING ARM
SUSPENSION
STEP
FRONT FORK
FUEL TANK (ZX600-A2)
BRAKE PEDAL
SHOCK ABSORBER
FRONT MASTER CYLINDER
FRONT CALIPER
REAR MASTER CYLINDER
REAR CALIPER
HANDLEBAR
SIDE COVER/CHAIN CASE (ZX600-A2)
HEAD LAMP
SEAT (ZX600-A2)
METER
CABLE
TAIL LAMP
TURN SIGNAL
ELECTRICAL EQUIPMENT
IGNITION SWITCH
TOOL
LABEL
COWLING (ZX600-A2)
up