×
Genuine ZX Kawasaki Parts delivered quickly!
home
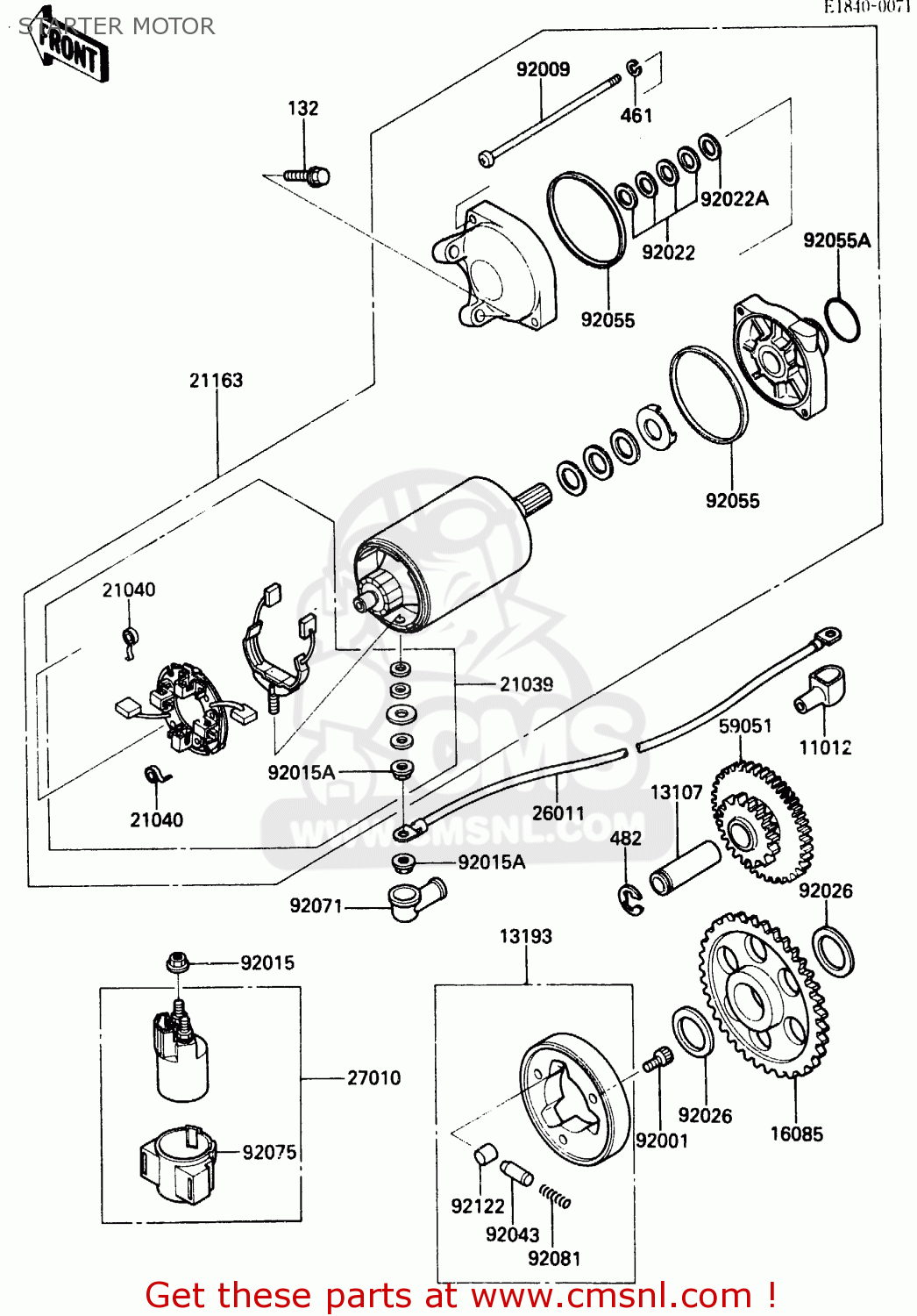
STARTER MOTOR
ZX500A2 1986 EUROPE NR / KPH
Starter motor diagram ZX500A2 1986 EUROPE NR / KPH
STARTER MOTOR ZX500A2 1986 EUROPE NR / KPH
×
prices are in EUR
ref
part #
description
quantity
11012
110121354
ref: 11012
CAP,TERMINAL
€ 7.00
13107
131071144
ref: 13107
SHAFT,IDLE GEAR
€ 10.00
13193
131931002
ref: 13193
CLUTCH-ASSY-ONEWAY
€ 96.00
16085
160851030
ref: 16085
GEAR,ONEWAY CLUTCH
€ 97.50
21039
210391053
ref: 21039
BRUSH,CARBON
€ 89.50
21040
210401003
ref: 21040
SPRING-BRUSH
€ 6.00
21163
211631072
ref: 21163
STARTER-ELECTRIC
€ 199.00
26011
260111251
ref: 26011
WIRE-LEAD,STARTER MOT
€ 55.50
27010
270101098
ref: 27010
SWITCH,MAGNETIC
€ 115.50
59051
590511138
ref: 59051
GEAR-SPUR,IDLE
€ 99.50
92001
920011424
ref: 92001
BOLT,SOCKET,8X10
€ 3.00
92009
920091397
ref: 92009
SCREW
€ 4.50
92015
920151193
ref: 92015
NUT,FLANGED,6MM
€ 0.50
92015A
920151476
ref: 92015A
NUT,6MM
€ 2.50
92022
21025011
ref: 92022
WASHER, THRUST, 0.2T
€ 4.00
92022A
920221132
ref: 92022A
WASHER,9.1X18X0.8
€ 4.00
92026
920261025
ref: 92026
SPACER,25X36X3.2
€ 3.50
92043
92043132
ref: 92043
PIN
€ 4.00
92055
920551086
ref: 92055
O RING,64MM
€ 6.50
92055A
920551276
ref: 92055A
RING-O
€ 6.50
92071
21017017
ref: 92071
GROMMET-CORD
€ 6.50
92075
21064002
ref: 92075
DAMPER,MAGNETIC SWITC
€ 13.50
92081
92081159
ref: 92081
SPRING, COIL
€ 2.50
92122
92122006
ref: 92122
ROLLER
€ 4.00
132
132W0625
ref: 132
BOLT-FLANGED-SMALL
€ 2.50
461
461K0500
ref: 461
WASHER-SPRING,5MM,BLA
€ 0.50
482
482J0300
ref: 482
CIRCLIP-TYPE-E
€ 2.00
up
all assemblies
PUBLICATIONS
MODEL IDENTIFICATION
CAMSHAFT/TENSIONER
CRANKSHAFT
SECONDARY SHAFT
CLUTCH
TRANSMISSION
CYLINDER HEAD (ZX500AE000801~)
CYLINDER HEAD COVER
CYLINDER/PISTON
AIR FILTER
MUFFLER
VALVE
CARBURETOR PARTS
OIL PUMP
GENERATOR
IGNITION COIL
STARTER MOTOR
CHANGE DRUM/SHIFT FORK
GEAR CHANGE MECHANISM
CRANKCASE
CRANKCASE BOLT PATTERN
ENGINE COVER
OIL PAN
CARBURETOR
RADIATOR
RADIATOR
OIL COOLER
FENDER
STAND
TIRE
FRONT HUB
REAR HUB
FRAME
FRAME FITTING
BATTERY CASE
SWING ARM
SUSPENSION
STEP
FRONT FORK
BRAKE PEDAL
SHOCK ABSORBER
FRONT MASTER CYLINDER
FRONT CALIPER
REAR MASTER CYLINDER
REAR CALIPER
HANDLEBAR
HEAD LAMP
TAIL LAMP
TURN SIGNAL
ELECTRICAL EQUIPMENT
IGNITION SWITCH
SEAT (ZX500-A2)
METER
CABLE
SIDE COVER/CHAIN CASE (ZX500-A2)
TOOL
LABEL
up