×
Genuine KZ Kawasaki Parts delivered quickly!
home
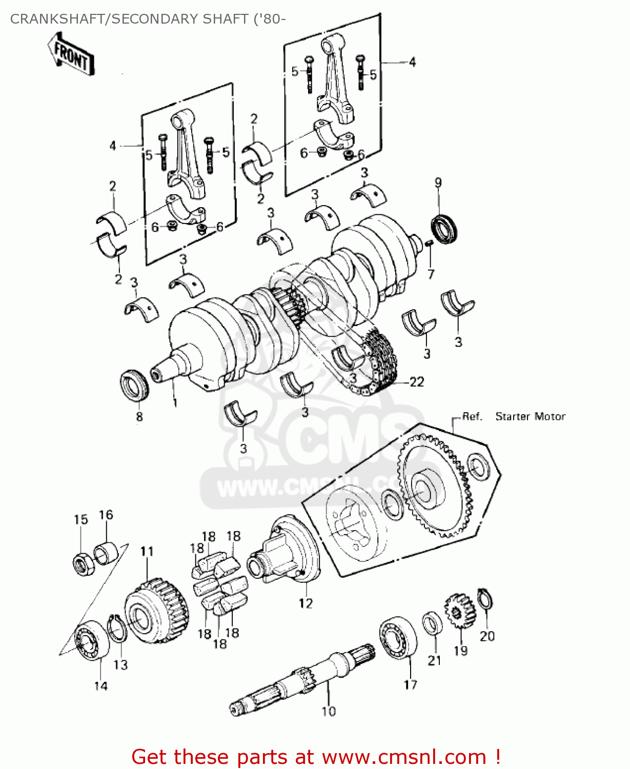
CRANKSHAFT/SECONDARY SHAFT ('80-
KZ550C3 LTD 1982 USA CANADA
Crankshaft/secondary shaft ('80- diagram KZ550C3 LTD 1982 USA CANADA
CRANKSHAFT/SECONDARY SHAFT ('80- KZ550C3 LTD 1982 USA CANADA
×
prices are in EUR
ref
part #
description
quantity
1
130311014
ref: 1
CRANKSHAFT-COMP
€ 1,480.50
2
130341067
ref: 2
"BLUE MARK"
BUSHING,CONNECTING RO
€ 13.00
2
130341068
ref: 2
"BLACK MARK"
BUSHING,CONNECTING RO
€ 13.00
2
130341069
ref: 2
"BROWN MARK"
BUSHING,CONNECTING RO
€ 13.00
3
130341016
ref: 3
"BROWN MARK"
METAL,CRANKSHAFT,BROW
€ 13.00
3
130341017
ref: 3
"BLACK MARK"
METAL,CRANKSHAFT,BLAC
€ 13.00
3
130341018
ref: 3
"BLUE MARK"
METAL,CRANKSHAFT,BLUE
€ 13.00
4
132511004JJ
ref: 4
"E" MARK
ROD-ASSY-CONNECTING
€ 194.50
4
132511004JJ
ref: 4
"G" MARK
ROD-ASSY-CONNECTING
€ 194.50
5
920011793
ref: 5
BOLT, CONNECTING ROD
€ 5.50
6
92016060
ref: 6
NUT, CONNECTING ROD
€ 3.50
7
555A0408
ref: 7
PIN-SPRING,4X8
€ 2.50
8
920491013
ref: 8
OIL SEAL,HSCY25X36X7
€ 8.00
9
92050081
ref: 9
OIL SEAL, HSCY 25397
€ 8.00
10
131271007
ref: 10
SHAFT,SECONDARY
€ 162.00
11
420341004
ref: 11
COUPLING,OUTER,SECOND
€ 109.00
12
420341005
ref: 12
COUPLING,INNER,SECOND
€ 121.00
13
480J2800
ref: 13
CIRCLIP-TYPE-C,28MM
€ 3.50
14
601B6205
ref: 14
#6205
BEARING-BALL,#6205C3
€ 14.00
15
92015019
ref: 15
NUT,18MM
€ 4.00
16
920281037
ref: 16
BUSHING,20X25X16.6
€ 16.00
17
920451017
ref: 17
#63/22X
BEARING-BALL,#63/22X
€ 32.50
18
920751070
ref: 18
DAMPER,COUPLING
€ 4.50
19
130971008
ref: 19
GEAR,PRIMARY,Z6T
€ 74.50
20
480J2200
ref: 20
CIRCLIP-TYPE-C,22MM
€ 3.00
21
920271438
ref: 21
COLLAR,22X34X7.3
€ 4.00
22
920571011
ref: 22
CHAIN,PRIMARY DRIVE
€ 46.50
up
all assemblies
OIL PUMP/OIL FILTER ('82-'83 C3/
CARBURETOR ASSY ('82-'83 C3/C4)
CARBURETOR PARTS ('82-'83 C3/C4)
FRAME ('80-'81 C1/C2)
FRAME FITTINGS/BATTERY CASE ('80
SWING ARM/SHOCK ABSORBERS ('80-'
FOOTRESTS ('80-'81 C1/C2)
STANDS/BRAKE PEDAL ('80-'81 C1/C
HANDLEBAR ('80-'81 C1/C2)
FRAME ('82-'83 C3/C4)
FRAME FITTINGS ('82-'83 C3/C4)
BATTERY CASE/ELECTRO BRACKET ('8
SWING ARM/SHOCK ABSORBERS ('82-'
FOOTRESTS ('82-'83 C3/C4)
CRANKCASE BOLT & STUD PATTERN ('
STANDS ('82-'83 C3/C4)
CLUTCH ('80-'81 C1/C2)
BRAKE PEDAL/TORQUE LINK ('82-'83
TRANSMISSION ('80-'81 C1/C2)
GEAR CHANGE DRUM & FORKS ('80-'8
GEAR CHANGE MECHANISM ('80-'81 C
REAR WHEEL/HUB/BRAKE/CHAIN ('80-
FENDERS ('80-'81 C1/C2)
FUEL TANK ('80-'81 C1/C2)
SIDE COVERS/CHAIN COVER ('80-'81
SEAT ('80-'81 C1/C2)
CABLES ('80-81 C1/C2)
METERS ('80-'81 C1/C2)
HANDLEBAR ('82-'83 C3/C4)
FRONT FORK (KZ550-C3)
FRONT FORK (KZ550-C4)
FRONT MASTER CYLINDER ('82-'83 C
FRONT BRAKE ('82-'83 C3/C4)
HEADLIGHT ('80-'81 C1/C2)
TAILLIGHT ('80-'81 C1/C2)
TURN SIGNALS ('80-'81 C1/C2)
IGNITION SWITCH/LOCKS/REFLECTORS
TIRES ('82-'83 C3/C4)
FRONT WHEELS/HUB ('82-'83 C3/C4)
REAR WHEEL/HUB/BRAKE/CHAIN ('82-
FENDERS ('82-'83 C3/C4)
FUEL TANK ('82-'83 C3/C4)
SIDE COVERS/CHAIN COVER ('82-'83
SEAT ('82-'83 C3/C4)
CHASSIS ELECTRICAL EQUIPMENT ('8
OWNER TOOLS ('80-'81 C1/C2)
SPECIAL SERVICE TOOLS "A" ('80-'
SPECIAL SERVICE TOOLS "B" ('80-'
CRANKCASE BOLT & STUD PATTERN ('
CLUTCH ('82-'83 C3/C4)
TRANSMISSION ('82-'83 C3/C4)
GEAR CHANGE DRUM & FORKS ('82-'8
GEAR CHANGE MECHANISM ('82-'83 C
IGNITION SWITCH/LOCKS/REFLECTORS
CHASSIS ELECTRICAL EQUIPMENT ('8
LABELS ('82-'83 C3/C4)
AIR CLEANER ('80-'81 C1/C2)
OWNER TOOLS (KZ550-C3)
MUFFLERS ('80-'81 C1/C2)
OWNER TOOLS ('82-'83 C3/C4)
IGNITION ('80-'81 C1/C2)
GENERATOR/REGULATOR ('80-'81 C1/
STARTER MOTOR/STARTER CLUTCH ('8
CYLINDER HEAD COVER ('80-'81 C1/
CABLES ('82-'83 C3/C4)
CYLINDER HEAD ('80-'81 C1/C2)
METERS ('82-'83 C3/C4)
VALVES ('80-'81 C1/C2)
HEADLIGHT ('82-'83 C3/C4)
CAMSHAFTS/CHAIN/TENSIONER ('80-'
TAILLIGHT ('82-'83 C3/C4)
CYLINDER/PISTONS ('80-'81 C1/C2)
TURN SIGNALS ('82-'83 C3/C4)
CRANKSHAFT/SECONDARY SHAFT ('80-
CRANKCASE ('80-'81 C1/C2)
CYLINDER HEAD COVERS ('82-'83 C3
CYLINDER HEAD ('82-'83 C3/C4)
VALVES ('82-'83 C3/C4)
CAMSHAFTS/CHAIN/TENSIONER ('82-'
CYLINDER/PISTONS ('82-'83 C3/C4)
CRANKSHAFT/SECONDARY SHAFT ('82-
CRANKCASE ('82-'83 C3/C4)
ENGINE COVERS ('80-'81 C1/C2)
BREATHER COVER/OIL PAN ('80-'81
OIL PUMP/OIL FILTER ('80-'81 C1/
CARBURETOR ASSY ('80-'81 C1/C2)
CARBURETOR PARTS ('80-'81 C1/C2)
AIR CLEANER ('82-'83 C3/C4)
MUFFLERS ('82-'83 C3/C4)
IGNITION ('82-'83 C3/C4)
GENERATOR/REGULATOR ('82-'83 C3/
STARTER MOTOR/STARTER CLUTCH ('8
FRONT FORK ('80-'81 C1/C2)
FRONT MASTER CYLINDER ('80-'81 C
FRONT BRAKE ('80-'81 C1/C2)
TIRES ('80-'81 C1/C2)
FRONT WHEEL/HUB ('80-'81 C1/C2)
ENGINE COVERS ('82-'83 C3/C4)
BREATHER COVER/OIL PAN ('82-'83
up