×
Genuine KX Kawasaki Parts delivered quickly!
home
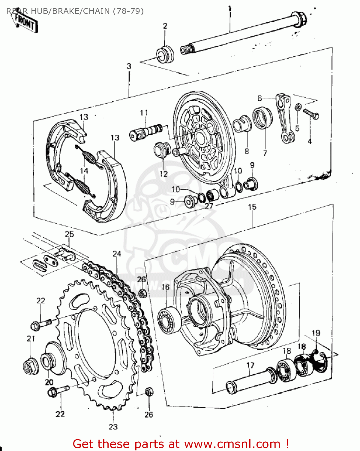
REAR HUB/BRAKE/CHAIN (78-79)
KX250 1974
Rear hub/brake/chain (78-79) diagram KX250 1974
REAR HUB/BRAKE/CHAIN (78-79) KX250 1974
×
prices are in EUR
ref
part #
description
quantity
1
410681007
ref: 1
AXLE,REAR
€ 65.00
2
920271039
ref: 2
COLLAR,REAR AXLE
€ 3.50
3
41035100321
ref: 3
PANEL ASSY,REAR BRAKE
€ 361.00
4
112G0622
ref: 4
BOLT-UPSET
€ 2.50
5
410B0600
ref: 5
WASHER-PLAIN-SMALL,6M
€ 0.50
6
410531004
ref: 6
LEVER-BRAKE CAM
€ 76.50
7
920931004
ref: 7
OIL SEAL
€ 3.50
8
420361010
ref: 8
R.H.
SLEEVE,RR BRAKE PANEL
€ 26.50
9
920271040
ref: 9
COLLAR,L=11.5
€ 12.50
10
670B2011
ref: 10
O RING,11MM
€ 1.00
11
410501002
ref: 11
CAM-BRAKE
€ 29.00
12
420361009
ref: 12
L.H.
SLEEVE,RR BRAKE PANEL
€ 39.50
13
42019011
ref: 13
SHOE,BRAKE (MCA)
€ 18.50
14
42020004
ref: 14
SPRING-BRAKE SHOE
€ 5.50
15
41034100721
ref: 15
DRUM ASSY,REAR BRAKE
€ 394.00
16
601B6303U
ref: 16
BEARING-BALL
€ 26.00
17
920271037
ref: 17
COLLAR,REAR BRAKE
€ 35.50
18
601B6003U
ref: 18
BEARING-BALL,#6003UC3
€ 21.50
19
481J3500
ref: 19
CIRCLIP-TYPE-C,35MM
€ 1.00
20
920271038
ref: 20
COLLAR,REAR AXLE
€ 9.50
21
920151015
ref: 21
NUT,16MM
€ 13.50
22
920011040
ref: 22
8 X 32
BOLT,HEX HEAD,8X32
€ 5.50
23
420411006
ref: 23
S.T.D.
REAR SPROCKET,50T
€ 74.50
23
420411022
ref: 23
OPTION
REAR SPROCKET,48T
€ 72.00
23
420411008
ref: 23
OPTION
REAR SPROCKET,52T
€ 80.50
24
920571004
ref: 24
KX250-A4
CHAIN ASSY,DRIVE,110L
€ 56.50
24
920571028
ref: 24
KX250-A5+
CHAIN ASSY,DRIVE 116L
€ 109.50
25
920581002
ref: 25
D1D520TR
JOINT,DRIVE CHAIN
€ 6.00
26
920151124
ref: 26
NUT,LOCK,8MM
€ 3.50
27
920461009
ref: 27
BEARING-NEEDLE,HK1216
€ 14.50
up
all assemblies
FRONT FORK (KX250-A/A3)
WHEELS/TIRES (74-76)
FUEL TANK/SEAT (74-76)
CABLES (74-76)
OWNER TOOLS/SPECIAL SERVICE TOOL
CYLINDER HEAD/CYLINDER/REED VALV
CRANKSHAFT/PISTON (78-79)
CRANKCASE (78-79)
CLUTCH (78-79)
TRANSMISSION (78-79)
GEAR CHANGE MECHANISM (78-79)
ENGINE COVERS (74-76)
CARBURETOR (74-76)
AIR CLEANER/MUFFLER (74-76)
IGNITION (74-76)
MUFFLER (78-79)
IGNITION (78-79)
KICKSTARTER MECHANISM (78-79)
ENGINE COVERS (78-79)
CARBURETOR (78-79)
AIR CLEANER (78-79)
FRONT FORK (KX250-A5) (78-79)
WHEELS/TIRES (78-79)
FRONT HUB/BRAKE (78-79)
REAR HUB/BRAKE/CHAIN (78-79)
FRAME/FRAME FITTINGS (78-79)
SWING ARM/SHOCK ABSORBERS (78-79
HANDLEBAR (78-79)
FRONT FORK (KX250-A4) (78-79)
FENDERS/NUMBER PLATE (78-79)
FUEL TANK (KX250-A4)
FUEL TANK (KX250-A5)
SEAT/SIDE COVERS (78-79)
CABLES (78-79)
OWNER TOOLS/SPECIAL SERVICE TOOL
CYLINDER HEAD/CYLINDER (74-76)
CRANKSHAFT/PISTON (74-76)
CRANKCASE (74-76)
CLUTCH (74-76)
TRANSMISSION/CHANGE DRUM (74-76)
GEAR CHANGE MECHANISM (74-76)
KICKSTARTER MECHANISM (74-76)
FRONT HUB/BRAKE (KX250)
FRONT HUB/BRAKE (KX250-A/A3)
REAR HUB/BRAKE/CHAIN (KX250)
REAR HUB/BRAKE/CHAIN (KX250-A/A3
FENDERS/NUMBER PLATES (74-76)
FRAME/FRAME FITTINGS (74-76)
SWING ARM/SHOCK ABSORBERS (KX250
SWING ARM/SHOCK ABSORBERS (KX250
HANDLEBAR (74-76)
FRONT FORK (KX250)
up