×
Genuine KX Kawasaki Parts delivered quickly!
home
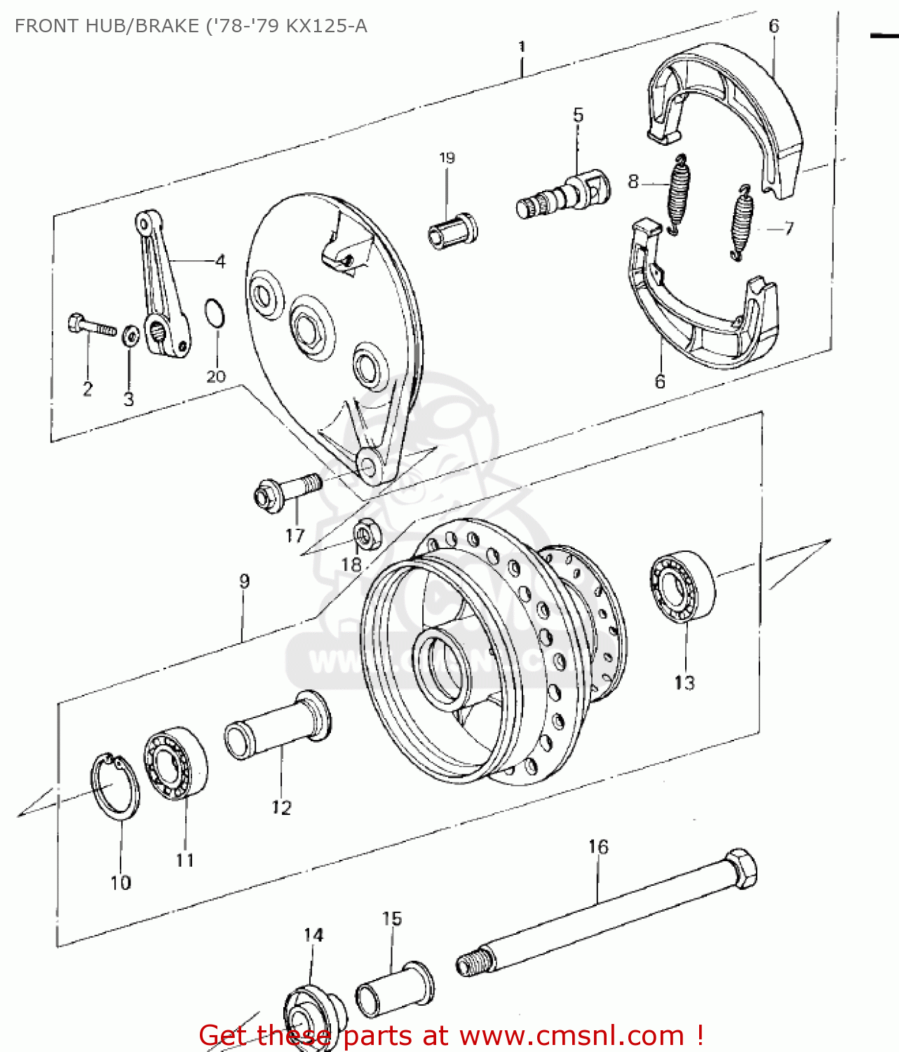
FRONT HUB/BRAKE ('78-'79 KX125-A
KX125-A5 1979
Front hub/brake ('78-'79 kx125-a diagram KX125-A5 1979
FRONT HUB/BRAKE ('78-'79 KX125-A KX125-A5 1979
×
prices are in EUR
ref
part #
description
quantity
1
41035101121
ref: 1
PANEL ASSY,FRT BRAKE
€ 223.50
2
112G0622
ref: 2
BOLT-UPSET
€ 2.50
3
410B0600
ref: 3
WASHER-PLAIN-SMALL,6M
€ 0.50
4
410531007
ref: 4
LEVER,BRAKE CAM,FRONT
€ 40.50
5
410501006
ref: 5
CAM SHAFT,FRONT BRAKE
€ 19.50
6
41048015
ref: 6
SHOE,BRAKE (MCA)
€ 14.50
7
920811766
ref: 7
SPRING,BRAKE SHOE
€ 5.50
8
920811550
ref: 8
SPRING,BRAKE SHOE
€ 6.00
9
41034100921
ref: 9
DRUM ASSY,FRONT BRAKE
€ 285.00
10
481J3700
ref: 10
CIRCLIP-TYPE-C,37MM
€ 1.50
11
601B6301U
ref: 11
BEARING-BALL,#6301UC3
€ 27.00
12
920271073
ref: 12
COLLAR,FRONT BEARING
€ 30.50
13
601B6201U
ref: 13
BEARING-BALL,#6201LUC
€ 18.50
14
920271071
ref: 14
COLLAR,FRONT AXLE
€ 9.00
15
920271070
ref: 15
COLLAR,FRONT AXLE
€ 24.50
16
410681008
ref: 16
AXLE,FRONT
€ 32.00
17
920011084
ref: 17
KX125-A4
BOLT,HEX HEAD,10X38
€ 3.00
17
920011182
ref: 17
KX125-A5
BOLT,10X45
€ 6.00
18
92019021
ref: 18
NUT,LOCK,10M/M
€ 2.00
19
920281020
ref: 19
BRAKE CAMSHAFT BUSHING
€ 14.00
20
670B2012
ref: 20
O RING,12MM
€ 1.00
up
all assemblies
FRAME/FRAME FITTINGS
SWING ARM/SHOCK ABSORBERS ('74-'
HANDLEBAR ('74-'76 KX125/A/A3)
FRONT FORK
WHEELS/TIRES ('74-'76 KX125/A/A3
FRONT HUB/BRAKE ('74-'76 KX125/A
REAR HUB/BRAKE/CHAIN ('74-'76 KX
SPECIAL SERVICE TOOLS
NUMBER PLATE/FENDERS ('74-'76 KX
FUEL TANK ('74-'76 KX125/A/A3)
SEAT/SIDE COVERS ('74-'76 KX125/
CABLES ('74-'76 KX125/A/A3)
OWNER TOOLS
CYLINDER HEAD/CYLINDER /REED VAL
CRANKSHAFT/PISTON
CRANKCASE ('78-'79 KX125-A4/A5)
CLUTCH ('78-'79 KX125-A4/A5)
TRANSMISSION
GEAR CHANGE MECHANISM ('78-'79 K
MUFFLER
IGNITION ('78-'79 KX125-A4/A5)
FRAME/FRAME FITTINGS
SWING ARM/SHOCK ABSORBERS ('78-'
HANDLEBAR ('78-'79 KX125-A4/A5)
FRONT FORK (KX125-A4)
ENGINE COVERS ('74-'76 KX125/A/A
CARBURETOR ('74-'76 KX125/A/A3)
AIR CLEANER/MUFFLER
IGNITION ('74-'76 KX125/A/A3)
NUMBER PLATE/FENDERS ('78-'79 KX
FUEL TANK ('78-'79 KX125-A4/A5)
SEAT/SIDE COVERS ('78-'79 KX125-
CABLES ('78-'79 KX125-A4/A5)
OWNER TOOLS/SPECIAL SERVICE TOOL
KICKSTARTER MECHANISM ('78-'79 K
ENGINE COVERS ('78-'79 KX125-A4/
CARBURETOR ('78-'79 KX125-A4/A5)
AIR CLEANER
CYLINDER HEAD/CYLINDER
CRANKSHAFT/PISTON/ROTARY VALVE
CRANKCASE ('74-'76 KX125/A/A3)
CLUTCH ('74-'76 KX125/A/A3)
TRANSMISSION/CHANGE DRUM
GEAR CHANGE MECHANISM ('74-'76 K
KICKSTARTER MECHANISM ('74-'76 K
FRONT FORK (KX125-A5)
WHEELS/TIRES ('78-'79 KX125-A4/A
FRONT HUB/BRAKE ('78-'79 KX125-A
REAR HUB/BRAKE/CHAIN ('78-'79 KX
up