×
Genuine KDX Kawasaki Parts delivered quickly!
home
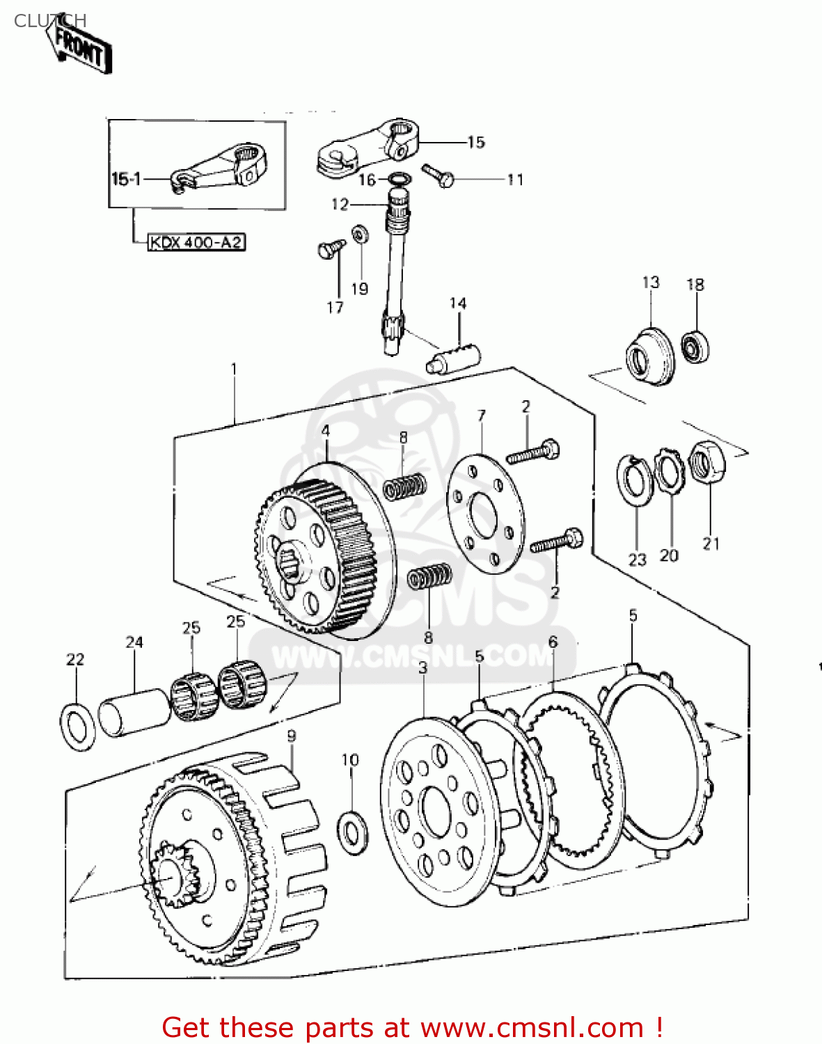
CLUTCH
KDX400-A2 KDX400 1980 USA CANADA
Clutch diagram KDX400-A2 KDX400 1980 USA CANADA
CLUTCH KDX400-A2 KDX400 1980 USA CANADA
×
prices are in EUR
ref
part #
description
quantity
1
130811027
ref: 1
CLUTCH ASSY
€ 384.50
2
112G0618
ref: 2
BOLT-UPSET
€ 0.50
3
13086016
ref: 3
WHEEL,CLUTCH
€ 52.50
4
130871012
ref: 4
HUB,CLUTCH
€ 53.50
5
13088041
ref: 5
PLATE,CLUTCH FRICTION (NAS)
€ 12.00
6
13089025
ref: 6
PLATE,CLUTCH STEEL (NAS)
€ 15.50
7
13091016
ref: 7
PLATE,CLUTCH SPRING (NAS)
€ 5.50
8
920811151
ref: 8
SPRING,CLUTCH
€ 5.00
9
130951017
ref: 9
HOUSING,CLUTCH
€ 286.50
10
92022282
ref: 10
WASHER,CLUTCH THRUST
€ 7.50
11
112G0618
ref: 11
BOLT-UPSET
€ 0.50
12
13106008
ref: 12
SHAFT,CLUTCH RELEASE
€ 64.50
13
130911071
ref: 13
HOLDER,CLUTCH PUSHER
€ 15.00
14
13116025
ref: 14
ROD,CLUTCH PUSH
€ 19.50
15
131681010
ref: 15
LEVER,CLUTCH RELEASE
€ 64.00
15-1
131681023
ref: 15-1
LEVER,CLUTCH RELEASE
€ 22.00
16
670B2010
ref: 16
O RING,10MM
€ 1.00
17
92003130
ref: 17
BOLT,CLUTCH RELEASE
€ 3.50
18
920451005
ref: 18
BEARING-BALL,607MC3
€ 20.00
19
92065092
ref: 19
GASKET,R.H ENG COVER (NAS)
€ 2.50
20
464H1600
ref: 20
WASHER-TOOTHED,16MM
€ 3.00
21
920151016
ref: 21
NUT,16MM
€ 3.50
22
92022314
ref: 22
WASHER,20X35X1
€ 4.50
23
920221277
ref: 23
WASHER,16.8X32X1.6
€ 3.50
24
920281067
ref: 24
BUSHING,CLUT 20X25X40
€ 17.00
25
920461003
ref: 25
BEARING,NEEDLE
€ 16.00
up
all assemblies
CYLINDER HEAD/CYLINDER/REED VALV
CRANKSHAFT/PISTON
CRANKCASE
CLUTCH
TRANSMISSION
GEAR CHANGE MECHANISM
KICKSTARTER MECHANISM
IGNITION/GENERATOR
FRAME/FRAME FITTINGS
SWING ARM/SHOCK ABSORBERS
FOOTRESTS/STAND
BRAKE PEDAL/TORQUE LINK
HANDLEBAR
FRONT FORK
WHEELS/TIRES
CABLES
METER
HEADLIGHT
TAILLIGHT/CHASSIS ELECTRICAL EQU
LABELS
OWNER TOOLS
OPTIONAL PARTS
ENGINE COVERS
CARBURETOR
AIR CLEANER
MUFFLER
FRONT HUB/BRAKE
REAR HUB/BRAKE/CHAIN
FENDERS
FUEL TANK
SEAT/SIDE COVERS/CHAIN COVER
up