×
Genuine ER Kawasaki Parts delivered quickly!
home
ER250B2 SCORPION 1984 USA
PUBLICATIONS
0 products
MODEL IDENTIFICATION
0 products
CLUTCH
17 products
TRANSMISSION
27 products
CHANGE DRUM/SHIFT FORK
12 products
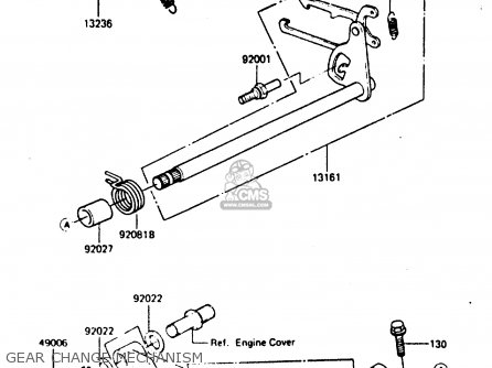
GEAR CHANGE MECHANISM
20 products
CRANKCASE
18 products
CYLINDER HEAD
25 products
CYLINDER/PISTON
12 products
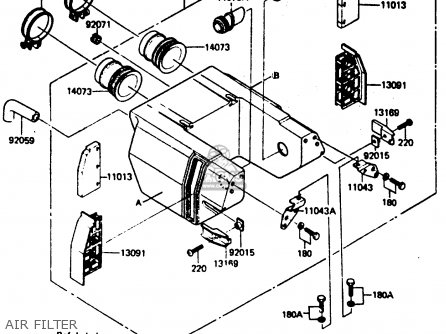
AIR FILTER
15 products
MUFFLER
13 products
VALVE
13 products
CAMSHAFT/TENSIONER
19 products
CRANKSHAFT
3 products
STARTER MOTOR
38 products
CRANKCASE BOLT PATTERN
8 products
ENGINE COVER
27 products
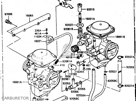
CARBURETOR
36 products
CARBURETOR PARTS
25 products
OIL PUMP
15 products
GENERATOR
8 products
IGNITION COIL
14 products
STAND
9 products
TIRE
6 products
FRONT HUB
19 products
REAR HUB
30 products
BRAKE PEDAL
18 products
FRAME
7 products
FRAME FITTING
10 products
BATTERY CASE
15 products
SWING ARM
10 products
SUSPENSION/SHOCK ABSORBER
23 products
STEP
12 products
FENDER
10 products
METER
22 products
CABLE
6 products
SIDE COVER/CHAIN CASE
17 products
FRONT MASTER CYLINDER
24 products
FRONT CALIPER
14 products
HANDLEBAR
26 products
FRONT FORK
31 products
FUEL TANK
21 products
SEAT (ER250B-000501~001006)
13 products
SEAT (ER250B-001007~)
13 products
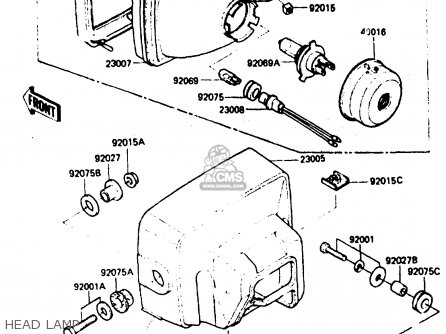
HEAD LAMP
29 products
TAIL LAMP
14 products
TURN SIGNAL
14 products
ELECTRICAL EQUIPMENT
22 products
IGNITION SWITCH
14 products
TOOL
14 products
LABEL
5 products
up
popular products
920371452
CLAMP,57MM,BLACK
Kawasaki
920551053
O RING,DRAIN SCREW
Kawasaki
920271131
COLLAR,HEAD LAMP FITT
Kawasaki
160971002
FILTER ASSY,OIL
Kawasaki