×
Genuine unknown Kawasaki Parts delivered quickly!
home
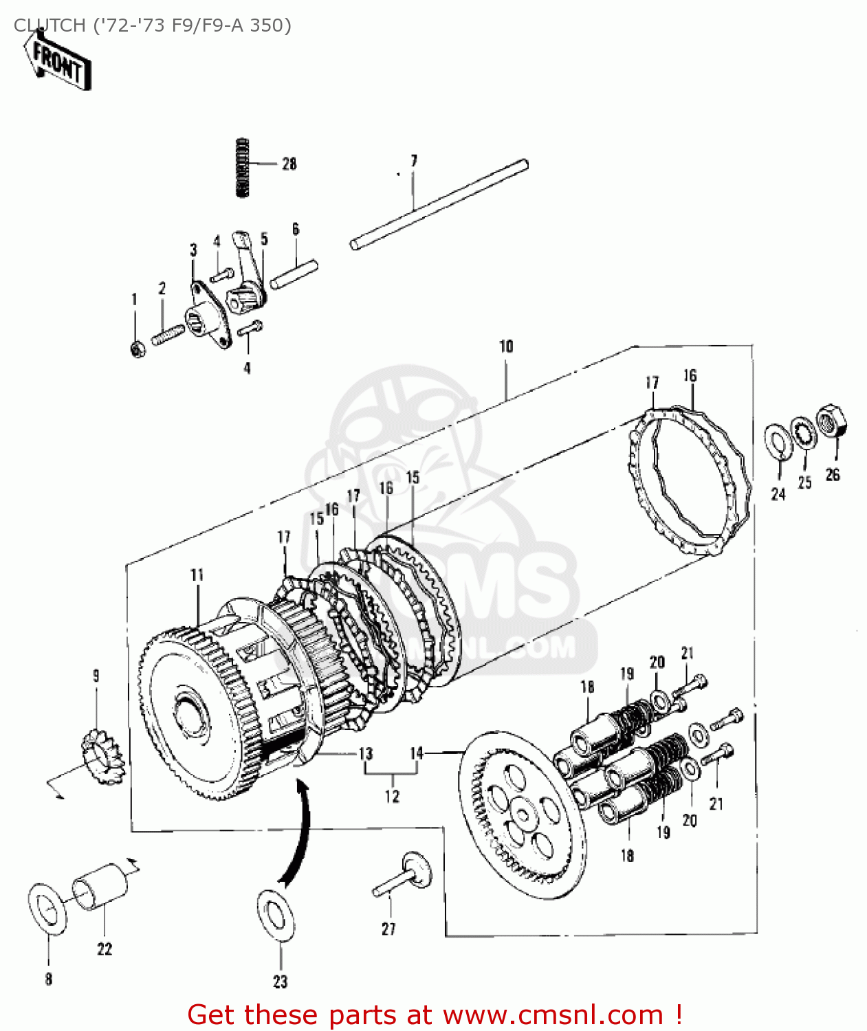
CLUTCH ('72-'73 F9/F9-A 350)
F9A 1973 USA CANADA
Clutch ('72-'73 f9/f9-a 350) diagram F9A 1973 USA CANADA
CLUTCH ('72-'73 F9/F9-A 350) F9A 1973 USA CANADA
×
prices are in EUR
ref
part #
description
quantity
1
311B0600
ref: 1
NUT,6MM
€ 0.50
2
92014011
ref: 2
SCREW-SLOTTED,6X22
€ 6.50
3
13118005
ref: 3
RELEASE OUTER-CLUTCH
€ 12.50
4
220B0614
ref: 4
SCREW-PAN HEAD,6X14
€ 2.00
5
13102010
ref: 5
RELEASE INNER-CLUTCH
€ 24.00
6
13116013
ref: 6
L = 79 MM
ROD-CLUTCH PUSH,SHORT
€ 11.50
7
132311008
ref: 7
L = 152 MM
RELEASE-ASSY-CLUTCH
€ 55.00
8
92022145
ref: 8
WASHER-CLUTCH THRUST
€ 4.50
9
13075007
ref: 9
PINION-KICKSTARTER
€ 62.00
10
13081042
ref: 10
CLUTCH ASSY
€ 226.50
11
13095027
ref: 11
HOUSING-CLUTCH
€ 172.00
12
13084005
ref: 12
CONTAINS 13067-030 &
HUB SET-CLUTCH
€ 38.00
13
13087030
ref: 13
HUB-CLUTCH
€ 51.00
14
13187005
ref: 14
PLATE-CLUTCH SPRING (NAS)
€ 26.50
15
13089013
ref: 15
PLATE-CLUTCH,T=1.6 (NAS)
€ 6.50
16
13229003
ref: 16
RING-CLUTCH STEEL
€ 7.50
16
13229003
ref: 16
RING-CLUTCH STEEL
€ 7.50
17
13088021
ref: 17
PLATE-CLUTCH FRICTION (MCA)
€ 11.50
18
13092005
ref: 18
GUIDE-CLUTCH SPRING
€ 7.50
19
92081042
ref: 19
SPRING-CLUTCH
€ 4.50
20
13091009
ref: 20
HOLDER-CLUTCH SPRING
€ 2.50
21
112G0618
ref: 21
BOLT-UPSET
€ 0.50
22
92028081
ref: 22
BUSH
€ 6.50
23
92026022
ref: 23
SPACER,25.5X47X2.5
€ 6.50
24
92022074
ref: 24
WASHER-PLAIN,18MM
€ 1.50
25
463G1800
ref: 25
WASHER-LOCK,18MM
€ 2.00
26
92015019
ref: 26
NUT,18MM
€ 4.00
27
13116011
ref: 27
PUSHER-CLTCH SPRG PLT
€ 23.00
28
92081069
ref: 28
SPRING-CLUTCH RELEASE
€ 4.50
up
all assemblies
FRONT HUB/BRAKE ('74-'75 F9-B/F9
REAR HUB/BRAKE/CHAIN ('74-'75 F9
FENDERS
FUEL TANK
OIL TANK ('74-'75 F9-B/F9-C 350)
TURN SIGNALS ('72-'73 F9/F9-A 35
CHASSIS ELECTRICAL EQUIPMENT ('7
OWNER TOOLS/SPECIAL SERVICE TOOL
OPTIONAL PARTS
FRONT FORK ('72-'73 F9/F9-A 350)
WHEELS/TIRES ('72-'73 F9/F9-A 35
FRONT HUB/BRAKE ('72-'73 F9/F9-A
REAR HUB/BRAKE/CHAIN ('72-'73 F9
OWNER TOOLS/SPECIAL SERVICE TOOL
CYLINDER HEAD/CYLINDER ('74-'75
CRANKSHAFT/PISTON/ROTARY VALVE (
CRANKCASE ('74-'75 F9-B/F9-C 350
CLUTCH ('74-'75 F9-B/F9-C 350)
TRANSMISSION/CHANGE DRUM
GEAR CHANGE MECHANISM ('74-'75 F
KICKSTARTER MECHANISM ('74-'75 F
CYLINDER HEAD/CYLINDER ('72-'73
CRANKSHAFT/PISTON/ROTARY VALVE (
CRANKCASE ('72-'73 F9/F9-A 350)
CLUTCH ('72-'73 F9/F9-A 350)
TRANSMISSION
GEAR CHANGE MECHANISM ('72-'73 F
KICKSTARTER MECHANISM ('72-'73 F
METERS/IGNITION SWITCH (F9)
METERS/IGNITION SWITCH (F9-A)
HEADLIGHT ('72-'73 F9/F9-A 350)
TAILLIGHT (F9)
TAILLIGHT (F9-A)
FRAME/FRAME FITTINGS
SWING ARM/SHOCK ABSORBERS ('74-'
ENGINE COVERS ('74-'75 F9-B/F9-C
FOOTRESTS/STAND/BRAKE PEDAL ('74
OIL PUMP ('74-'75 F9-B/F9-C 350)
HANDLEBAR ('74-'75 F9-B/F9-C 350
CARBURETOR ('74-'75 F9-B/F9-C 35
FRONT FORK ('74-'75 F9-B/F9-C 35
AIR CLEANER/MUFFLER ('74-'75 F9-
WHEELS/TIRES ('74-'75 F9-B/F9-C
IGNITION/GENERATOR/REGULATOR ('7
FRAME/FRAME FITTINGS (F9)
FRAME/FRAME FITTINGS (F9-A)
SWING ARM/SHOCK ABSORBERS ('72-'
FOOTRESTS/STAND/BRAKE PEDAL ('72
HANDLEBAR ('72-'73 F9/F9-A 350)
ENGINE COVERS ('72-'73 F9/F9-A 3
OIL PUMP ('72-'73 F9/F9-A 350)
CARBURETOR ('72-'73 F9/F9-A 350)
AIR CLEANER/MUFFLER ('72-'73 F9/
IGNITION/GENERATOR/REGULATOR ('7
SEAT/CHAIN COVER ('74-'75 F9-B/F
CABLES ('74-'75 F9-B/F9-C 350)
METERS/IGNITION SWITCH
HEADLIGHT ('74-'75 F9-B/F9-C 350
TAILLIGHT
TURN SIGNALS ('74-'75 F9-B/F9-C
CHASSIS ELECTRICAL EQUIPMENT ('7
FENDERS (F9)
FENDERS (F9-A)
FUEL TANK (F9)
FUEL TANK (F9-A)
OIL TANK ('72-'73 F9/F9-A 350)
SEAT/CHAIN COVER ('72-'73 F9/F9-
CABLES ('72-'73 F9/F9-A 350)
up