×
Genuine unknown Kawasaki Parts delivered quickly!
home
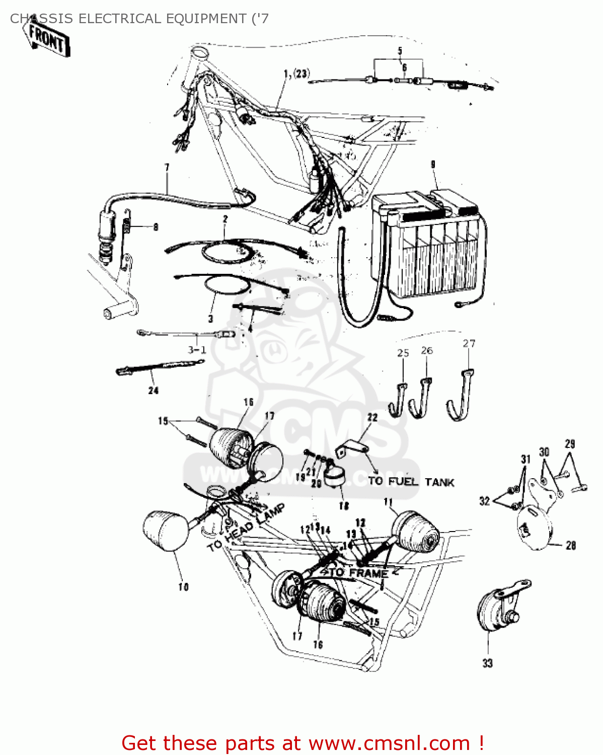
CHASSIS ELECTRICAL EQUIPMENT ('7
F9A 1973 USA CANADA
Chassis electrical equipment ('7 diagram F9A 1973 USA CANADA
CHASSIS ELECTRICAL EQUIPMENT ('7 F9A 1973 USA CANADA
×
prices are in EUR
ref
part #
description
quantity
1
26001069
ref: 1
WIRING HARNESS-MAIN
€ 103.50
1
26001078
ref: 1
UNAVAILABLE IN PRICE BOOK
€ 0.00
2
26002027
ref: 2
WIRING HARNWSS-REAR
€ 10.00
2
26002029
ref: 2
WIRING HARNESS-REAR
€ 8.00
3
26010017
ref: 3
WIRE-BATTERY GROUND
€ 2.50
3-1
26011093
ref: 3-1
WIRE-LEAD
€ 6.00
4
26011042
ref: 4
WIRE-LEAD
€ 3.00
5
26004008
ref: 5
FUSE-ASSY
€ 13.00
6
26006003
ref: 6
FUSE 10A
€ 3.00
7
27010018
ref: 7
SWITCH-BRAKE LAMP
€ 23.00
8
27011004
ref: 8
SPRING-BRAKE LAMP SW
€ 2.50
9
26012021
ref: 9
BATTERY 6V 2AH
€ 28.00
9
26012035
ref: 9
BATTERY,YUA,6N4B-2A-3
€ 73.50
10
23040032
ref: 10
OPTION
LAMP-FRNT TURN SIGNAL
€ 26.00
11
23043030
ref: 11
OPTION
LAMP-REAR TURN SIGNA
€ 22.50
12
410B1000
ref: 12
OPTION
WASHER-PLAIN-SMALL,10
€ 0.50
13
461F1000
ref: 13
OPTION
WASHER-SPRING,10MM
€ 0.50
14
315B1000
ref: 14
OPTION
NUT,10MM
€ 0.50
15
222B0315A
ref: 15
OPTION
SCREW-OVL CNTSNK,3X15
€ 2.50
16
23048011
ref: 16
OPTION
LENS-SIGNAL LAMP
€ 15.50
17
92069042
ref: 17
OPTION
BULB,6V 8W
€ 3.00
18
27002009
ref: 18
OPTION
RELAY-TURN SIGNAL
€ 23.50
19
220B0616
ref: 19
OPTION
SCREW-PAN HEAD,6X16
€ 2.50
20
410B0600
ref: 20
OPTION
WASHER-PLAIN-SMALL,6M
€ 0.50
21
461F0600
ref: 21
OPTION
WASHER-SPRING,6MM
€ 0.50
22
27023001
ref: 22
OPTION
BRACKET-SIGNAL RELAY
€ 2.00
23
26001054
ref: 23
OPTION
WIRING HARNESS-MAIN
€ 38.50
24
26011058
ref: 24
OPTION
WIRE-LEAD
€ 4.00
25
92072030
ref: 25
F9A
BAND,SHORT
€ 3.00
26
92072031
ref: 26
F9A
BAND,MIDDLE
€ 3.00
27
92072032
ref: 27
F9A
BAND,LONG
€ 3.00
28
27003062
ref: 28
F9
HORN
€ 28.50
28
27003062
ref: 28
F9
HORN
€ 28.50
29
112G0620
ref: 29
F9
BOLT 6X20
€ 1.00
30
411B0600
ref: 30
F9
WASHER-PLAIN,6MM
€ 0.50
31
461F0600
ref: 31
F9
WASHER-SPRING,6MM
€ 0.50
32
311B0600
ref: 32
NUT,6MM
€ 0.50
33
27003057
ref: 33
F9-A
HORN
€ 83.00
33
27003057
ref: 33
F9-A
HORN
€ 83.00
up
all assemblies
FRONT HUB/BRAKE ('74-'75 F9-B/F9
REAR HUB/BRAKE/CHAIN ('74-'75 F9
FENDERS
FUEL TANK
OIL TANK ('74-'75 F9-B/F9-C 350)
TURN SIGNALS ('72-'73 F9/F9-A 35
CHASSIS ELECTRICAL EQUIPMENT ('7
OWNER TOOLS/SPECIAL SERVICE TOOL
OPTIONAL PARTS
FRONT FORK ('72-'73 F9/F9-A 350)
WHEELS/TIRES ('72-'73 F9/F9-A 35
FRONT HUB/BRAKE ('72-'73 F9/F9-A
REAR HUB/BRAKE/CHAIN ('72-'73 F9
OWNER TOOLS/SPECIAL SERVICE TOOL
CYLINDER HEAD/CYLINDER ('74-'75
CRANKSHAFT/PISTON/ROTARY VALVE (
CRANKCASE ('74-'75 F9-B/F9-C 350
CLUTCH ('74-'75 F9-B/F9-C 350)
TRANSMISSION/CHANGE DRUM
GEAR CHANGE MECHANISM ('74-'75 F
KICKSTARTER MECHANISM ('74-'75 F
CYLINDER HEAD/CYLINDER ('72-'73
CRANKSHAFT/PISTON/ROTARY VALVE (
CRANKCASE ('72-'73 F9/F9-A 350)
CLUTCH ('72-'73 F9/F9-A 350)
TRANSMISSION
GEAR CHANGE MECHANISM ('72-'73 F
KICKSTARTER MECHANISM ('72-'73 F
METERS/IGNITION SWITCH (F9)
METERS/IGNITION SWITCH (F9-A)
HEADLIGHT ('72-'73 F9/F9-A 350)
TAILLIGHT (F9)
TAILLIGHT (F9-A)
FRAME/FRAME FITTINGS
SWING ARM/SHOCK ABSORBERS ('74-'
ENGINE COVERS ('74-'75 F9-B/F9-C
FOOTRESTS/STAND/BRAKE PEDAL ('74
OIL PUMP ('74-'75 F9-B/F9-C 350)
HANDLEBAR ('74-'75 F9-B/F9-C 350
CARBURETOR ('74-'75 F9-B/F9-C 35
FRONT FORK ('74-'75 F9-B/F9-C 35
AIR CLEANER/MUFFLER ('74-'75 F9-
WHEELS/TIRES ('74-'75 F9-B/F9-C
IGNITION/GENERATOR/REGULATOR ('7
FRAME/FRAME FITTINGS (F9)
FRAME/FRAME FITTINGS (F9-A)
SWING ARM/SHOCK ABSORBERS ('72-'
FOOTRESTS/STAND/BRAKE PEDAL ('72
HANDLEBAR ('72-'73 F9/F9-A 350)
ENGINE COVERS ('72-'73 F9/F9-A 3
OIL PUMP ('72-'73 F9/F9-A 350)
CARBURETOR ('72-'73 F9/F9-A 350)
AIR CLEANER/MUFFLER ('72-'73 F9/
IGNITION/GENERATOR/REGULATOR ('7
SEAT/CHAIN COVER ('74-'75 F9-B/F
CABLES ('74-'75 F9-B/F9-C 350)
METERS/IGNITION SWITCH
HEADLIGHT ('74-'75 F9-B/F9-C 350
TAILLIGHT
TURN SIGNALS ('74-'75 F9-B/F9-C
CHASSIS ELECTRICAL EQUIPMENT ('7
FENDERS (F9)
FENDERS (F9-A)
FUEL TANK (F9)
FUEL TANK (F9-A)
OIL TANK ('72-'73 F9/F9-A 350)
SEAT/CHAIN COVER ('72-'73 F9/F9-
CABLES ('72-'73 F9/F9-A 350)
up