×
Genuine ZN Kawasaki Parts delivered quickly!
home
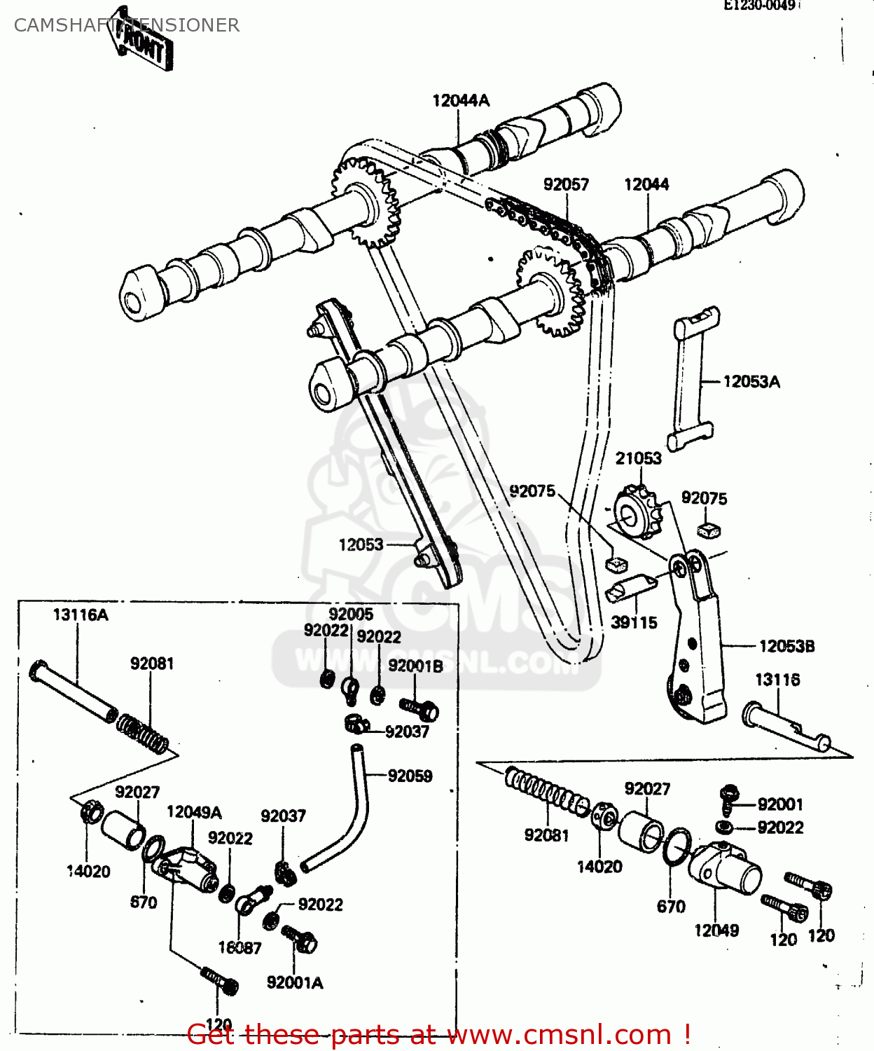
CAMSHAFT/TENSIONER
ZN1300A1 1983 USA CANADA
Camshaft/tensioner diagram ZN1300A1 1983 USA CANADA
CAMSHAFT/TENSIONER ZN1300A1 1983 USA CANADA
×
prices are in EUR
ref
part #
description
quantity
12044
120441060
ref: 12044
CAMSHAFT-VALVE,INTAKE
€ 246.00
12044A
120441061
ref: 12044A
CAMSHAFT-VALVE,EXHAUS
€ 246.00
12049
120491004
ref: 12049
TENSIONER,CAM CHAIN
€ 32.50
12053
120531024
ref: 12053
GUIDE-CHAIN,CAM,FR
€ 24.00
12053A
120531025
ref: 12053A
GUIDE-CHAIN,CAM,RR
€ 24.00
12053B
120531028
ref: 12053B
GUIDE-CHAIN,TENSIONER
€ 96.00
13116
131161015
ref: 13116
ROD-PUSH,TENSIONER
€ 12.50
14020
140201002
ref: 14020
RETAINER,TENSIONER
€ 10.50
21053
210531004
ref: 21053
SPROCKET,CAM CHAIN
€ 51.50
39115
12052005
ref: 39115
SHAFT-IDLER,GUIDE ROL
€ 18.50
92001
920011155
ref: 92001
BOLT,TENSIONER ADJUST
€ 3.50
92022
92022077
ref: 92022
WASHER,6.1X12X1
€ 0.50
92027
920271273
ref: 92027
COLLAR,TENSIONER
€ 20.50
92057
920571018
ref: 92057
CHAIN,CAMSHAFT
€ 40.50
92075
92075232
ref: 92075
DAMPER,IDLER SHAFT
€ 3.50
92081
920811105
ref: 92081
SPRING,TENSIONER
€ 2.50
120
120Z0625
ref: 120
BOLT-SOCKET,6X25
€ 3.00
670
670B2022
ref: 670
O RING,22MM
€ 3.00
up
all assemblies
PUBLICATIONS
PUBLICATIONS
PUBLICATIONS
MODEL IDENTIFICATION
CAMSHAFT/TENSIONER
CRANKSHAFT
SECONDARY SHAFT
CLUTCH
TRANSMISSION
CYLINDER HEAD
CYLINDER HEAD COVER
CYLINDER/PISTON
AIR FILTER
MUFFLER
VALVE
THROTTLE
FUEL PUMP
FUEL INJECTION EQUIPMENT
CHANGE DRUM/SHIFT FORK
GEAR CHANGE MECHANISM
CRANKCASE
CRANKCASE BOLT PATTERN
ENGINE COVER
RADIATOR
FRONT BEVEL GEAR
DRIVE SHAFT/FINAL GEAR
OIL PAN/OIL FILTER
OIL PUMP
GENERATOR
IGNITION COIL
STARTER MOTOR
WATER PUMP
STAND
TIRE
FRONT HUB
REAR HUB
BRAKE PEDAL
FRAME
FRAME FITTING
BATTERY CASE
SWING ARM
AIR PUMP/SHOCK ABSORBER
STEP
FENDER
FUEL TANK
SEAT
METER
FRONT MASTER CYLINDER
FRONT CALIPER
REAR MASTER CYLINDER
REAR CALIPER
HANDLEBAR
FRONT FORK
AUDIO
AUDIO A
HORN
ELECTRICAL EQUIPMENT
CABLE
SIDE COVER
GUARD
HEAD LAMP
TAIL LAMP/REAR TURN SIGNAL
FRONT TURN SIGNAL
DRIVE COMPUTER/ELECTRONIC EQUIPMENT
SIDEBAG
IGNITION SWITCH
TOOL
LABEL
COWLING
STORAGE CASE/SIDEBAG BRACKET
TRUNK
up