×
Genuine VN Kawasaki Parts delivered quickly!
home
VN750A2 VN750 TWIN 1986 EUROPE FR UK FG IT NR SD ST
CYLINDER HEAD
28 products
CYLINDER HEAD COVER
20 products
CYLINDER/PISTON(S)
20 products
AIR CLEANER
21 products
MUFFLER(S)
22 products
VALVE(S)
11 products
CAMSHAFT(S)/TENSIONER
34 products
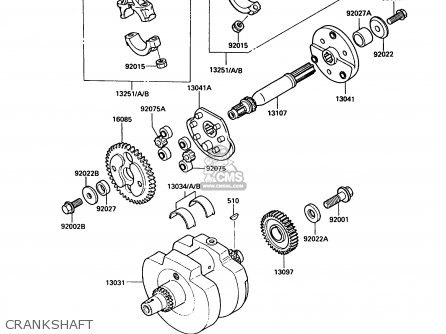
CRANKSHAFT
25 products
CLUTCH
22 products
TRANSMISSION
21 products
GEAR CHANGE DRUM/SHIFT FORK(S)
18 products
GEAR CHANGE MECHANISM
17 products
CRANKCASE
36 products
ENGINE COVER(S)
23 products
CARBURETOR
48 products
CARBURETOR PARTS
44 products
OIL PUMP
42 products
GENERATOR
7 products
IGNITION SYSTEM
24 products
STARTER MOTOR
28 products
RADIATOR
59 products
FRONT BEVEL GEAR
50 products
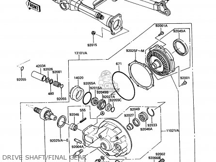
DRIVE SHAFT/FINAL GEAR
49 products
FRAME
17 products
FRAME FITTINGS
9 products
BATTERY CASE
25 products
SWINGARM
8 products
SUSPENSION/SHOCK ABSORBER
9 products
FOOTRESTS
19 products
FENDERS
8 products
STAND(S)
12 products
TIRES
6 products
FRONT HUB
17 products
REAR HUB
22 products
BRAKE PEDAL
19 products
FRONT MASTER CYLINDER
27 products
FRONT BRAKE
15 products
HANDLEBAR
26 products
FRONT FORK
35 products
FUEL TANK
27 products
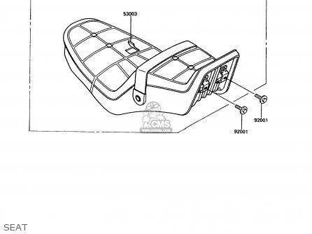
SEAT
3 products
METER(S)
33 products
CABLES
13 products
SIDE COVERS
5 products
HEADLIGHT(S)
29 products
TAILLIGHT(S)
26 products
TURN SIGNALS
10 products
CHASSIS ELECTRICAL EQUIPMENT
18 products
IGNITION SWITCH
30 products
OWNER'S TOOLS
12 products
LABELS
9 products
DECALS
2 products
Publications
0 products
Model Identification
0 products
up
popular products
610A0404
ROLLER,4X4
Kawasaki
110111225
CASE-AIR FILTER,INSID
Kawasaki
920261254
SPACER,FORK
Kawasaki
920331187
RING-SNAP,50.4MM
Kawasaki