×
Genuine KZ Kawasaki Parts delivered quickly!
home
KZ650B2 1978 USA CANADA / MPH KPH
FRAME/FRAME FITTINGS
39 products
BATTERY CASE/TOOL CASE
17 products
SWING ARM/SHOCK ABSORBERS
33 products
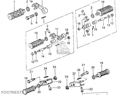
FOOTRESTS
28 products
STANDS/BRAKE PEDAL
25 products
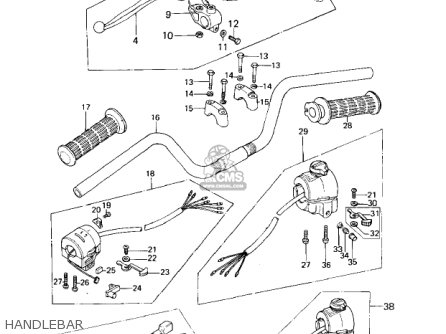
HANDLEBAR
43 products
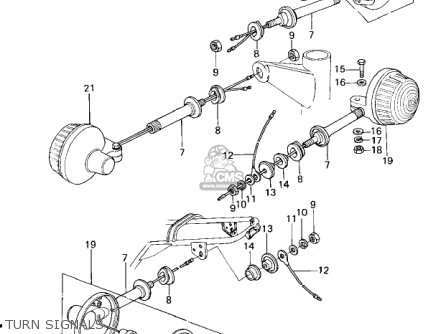
TURN SIGNALS
24 products
CHASSIS ELECTRICAL EQUIPMENT
30 products
OWNER TOOLS
20 products
SPECIAL SERVICE TOOLS "A"
27 products
SPECIAL SERVICE TOOLS "B"
26 products
FRONT FORK
48 products
FRONT MASTER CYLINDER (KZ650-B1)
36 products
FRONT MASTER CYLINDER (KZ650-B2/
29 products
SECONDARY SHAFT/STARTER CLUTCH
30 products
CRANKCASE/BREATHER COVER
23 products
CRANKCASE BOLT & STUD PATTERN
10 products
CLUTCH
26 products
TRANSMISSION
48 products
SEAT
25 products
CABLES
8 products
METERS/IGNITION SWITCH
33 products
HEADLIGHT
21 products
TAILLIGHT
17 products
CYLINDER HEAD COVERS
22 products
CYLINDER HEAD
25 products
CAMSHAFTS/VALVES
38 products
CAM CHAIN/TENSIONER
33 products
CYLINDER/PISTONS/CRANKSHAFT
30 products
AIR CLEANER
30 products
MUFFLERS
39 products
IGNITION/REGULATOR/RECTIFIER
35 products
GENERATOR/STARTER MOTOR
32 products
CARBURETOR ASSY
147 products
CARBURETOR PARTS
138 products
CARBURETORS/ACCELERATOR PUMP (KZ
52 products
FRONT BRAKE
19 products
WHEELS/TIRES
19 products
FRONT HUB
22 products
REAR HUB/BRAKE/CHAIN
29 products
FENDERS
21 products
FUEL TANK
37 products
SIDE COVERS/CHAIN COVER/SEAT COV
38 products
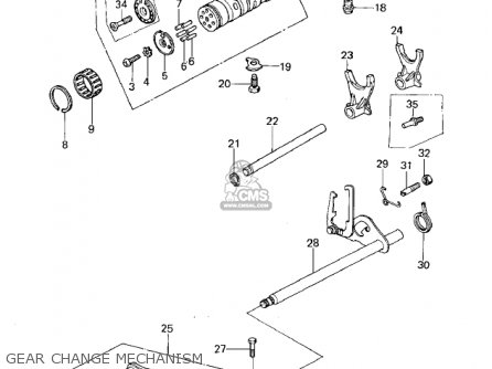
GEAR CHANGE MECHANISM
41 products
KICKSTARTER MECHANISM
29 products
ENGINE COVERS
32 products
OIL PUMP/OIL FILTER/OIL PAN
36 products
up
popular products
45017015
BUSHING,SHCK ABS RUB
Kawasaki
920461030
BEARING-NEEDLE,VS20/1
Kawasaki
23026034
LENS,TAIL LAMP
Kawasaki
53056002
HOOK,SEAT
Kawasaki