×
Genuine KZ Kawasaki Parts delivered quickly!
home
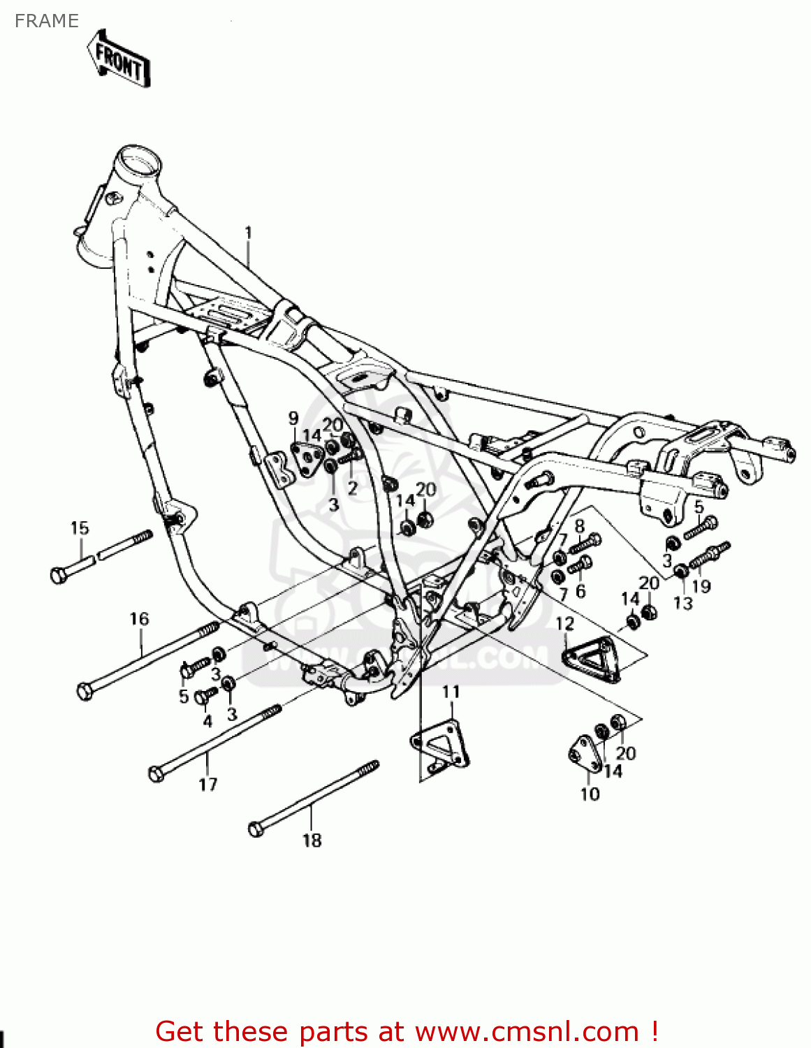
FRAME
KZ1300A3 1981 USA CANADA
Frame diagram KZ1300A3 1981 USA CANADA
FRAME KZ1300A3 1981 USA CANADA
×
prices are in EUR
ref
part #
description
quantity
1
320021092
ref: 1
KZ1300A1 A2
FRAME
€ 869.50
1
320021371
ref: 1
KZ1300 A3
FRAME,COMPLETE
€ 983.00
2
114G0822
ref: 2
BOLT,8X22
€ 2.00
3
461F0800
ref: 3
WASHER-SPRING,8MM
€ 0.50
4
115G0825
ref: 4
BOLT-HEX,HEAD,8X25
€ 3.00
5
115G0840
ref: 5
115G0840
6
113G1016A
ref: 6
BOLT,HEX HEAD.10X16
€ 2.00
7
461F1000
ref: 7
WASHER-SPRING,10MM
€ 0.50
8
920011253
ref: 8
BOLT,HEX HEAD,10X40
€ 5.50
9
320291061
ref: 9
R.H.
BRACKET-ENGINE,FR,RH,
€ 7.00
10
320291062
ref: 10
R.H.
BRACKET-ENGINE,FR,RH,
€ 9.50
11
320291063
ref: 11
L.H.
BRACKET-ENGINE,RR,UPP
€ 25.00
12
320291064
ref: 12
R.H.
BRACKET-ENGINE,RR,UPP
€ 21.00
13
461F0800
ref: 13
WASHER-SPRING,8MM
€ 0.50
14
461F1000
ref: 14
WASHER-SPRING,10MM
€ 0.50
15
920011126
ref: 15
BOLT,HEX HEAD,10X369
€ 22.50
16
920011127
ref: 16
BOLT,HEX HEAD,10X313
€ 16.00
17
920011128
ref: 17
BOLT,HEX HEAD,10X305
€ 14.50
18
920011129
ref: 18
BOLT,HEX HEAD,10X287
€ 14.50
19
920011400
ref: 19
8 M M
BOLT,ENGINE BRACKET
€ 3.00
20
920151429
ref: 20
NUT,10MM
€ 4.50
up
all assemblies
GEAR CHANGE DRUM & FORKS
GEAR CHANGE MECHANISM
FRONT BEVEL GEARS
DRIVE SHAFT/FINAL GEARS
ENGINE COVERS
CARBURETOR ASSY
CARBURETOR PARTS
FUEL SOLENOID VALVE
AIR CLEANER
OIL PAN/OIL FILTER (-E/NO. 01063
OIL PAN/OIL FILTER (E/NO. 016038
OIL PUMP
FENDERS
FUEL TANK
SIDE COVERS
SEAT/SEAT COVER
GENERATOR/REGULATOR
STARTER MOTOR/STARTER CLUTCH (KZ
STARTER MOTOR/STARTER CLUTCH (KZ
WATER PUMP
RADIATOR/FAN/COOLANT TANK
FRAME
FRAME FITTINGS
BATTERY CASE/ELECTRO BRACKET
SWING ARM
SHOCK ABSORBERS (KZ 1300-A1/A2)
SHOCK ABSORBERS (KZ1300-A3)
FOOTRESTS
FRONT MASTER CYLINDER
FRONT BRAKE
REAR MASTER CYLINDER
REAR BRAKE
TIRES
FRONT WHEEL/HUB
REAR WHEEL/HUB
CRANKCASE
CRANKCASE BOLT & STUD PATTERN
CLUTCH
TRANSMISSION
MUFFLERS
IGNITION (KZ1300-A1/A2)
IGNITION (KZ1300-A3)
CABLES
METERS
HEADLIGHT
TAILLIGHT
TURN SIGNALS
IGNITION SWITCH/LOCKS/REFLECTORS
STANDS
BRAKE PEDAL
HANDLEBAR
FRONT FORK (KZ1300-A1/A2)
FRONT FORK (KZ1300-A3)
CHASSIS ELECTRICAL EQUIPMENT
OWNER TOOLS
CYLINDER HEAD COVER
CYLINDER HEAD
VALVES
CAMSHAFTS/CHAIN/TENSIONER
CYLINDER
CRANKSHAFT/PISTONS
SECONDARY SHAFT
up