×
Genuine KX Kawasaki Parts delivered quickly!
home
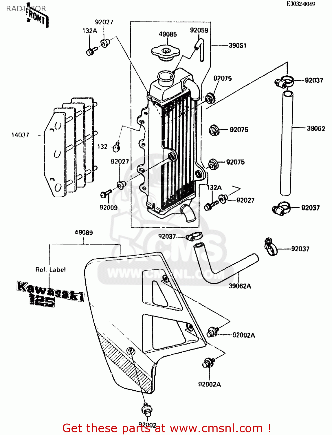
RADIATOR
KX125-E2 1987 EUROPE UK AL
Radiator diagram KX125-E2 1987 EUROPE UK AL
RADIATOR KX125-E2 1987 EUROPE UK AL
×
prices are in EUR
ref
part #
description
quantity
14037
140371053
ref: 14037
SCREEN,LH,BLACK
€ 17.00
39061
390611097
ref: 39061
RADIATOR-ASSY
€ 395.00
39062
390621186
ref: 39062
HOSE-COOLING,RADIATOR
€ 17.00
39062A
390621206
ref: 39062A
HOSE-COOLING,PUMP-RAD
€ 18.00
49085
490851003
ref: 49085
CAP-ASSY-PRESSURE
€ 23.50
49089
4908950176W
ref: 49089
SHROUD-ENGINE,LH,L.GR
€ 104.00
92002
920021460
ref: 92002
BOLT,6X14
€ 3.00
92002A
920021637
ref: 92002A
BOLT,FLANGED,6X10
€ 2.50
92009
920091441
ref: 92009
SCREW,6X22
€ 2.50
92027
920271183
ref: 92027
COLLAR,6.5X10X14.1
€ 3.50
92037
920371589
ref: 92037
CLAMP,COOLING HOSE
€ 13.00
92059
920591383
ref: 92059
TUBE,5X9X800
€ 7.50
92075
920751352
ref: 92075
DAMPER,RADIATOR
€ 4.00
132
132G0610
ref: 132
BOLT-FLANGED-SMALL
€ 1.00
132A
132G0625
ref: 132A
BOLT-FLANGED-SMALL
€ 3.00
up
all assemblies
PUBLICATIONS
MODEL IDENTIFICATION
CHANGE DRUM/SHIFT FORK
GEAR CHANGE MECHANISM
CRANKCASE
ENGINE COVER
CYLINDER HEAD/CYLINDER
AIR FILTER
MUFFLER
CRANKSHAFT/PISTON
KICKSTARTER MECHANISM
CLUTCH
TRANSMISSION
CARBURETOR
GENERATOR
IGNITION COIL
RADIATOR
TIRE
FRONT HUB
REAR HUB
BRAKE PEDAL
SHOCK ABSORBER
FRAME
FRAME FITTING
SWING ARM
SUSPENSION
STEP
FENDER
STAND
SEAT
CABLE
SIDE COVER
TOOL
LABEL
FRONT MASTER CYLINDER
FRONT CALIPER
REAR MASTER CYLINDER
REAR CALIPER
HANDLEBAR
FRONT FORK
FUEL TANK
ACCESSORY
up