×
Genuine KX Kawasaki Parts delivered quickly!
home
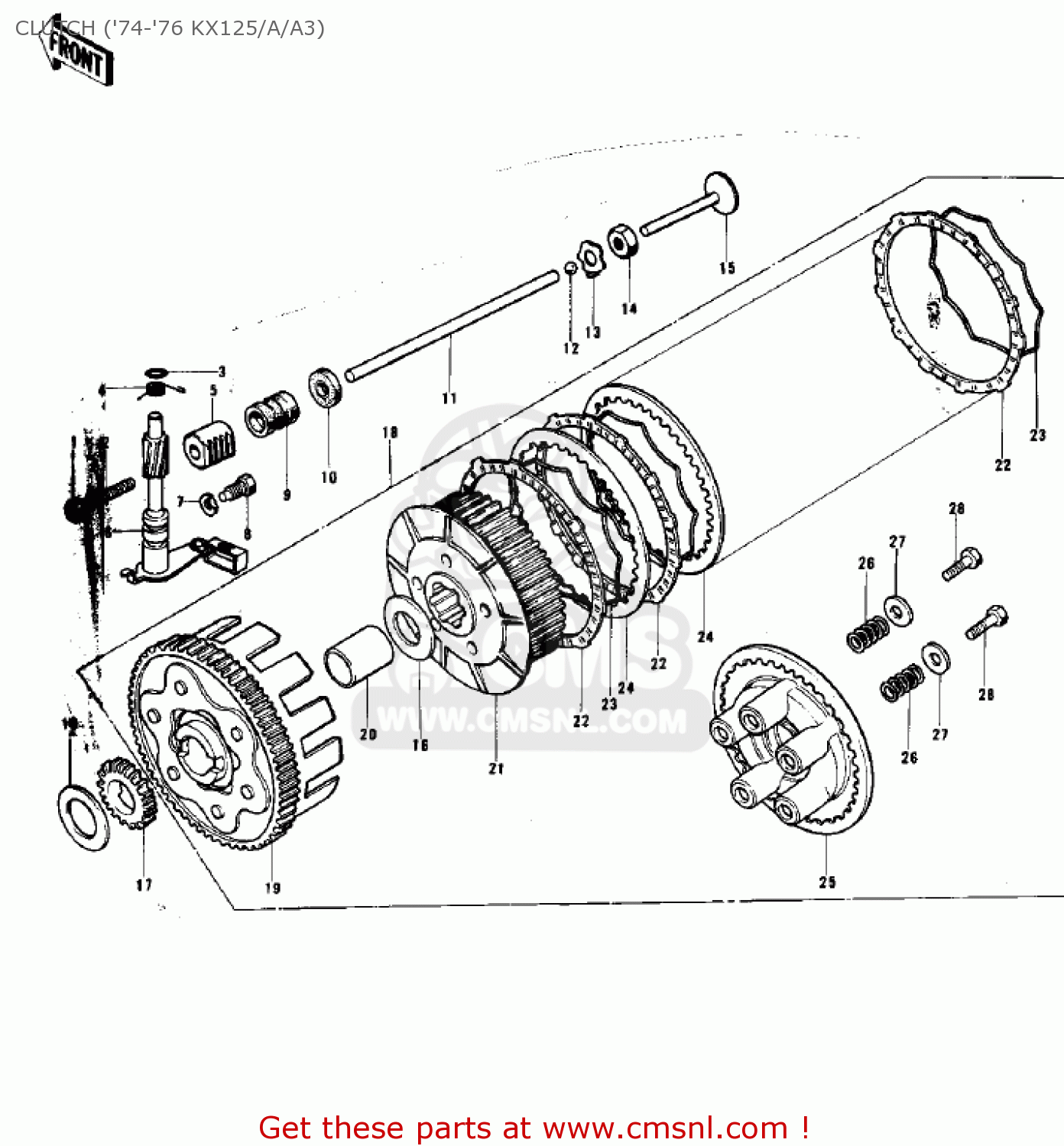
CLUTCH ('74-'76 KX125/A/A3)
KX125-A3 1976
Clutch ('74-'76 kx125/a/a3) diagram KX125-A3 1976
CLUTCH ('74-'76 KX125/A/A3) KX125-A3 1976
×
prices are in EUR
ref
part #
description
quantity
1
311B0600
ref: 1
NUT,6MM
€ 0.50
2
92014015
ref: 2
SCREW,SET,6X26
€ 6.50
3
670B2010
ref: 3
O RING,10MM
€ 1.00
4
92083024
ref: 4
NOT REQUIRED FOR KX1
SPRING,CLUTCH RELESE
€ 3.50
5
13116026
ref: 5
ROD-PUSH,CLUTCH RELEA
€ 19.50
6
13234003
ref: 6
SHAFT-COMP,CLUTCH REL
€ 59.00
7
92031009
ref: 7
WASHER,LOCK
€ 2.00
8
92003130
ref: 8
BOLT,CLUTCH RELEASE
€ 3.50
9
92027207
ref: 9
COLLAR,11X15,RUBBER
€ 2.50
10
92050058
ref: 10
OIL SEAL,PUSH ROD
€ 5.50
11
13116027
ref: 11
ROD-PUSH,CLUTCH
€ 10.50
12
600A0700
ref: 12
BALL-STEEL,7/32
€ 2.50
13
92024046
ref: 13
WASHER,LOCK,14MM
€ 2.00
14
315B1400
ref: 14
NUT,14MM
€ 1.00
15
13116016
ref: 15
ROD-PUSH,CLUTCH SPRIN
€ 11.50
16
92022270
ref: 16
WASHER,PLAIN
€ 7.00
17
13075010
ref: 17
GEAR-SPUR,KICKSTARTER
€ 33.50
18
13081077
ref: 18
CLUTCH ASSY
€ 226.50
19
130951034
ref: 19
HOUSING-COMP-CLUTCH
€ 271.00
20
92028138
ref: 20
BUSHING,17X22X33.5
€ 23.50
21
13087038
ref: 21
HUB-CLUTCH
€ 52.00
22
130881015
ref: 22
PLATE-FRICTION (NAS)
€ 11.50
23
13229002
ref: 23
SPRING,CLUTCH STEEL
€ 7.50
24
13089003
ref: 24
PLATE-CLUTCH,STEEL (NAS)
€ 7.50
25
13187004
ref: 25
PLATE-CLUTCH OPERATIN (NAS)
€ 24.50
26
92081080
ref: 26
SPRING-CLUTCH
€ 9.50
27
92022167
ref: 27
WASHER-PLAIN,5MM
€ 1.50
28
92003078
ref: 28
BOLT,5X18
€ 2.00
up
all assemblies
FRAME/FRAME FITTINGS
SWING ARM/SHOCK ABSORBERS ('74-'
HANDLEBAR ('74-'76 KX125/A/A3)
FRONT FORK
WHEELS/TIRES ('74-'76 KX125/A/A3
FRONT HUB/BRAKE ('74-'76 KX125/A
REAR HUB/BRAKE/CHAIN ('74-'76 KX
SPECIAL SERVICE TOOLS
NUMBER PLATE/FENDERS ('74-'76 KX
FUEL TANK ('74-'76 KX125/A/A3)
SEAT/SIDE COVERS ('74-'76 KX125/
CABLES ('74-'76 KX125/A/A3)
OWNER TOOLS
CYLINDER HEAD/CYLINDER /REED VAL
CRANKSHAFT/PISTON
CRANKCASE ('78-'79 KX125-A4/A5)
CLUTCH ('78-'79 KX125-A4/A5)
TRANSMISSION
GEAR CHANGE MECHANISM ('78-'79 K
MUFFLER
IGNITION ('78-'79 KX125-A4/A5)
FRAME/FRAME FITTINGS
SWING ARM/SHOCK ABSORBERS ('78-'
HANDLEBAR ('78-'79 KX125-A4/A5)
FRONT FORK (KX125-A4)
ENGINE COVERS ('74-'76 KX125/A/A
CARBURETOR ('74-'76 KX125/A/A3)
AIR CLEANER/MUFFLER
IGNITION ('74-'76 KX125/A/A3)
NUMBER PLATE/FENDERS ('78-'79 KX
FUEL TANK ('78-'79 KX125-A4/A5)
SEAT/SIDE COVERS ('78-'79 KX125-
CABLES ('78-'79 KX125-A4/A5)
OWNER TOOLS/SPECIAL SERVICE TOOL
KICKSTARTER MECHANISM ('78-'79 K
ENGINE COVERS ('78-'79 KX125-A4/
CARBURETOR ('78-'79 KX125-A4/A5)
AIR CLEANER
CYLINDER HEAD/CYLINDER
CRANKSHAFT/PISTON/ROTARY VALVE
CRANKCASE ('74-'76 KX125/A/A3)
CLUTCH ('74-'76 KX125/A/A3)
TRANSMISSION/CHANGE DRUM
GEAR CHANGE MECHANISM ('74-'76 K
KICKSTARTER MECHANISM ('74-'76 K
FRONT FORK (KX125-A5)
WHEELS/TIRES ('78-'79 KX125-A4/A
FRONT HUB/BRAKE ('78-'79 KX125-A
REAR HUB/BRAKE/CHAIN ('78-'79 KX
up