×
Genuine KLX Kawasaki Parts delivered quickly!
home
FRAME
KLX250H6F KLX250S 2006 USA CANADA
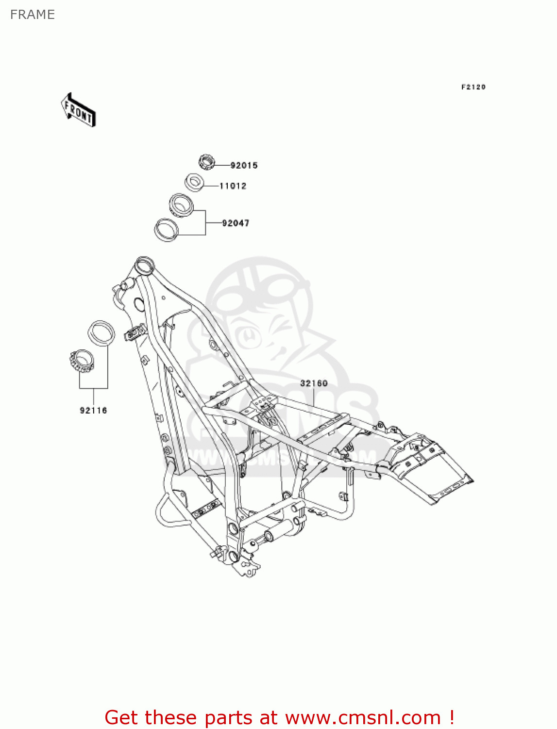
Frame diagram KLX250H6F KLX250S 2006 USA CANADA
FRAME KLX250H6F KLX250S 2006 USA CANADA
×
prices are in EUR
ref
part #
description
quantity
11012
110121762
ref: 11012
CAP,STEERING STEM
€ 4.00
32160
321600149458
ref: 32160
FRAME-COMP,P.SILVER
€ 1,319.50
92015
920151546
ref: 92015
NUT,25MM,T=12
€ 14.50
92047
92047017
ref: 92047
CONE,STRNG,STEM
€ 49.50
92116
921161069
ref: 92116
BEARING-ROLLER
€ 69.50
up
all assemblies
HANDLEBAR
FRONT FORK (H6F)
VALVE(S)
CAMSHAFT(S)/TENSIONER
FUEL TANK
CRANKSHAFT
CLUTCH
TRANSMISSION
GEAR CHANGE DRUM/SHIFT FORK(S)
GEAR CHANGE MECHANISM
SEAT
METER(S)
CABLES
CRANKCASE
ENGINE COVER(S)
PUBLICATIONS
SIDE COVERS/CHAIN COVER
HEADLIGHT(S)
TAILLIGHT(S)(H6F)
TURN SIGNALS
CHASSIS ELECTRICAL EQUIPMENT
IGNITION SWITCH
CARBURETOR
OWNER'S TOOLS
LABELS
DECALS (H6F)
OPTIONAL PARTS
FRAME
ENGINE MOUNT
FRAME FITTINGS
OIL PUMP
SWINGARM
REAR SUSPENSION
FOOTRESTS
FENDERS
STAND(S)
WATER PUMP
RADIATOR
WHEELS/TIRES
FRONT HUB
GENERATOR
REAR HUB
IGNITION SYSTEM
BRAKE PEDAL
STARTER MOTOR
SHOCK ABSORBER(S)
FRONT MASTER CYLINDER
FRONT BRAKE
REAR MASTER CYLINDER
REAR BRAKE
CYLINDER HEAD
CYLINDER HEAD COVER
CYLINDER/PISTON(S)
AIR CLEANER
MUFFLER(S)
up