×
Genuine KL Kawasaki Parts delivered quickly!
home
SUSPENSION
KL250D3 1986 EUROPE UK GR GU IT ST UR WG
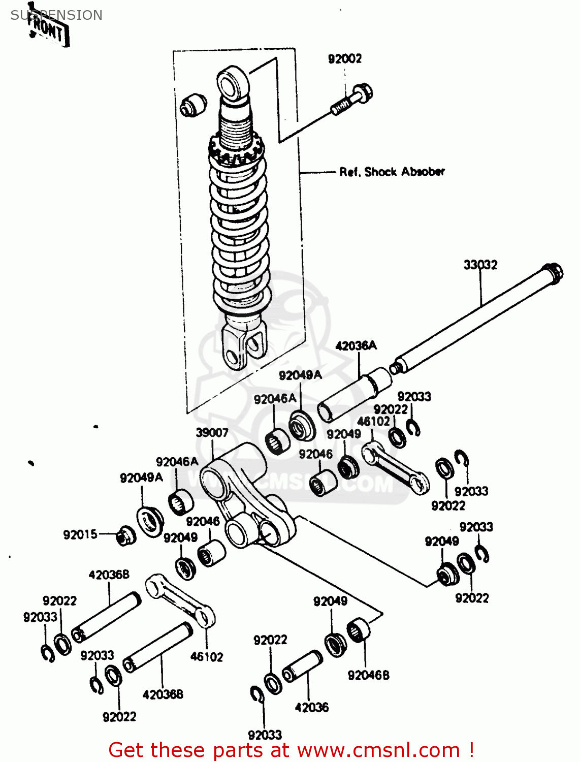
Suspension diagram KL250D3 1986 EUROPE UK GR GU IT ST UR WG
SUSPENSION KL250D3 1986 EUROPE UK GR GU IT ST UR WG
×
prices are in EUR
ref
part #
description
quantity
33032
330321111
ref: 33032
SHAFT-SWING ARM
€ 91.50
39007
390071059
ref: 39007
ARM-SUSP,UNI TRAK
€ 261.00
42036
420361133
ref: 42036
SLEEVE,L=59
€ 19.50
42036A
420361136
ref: 42036A
SLEEVE,L=100
€ 53.50
42036B
420361140
ref: 42036B
SLEEVE,L=121
€ 40.00
46102
461021129
ref: 46102
ROD,UNI TRAK
€ 80.50
97002
920021130
ref: 97002
BOLT,12X55
€ 7.00
92015
920151439
ref: 92015
NUT,U,8MM
€ 5.50
92022
920221547
ref: 92022
WASHER,20.1X28X1
€ 2.50
92033
920331168
ref: 92033
RING-SNAP,18.3MM
€ 3.00
92046
920461110
ref: 92046
BEARING-NEEDLE,BM2027
€ 22.50
92046A
920461111
ref: 92046A
BEARING-NEEDLE,BM2817
€ 21.50
92046B
920461112
ref: 92046B
BEARING-NEEDLE,BM2027
€ 21.50
92049
920491109
ref: 92049
SEAL-OIL,ARM,CNT
€ 6.50
92049A
920491181
ref: 92049A
SEAL-OIL
€ 7.50
up
all assemblies
CAMSHAFT/TENSIONER
CRANKSHAFT
BALANCER
KICKSTARTER MECHANISM
CLUTCH
CYLINDER HEAD (KL250DG000001~001504)
CYLINDER HEAD COVER
CYLINDER/PISTON
AIR FILTER
MUFFLER
VALVE
OIL PUMP (KL250DG001405~)
GENERATOR
IGNITION COIL
WATER PUMP
TRANSMISSION
CHANGE DRUM/SHIFT FORK
GEAR CHANGE MECHANISM
CRANKCASE
ENGINE COVER
CARBURETOR
RADLATOR
STAND
TIRE
FRONT HUB
REAR HUB
BRAKE PEDAL
FRAME
FRAME FITTING
SWING ARM
SUSPENSION
STEP
FENDER
METER
CABLE
SIDE COVER/CHAIN CASE
HEAD LAMP
SHOCK ABSORBER
FRONT MASTER CYLINDER
FRONT CALIPER
HANDLEBAR
FRONT FORK
FUEL TANK
SEAT
ACCESSORY
TAIL LAMP
TURN SIGNAL
ELECTRICAL EQUIPMENT
IGNITION SWITCH
TOOL
LABEL
PUBLICATIONS
MODEL IDENTIFICATION
up