×
Genuine KE Kawasaki Parts delivered quickly!
home
KE250-B3 1979 / MPH KPH
CYLINDER HEAD/CYLINDER
27 products
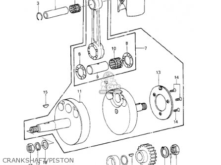
CRANKSHAFT/PISTON
26 products
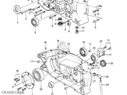
CRANKCASE
28 products
CLUTCH
20 products
TRANSMISSION
34 products
GEAR CHANGE MECHANISM
28 products
KICKSTARTER MECHANISM
21 products
MUFFLER (KE250-B1/B2)
26 products
MUFFLER (KE250-B3)
26 products
IGNITION/GENERATOR/REGULATOR
30 products
ENGINE COVERS
24 products
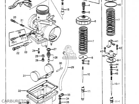
CARBURETOR
60 products
OIL PUMP
21 products
AIR CLEANER
17 products
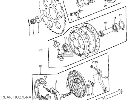
REAR HUB/BRAKE/CHAIN
31 products
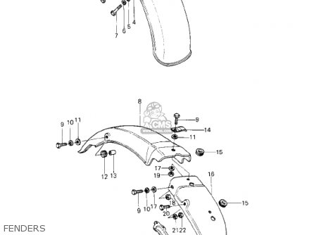
FENDERS
25 products
FUEL TANK
18 products
SIDE COVERS/OIL TANK
27 products
SEAT/CHAIN COVER
23 products
FRAME/FRAME FITTINGS
34 products
SWING ARM/SHOCK ABSORBERS
30 products
FOOTRESTS/STAND/BRAKE PEDAL
31 products
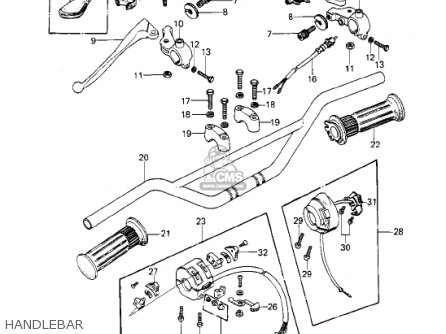
HANDLEBAR
36 products
FRONT FORK
33 products
WHEELS/TIRES
19 products
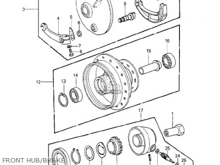
FRONT HUB/BRAKE
26 products
CABLES
28 products
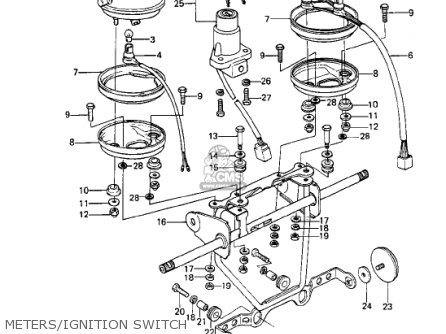
METERS/IGNITION SWITCH
37 products
HEADLIGHT
17 products
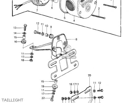
TAILLIGHT
22 products
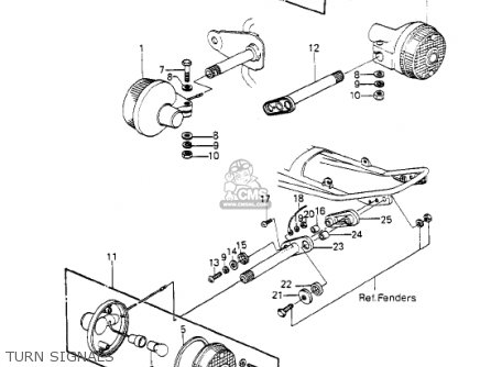
TURN SIGNALS
25 products
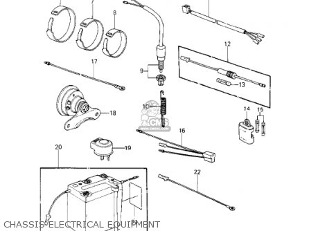
CHASSIS ELECTRICAL EQUIPMENT
22 products
OWNER TOOLS
16 products
up
popular products
92081097
SPRING
Kawasaki
490471002
ROD,SHIFT 71.7MM
Kawasaki
16038024
O RING
Kawasaki
92065092
GASKET,R.H ENG COVER (NAS)
Kawasaki