×
Genuine EX Kawasaki Parts delivered quickly!
home
EX305B9 GPZ305 1993 UNITED KINGDOM / BELT DRIVE
CYLINDER HEAD
25 products
CYLINDER/PISTON
12 products
AIR FILTER(EX305-B9)
21 products
MUFFLER
13 products
VALVE
13 products
CAMSHAFT/TENSIONER
19 products
CRANKSHAFT
3 products
CLUTCH
16 products
TRANSMISSION
27 products
CHANGE DRUM/SHIFT FORK
13 products
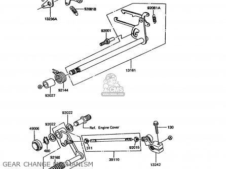
GEAR CHANGE MECHANISM
20 products
CRANKCASE(EX305-B9)
21 products
CRANKCASE BOLT PATTERN
8 products
ENGINE COVER
27 products
CARBURETOR
35 products
CARBURETOR PARTS
30 products
OIL PUMP
15 products
GENERATOR
8 products
IGNITION COIL
12 products
STARTER MOTOR(EX305-B9)
35 products
1991 EX305-B8 B1 FIRECRACKER RED
0 products
1991 EX305-B8 H8 EBONY
0 products
1993 EX305-B9 B1 FIRECRACKER RED
0 products
1993 EX305-B9 H8 EBONY
0 products
FRAME
7 products
FRAME FITTING
10 products
BATTERY CASE
15 products
SWING ARM
10 products
SUSPENSION/SHOCK ABSORBER
23 products
STEP
12 products
FENDER
10 products
STAND
9 products
TIRE
6 products
FRONT HUB
19 products
REAR HUB
31 products
BRAKE PEDAL
18 products
FRONT MASTER CYLINDER
28 products
FRONT CALIPER
17 products
HANDLEBAR
25 products
FRONT FORK
29 products
FUEL TANK
21 products
SEAT
13 products
METER
22 products
CABLE
7 products
SIDE COVER/CHAIN CASE
13 products
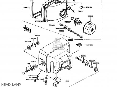
HEAD LAMP
29 products
TAIL LAMP
14 products
TURN SIGNAL
14 products
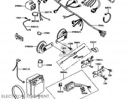
ELECTRICAL EQUIPMENT
27 products
IGNITION SWITCH
14 products
TOOL
14 products
LABEL
6 products
COWLING
17 products
Publications
0 products
Model Identification
0 products
up
popular products
920551418
RING-O
Kawasaki
920261002
SPACER, TACHOMETER
Kawasaki
92055109
RING-O,5.28X1.78
Kawasaki
26006005
FUSE 20A
Kawasaki