×
Genuine EX Kawasaki Parts delivered quickly!
home
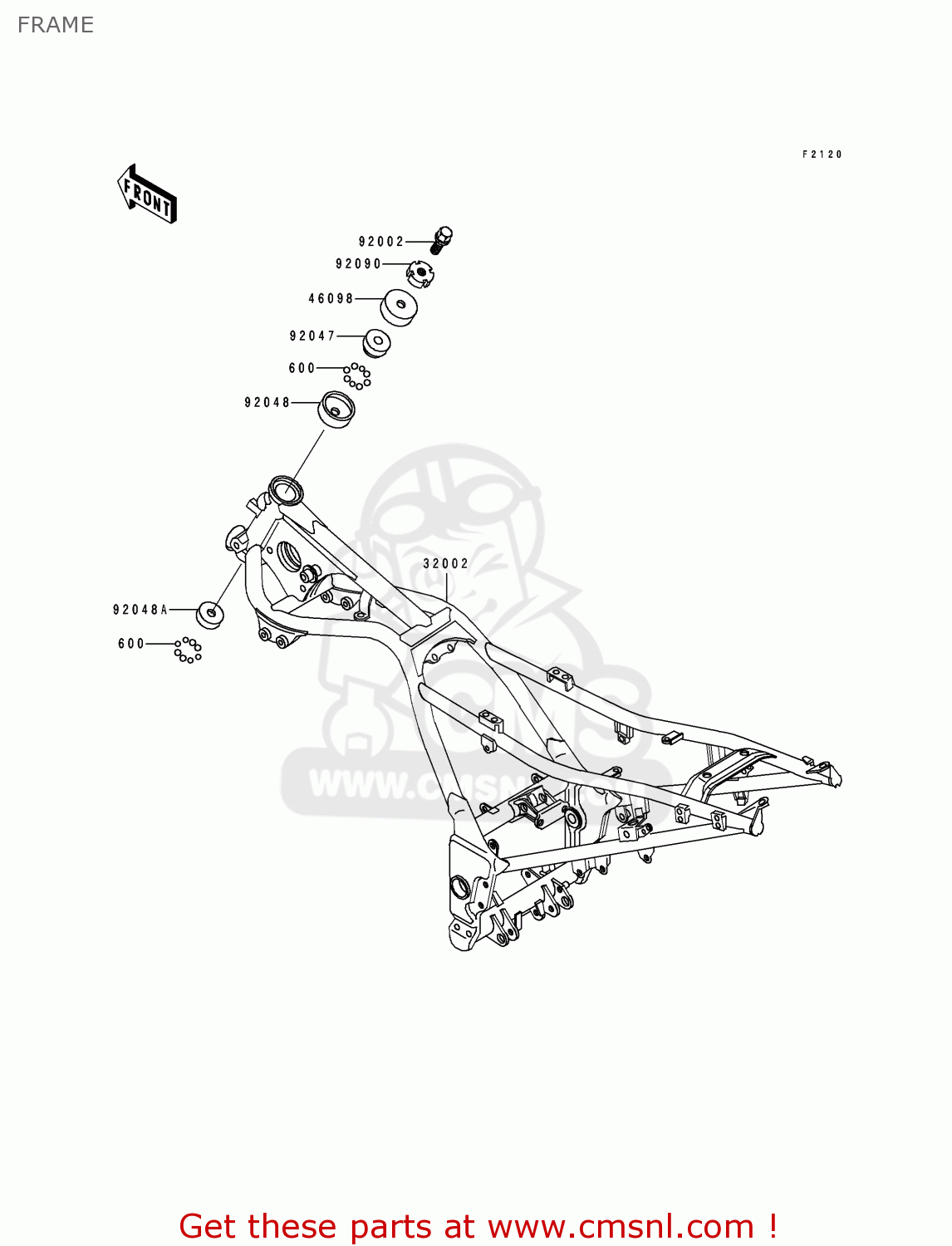
FRAME
EX250F6 GPX250R 1992 EUROPE
Frame diagram EX250F6 GPX250R 1992 EUROPE
FRAME EX250F6 GPX250R 1992 EUROPE
×
prices are in EUR
ref
part #
description
quantity
600
600A0800
ref: 600
BALL-STEEL,1/4
€ 0.50
32002
320021944
ref: 32002
FRAME-COMP
€ 869.50
46098
46098016
ref: 46098
CAP,STEERING STEM
€ 4.00
92002
920021950
ref: 92002
BOLT,FLANGED,16X22
€ 13.50
92047
92047011
ref: 92047
CONE-STRNG STM BRNG
€ 14.50
92048
92048006
ref: 92048
RACE-STRNG BEARIN-STE
€ 11.50
92048A
92048008
ref: 92048A
RACE-STRNG STM BRNG
€ 16.00
92090
92090007
ref: 92090
NUT-STEERING STEM LCK
€ 8.00
up
all assemblies
CYLINDER HEAD
CYLINDER HEAD COVER
CYLINDER/PISTON(S)
AIR CLEANER
MUFFLER(S)
VALVE(S)
CAMSHAFT(S)/TENSIONER
CRANKSHAFT
CLUTCH
TRANSMISSION
GEAR CHANGE DRUM/SHIFT FORK(S)
GEAR CHANGE MECHANISM
CRANKCASE
CRANKCASE BOLT PATTERN
ENGINE COVER(S)
CARBURETOR
CARBURETOR PARTS
OIL PUMP
GENERATOR
IGNITION SYSTEM
STARTER MOTOR
RADIATOR
1992 EX250-F6 FG EBONY / PEARL GENTRY GRAY
1994 EX250-F8 H8 EBONY
1995 EX250-F9 H8 EBONY
FRAME
FRAME FITTINGS
ELECTRO BRACKET
SWINGARM
SUSPENSION/SHOCK ABSORBER
FOOTRESTS
FENDERS
STAND(S)
TIRES
FRONT HUB
REAR HUB
BRAKE PEDAL
FRONT MASTER CYLINDER
FRONT BRAKE
REAR MASTER CYLINDER
REAR BRAKE
HANDLEBAR
FRONT FORK
FUEL TANK
SEAT
METER(S)
CABLES
SIDE COVERS/CHAIN COVER
HEADLIGHT(S)
TAILLIGHT(S)
TURN SIGNALS
CHASSIS ELECTRICAL EQUIPMENT
IGNITION SWITCH
OWNER'S TOOLS
LABELS
DECALS(EX250-F6)
COWLING
COWLING LOWERS
Publications
Model Identification
up