Genuine VN Kawasaki Parts delivered quickly!

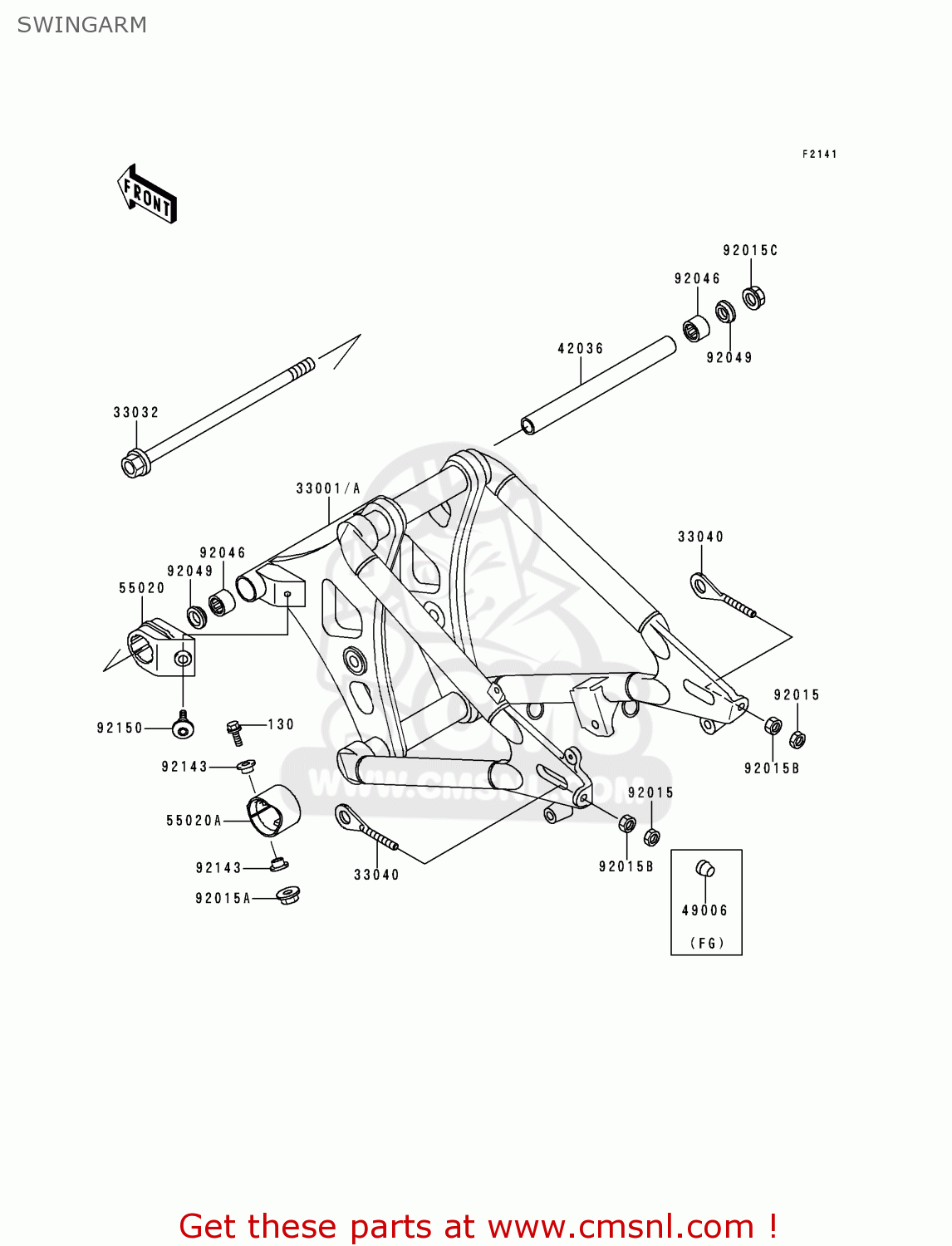
SWINGARM

VN800A3 1997 EUROPE UK FR AR FG GR NR SD ST

Swingarm diagram VN800A3 1997 EUROPE UK FR AR FG GR NR SD ST

SWINGARM VN800A3 1997 EUROPE UK FR AR FG GR NR SD ST
SWINGARM VN800A3 1997 EUROPE UK FR AR FG GR NR SD ST
SWINGARM VN800A3 1997 EUROPE UK FR AR FG GR NR SD ST
prices are in EUR
ref
part #
description
quantity
130
130J0625
ref: 130
BOLT-FLANGED,6X25
130J0625
€ 2.00

33001A
330011509
ref: 33001A
ARM-COMP-SWING
€ 580.00

33032
330321177
ref: 33032
SHAFT-SWING ARM
330321177
€ 46.50

33040
330401146
ref: 33040
ADJUSTER-CHAIN
330401146
€ 20.00

42036
420361324
ref: 42036
SLEEVE,SWING ARM,L=24
420361324
€ 29.00

49006
490061298
ref: 49006

FG
BOOT,CHAIN ADJUSTER
490061298
€ 3.00

55020
550201530
ref: 55020
GUARD,CHAIN PIVOT
€ 30.50

55020A
550201531
ref: 55020A
GUARD,CHAIN CLOSS
550201531
€ 13.50

92015
920151364
ref: 92015
NUT,8MM
920151364
€ 2.50

92015A
920151603
ref: 92015A
NUT
920151603
€ 3.00

92015B
920151658
ref: 92015B
NUT,FLANGED,8MM
920151658
€ 3.00

92015C
920151946
ref: 92015C
NUT
920151946
€ 8.50

92046
920461174
ref: 92046
BEARING-NEEDLE,TA2230
920461174
€ 37.50

92049
920491289
ref: 92049
SEAL-OIL
920491289
€ 6.00

92143
921431088
ref: 92143
COLLAR,L=6.6
921431088
€ 3.50

92150
921501154
ref: 92150
BOLT,SOCKET,6MM
921501154
€ 5.00