×
Genuine VN Kawasaki Parts delivered quickly!
home
VN800A3 1997 EUROPE UK FR AR FG GR NR SD ST
CYLINDER HEAD
26 products
CYLINDER HEAD COVER
8 products
CYLINDER/PISTON(S)
13 products
AIR CLEANER
35 products
MUFFLER(S)
17 products
VALVE(S)
42 products
CAMSHAFT(S)/TENSIONER
14 products
CRANKSHAFT
22 products
CLUTCH
17 products
TRANSMISSION
23 products
GEAR CHANGE DRUM/SHIFT FORK(S)
18 products
GEAR CHANGE MECHANISM
18 products
CRANKCASE
31 products
ENGINE COVER(S)
38 products
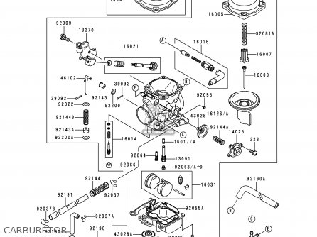
CARBURETOR
56 products
OIL PUMP
39 products
GENERATOR
10 products
IGNITION SYSTEM
12 products
STARTER MOTOR
27 products
RADIATOR
52 products
FRAME
12 products
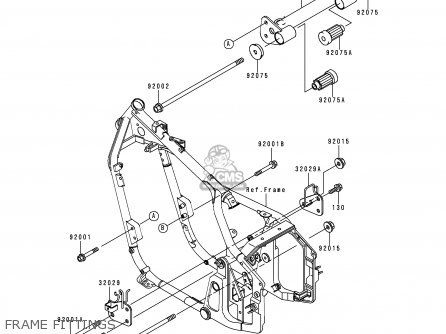
FRAME FITTINGS
12 products
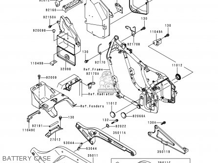
BATTERY CASE
31 products
SWINGARM
16 products
SUSPENSION/SHOCK ABSORBER
19 products
FOOTRESTS
20 products
FENDERS
18 products
STAND(S)
4 products
TIRES
16 products
FRONT HUB
10 products
REAR HUB
34 products
BRAKE PEDAL
19 products
FRONT MASTER CYLINDER
20 products
FRONT BRAKE
15 products
HANDLEBAR(VN800-A3/A3A/A4)
30 products
FRONT FORK
35 products
FUEL TANK
33 products
SEAT
4 products
METER(S)(VN800-A3/A3A/A4)
17 products
CABLES
9 products
SIDE COVERS/CHAIN COVER
10 products
HEADLIGHT(S)
22 products
TAILLIGHT(S)
9 products
TURN SIGNALS
14 products
CHASSIS ELECTRICAL EQUIPMENT
20 products
IGNITION SWITCH
26 products
OWNER'S TOOLS
20 products
LABELS
8 products
DECALS(VN800-A1∼A3A)
2 products
GASKET KIT
24 products
Publications
0 products
Model Identification
0 products
up
popular products
921431773
COLLAR,6.8X13X20
Kawasaki
410291243
SPOKE-INNER,RR,77MMX1
Kawasaki
610A0404
ROLLER,4X4
Kawasaki
410301135
SPOKE-OUTER,RR,80MMX1
Kawasaki