×
Genuine VN Kawasaki Parts delivered quickly!
home
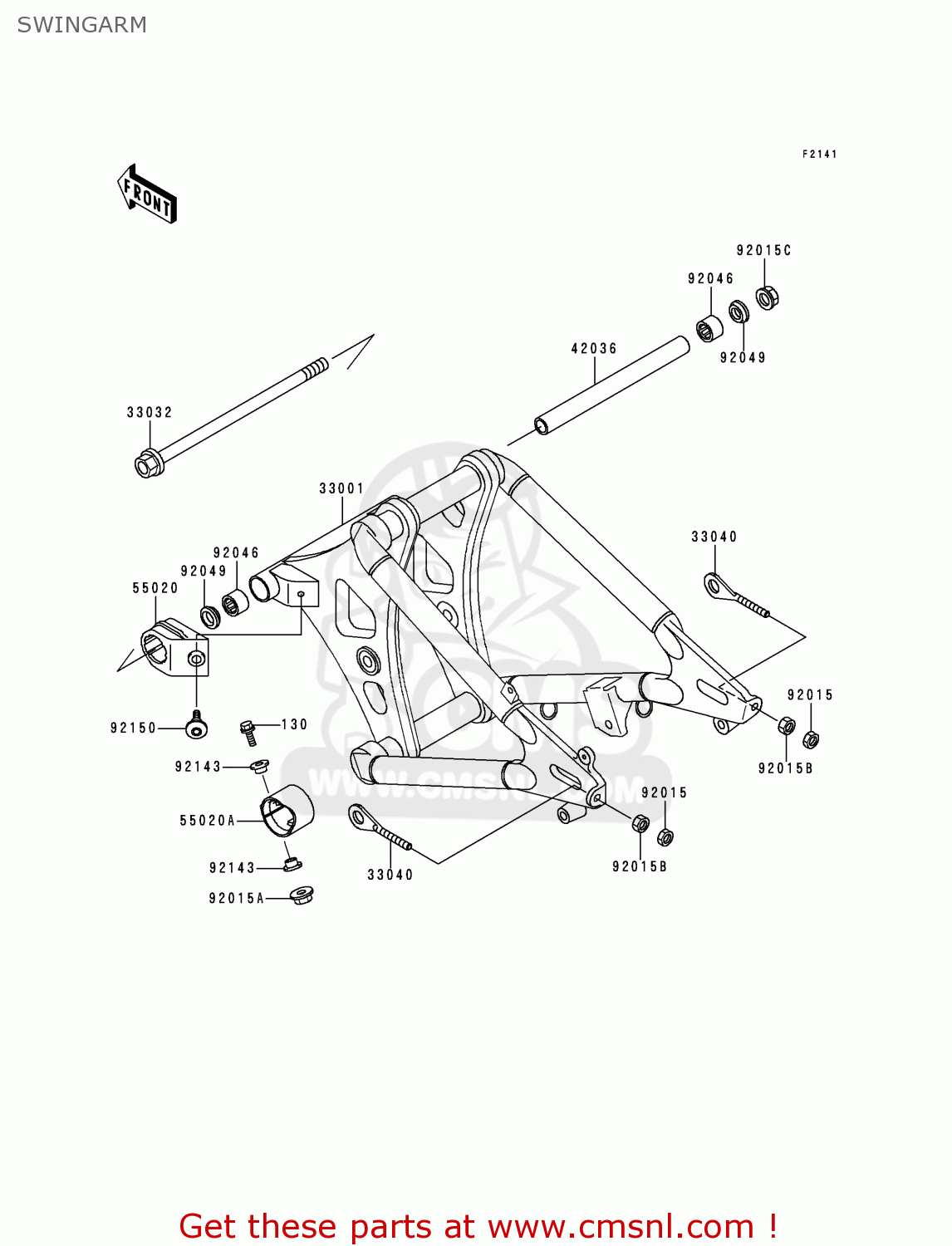
SWINGARM
VN400C4 VULCAN CLASSIC 1994 GREECE
Swingarm diagram VN400C4 VULCAN CLASSIC 1994 GREECE
SWINGARM VN400C4 VULCAN CLASSIC 1994 GREECE
×
prices are in EUR
ref
part #
description
quantity
130
130J0625
ref: 130
BOLT-FLANGED,6X25
€ 2.00
33001
330011509
ref: 33001
ARM-COMP-SWING
€ 580.00
33032
330321177
ref: 33032
SHAFT-SWING ARM
€ 46.50
33040
330401146
ref: 33040
ADJUSTER-CHAIN
€ 20.00
42036
420361324
ref: 42036
SLEEVE,SWING ARM,L=24
€ 29.00
55020
550201530
ref: 55020
GUARD,CHAIN PIVOT
€ 30.50
55020A
550201531
ref: 55020A
GUARD,CHAIN CLOSS
€ 13.50
92015
920151364
ref: 92015
NUT,8MM
€ 2.50
92015A
920151603
ref: 92015A
NUT
€ 3.00
92015B
920151658
ref: 92015B
NUT,FLANGED,8MM
€ 3.00
92015C
920151946
ref: 92015C
NUT
€ 8.50
92046
920461174
ref: 92046
BEARING-NEEDLE,TA2230
€ 37.50
92049
920491289
ref: 92049
SEAL-OIL
€ 6.00
92143
921431088
ref: 92143
COLLAR,L=6.6
€ 3.50
92150
921501154
ref: 92150
BOLT,SOCKET,6MM
€ 5.00
up
all assemblies
CYLINDER HEAD
CYLINDER HEAD COVER
CYLINDER/PISTON(S)
AIR CLEANER
MUFFLER(S)
VALVE(S)
CAMSHAFT(S)/TENSIONER
CRANKSHAFT
CLUTCH
TRANSMISSION
GEAR CHANGE DRUM/SHIFT FORK(S)
GEAR CHANGE MECHANISM
CRANKCASE
CRANKCASE BOLT PATTERN
LEFT ENGINE COVER(S)
RIGHT ENGINE COVER(S)
CARBURETOR
OIL PUMP
GENERATOR
IGNITION SYSTEM
STARTER MOTOR
RADIATOR
FRAME
FRAME FITTINGS
BATTERY CASE
SWINGARM
SUSPENSION/SHOCK ABSORBER
FOOTRESTS
FENDERS
STAND(S)
TIRES
FRONT HUB
REAR HUB
BRAKE PEDAL
FRONT MASTER CYLINDER
FRONT BRAKE
HANDLEBAR
FRONT FORK
FUEL TANK
SEAT
METER(S)
CABLES
SIDE COVERS/CHAIN COVER
HEADLIGHT(S)
TAILLIGHT(S)
TURN SIGNALS
CHASSIS ELECTRICAL EQUIPMENT
IGNITION SWITCH
OWNER'S TOOLS
LABELS
DECALS(EBONY/GRAY)
DECALS(BRONZE/RED)
PUBLICATIONS
MODEL IDENTIFCATION
up