×
Genuine KZ Kawasaki Parts delivered quickly!
home
KZ1100L1 LTD SHAFT 1983 USA CANADA
HANDLEBAR
21 products
FRONT FORK
40 products
FRONT MASTER CYLINDER
28 products
FRONT BRAKE
18 products
REAR MASTER CYLINDER
23 products
CYLINDER HEAD COVER
12 products
CYLINDER HEAD
18 products
VALVES
33 products
CAMSHAFTS/CHAIN/TENSIONER
20 products
CYLINDER/PISTONS
14 products
CRANKSHAFT
2 products
CRANKCASE
35 products
FRONT BEVEL GEARS
59 products
DRIVE SHAFT/FINAL GEARS
66 products
ENGINE COVERS
20 products
BREATHER COVER/OIL PAN
11 products
OIL PUMP/OIL FILTER
25 products
SEAT
19 products
CABLES
8 products
METERS
26 products
HEADLIGHT
33 products
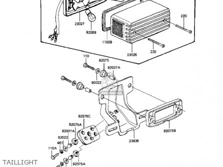
TAILLIGHT
17 products
IGNITION
21 products
GENERATOR/REGULATOR
11 products
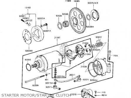
STARTER MOTOR/STARTER CLUTCH
36 products
FRAME
8 products
FRAME FITTINGS
35 products
BATTERY CASE/TOOL CASE
12 products
SWING ARM/SHOCK ABSORBERS
18 products
FOOTRESTS
16 products
STANDS
9 products
BRAKE PEDAL/TORQUE LINK
8 products
CRANKCASE BOLT & STUD PATTERN
3 products
CLUTCH
36 products
TRANSMISSION
33 products
GEAR CHANGE DRUM & FORKS
17 products
GEAR CHANGE MECHANISM
12 products
REAR BRAKE
16 products
TIRES
6 products
FRONT WHEEL/HUB
17 products
REAR WHEEL/HUB
14 products
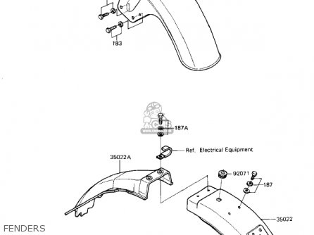
FENDERS
7 products
FUEL TANK
29 products
SIDE COVERS
5 products
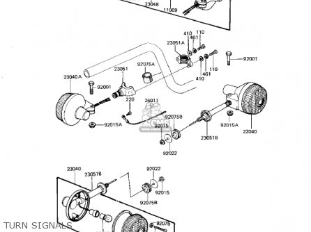
TURN SIGNALS
22 products
IGNITION SWITCH/LOCKS/REFLECTORS
25 products
CHASSIS ELECTRICAL EQUIPMENT
32 products
LABELS
4 products
OWNER TOOLS
12 products
CARBURETOR ASSY
41 products
CARBURETOR PARTS
37 products
AIR CLEANER
29 products
MUFFLERS
22 products
up
popular products
130911041
HOLDER CLUTCH SPRING
Kawasaki
92055055
'0'RING
Kawasaki
920751141
BUSHING,SHOCK ABSORBE
Kawasaki
92069060
BULB.12V 23/8W
Kawasaki